Комплектующие на лодочный мотор Suzuki DF8AS/L; DF8ARS/L - Remote control assy single / Одинарное дистанционное управление в сборе
вконтакте

Контактный телефон: +7 (981) 121-46-93, +7 (800) 200-90-76 , Email: parts-katalog@yandex.ru, где купить

 
 

  Логин:

Пароль:

Регистрация

www.partskatalog.ru Все каталоги Запчасти Mercury Запчасти Suzuki Запчасти Tohatsu Запчасти Honda Контакты

назад Раздел:   вперёд

Вернуться к выбору узлов мотора


ДЕТАЛИРОВКА ДЛЯ МОДЕЛИ: SUZUKI DF8ARL(P01) PRD

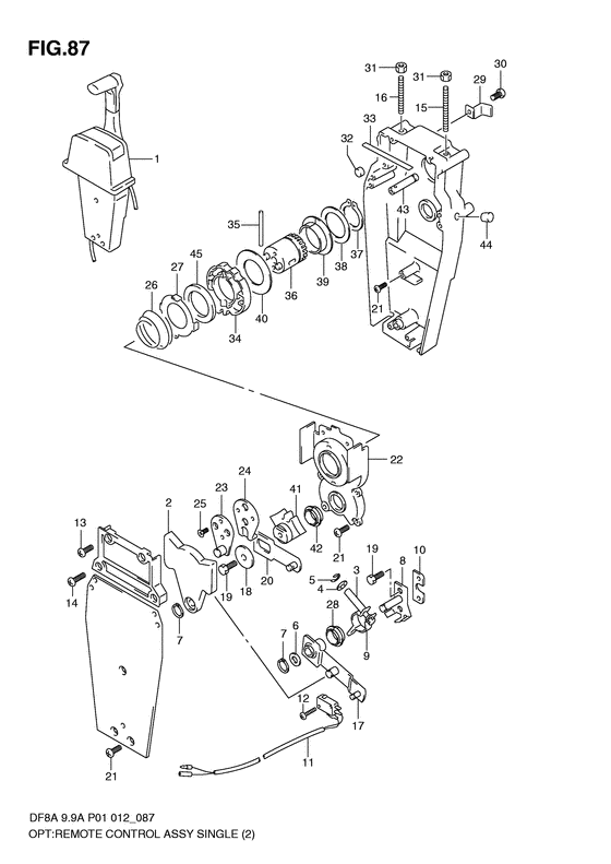
Одинарное дистанционное управление в сборе


Код модели двигателя: DF8AS/L; DF8ARS/L

Год выпуска двигателя: 2011

Регион: General Export No.1 ,Код региона: P01

Цвет: Shadow Black Metallic

Номер на
рисунке
АртикулНаименованиеQTYКол-во
на складе
Цена
167200-93J13-000

Одинарное дистанционное управление в сборе - Remote Control Assy, Single (Push # ) (Remote control assy, single)

под заказ60000 руб.
167200-88L01-000

   (актуальный код замены) Одинарное дистанционное управление в сборе - Remote Control Assy, Single

1 шт60000 руб.
1SK67200-93J13

   (не оригинальный аналог) Пульт ДУ Skipper для Suzuki DF9.9-250 горизонтального крепления, с кнопкой гидроподъема

0 шт18650 руб.
267222-92E00-000

Сдвоенная пластина - Duel Plate (Двойная плата)

под заказ2300 руб.
367223-92E00-000

Регулировка тормоза - Brake Adjust (Регулятор тормоза)

под заказ780 руб.
467288-92E00-000

Шайба - Washer (Шайба)

под заказ300 руб.
567292-94300-000

Уплотнительное кольцо дистанционного управления - E Ring, Remo-con (E ring)

25 шт120 руб.
667288-92E10-000

Шайба - Washer (Шайба)

под заказ300 руб.
767291-92E00-000

Пружинное кольцо - Ring, Snap (Snap ring)

под заказ370 руб.
867221-92E00-000

Переключатель в сборе - Shift Assy (Переключатель)

под заказ2260 руб.
967224-92E00-000

Рычаг тормоза - Brake Arm Assy (Ручка тормоза)

под заказ1570 руб.
1067294-92E00-000

Проставка - Spacer (Кольцо/шайба)

под заказ1240 руб.
1137721-95500-000

Выключатель нейтрали, в сборе - Switch Assy, Neutral (Switch assy, n/r; # ) (Переключатель нейтральный)

под заказ3170 руб.
1267296-92E10-000

Винт выключателя нейтрали - Screw, Neutral Switch (Screw (3x15); # )

под заказ300 руб.
1267296-92E11-000

   (актуальный код замены) Винт выключателя нейтрали - Screw, Neutral Switch

под заказ300 руб.
1267296-92E11-000

Винт выключателя нейтрали - Screw, Neutral Switch (Screw, neutral switch)

под заказ300 руб.
1367296-88D10-000

Винт (5x16) - Screw (5x16) (Screw (5x16); # ) (Болт)

под заказ230 руб.
1467296-92E20-000

Винт - Screw (Screw (5x25); # ) (Болт)

под заказ300 руб.
1567226-92E00-000

Болт стопора Fr - Bolt, Stopper Fr (Bolt, stopper front # ) (Болт стопора)

под заказ780 руб.
1667226-92E10-000

Болт стопора Rr - Bolt, Stopper Rr (Bolt, stopper rear # Bolt, stopper rear; # ) (Болт зажима)

под заказ780 руб.
1767240-92E00-000

Рычаг дросселя - Throttle Arm Assy (Arm assy, throttle # ) (Рычаг дросселя)

под заказ5190 руб.
1867228-92E00-000

Шайба - Washer (Шайба)

под заказ500 руб.
1967286-92E00-000

Болт - Bolt (Bolt (6x18); # ) (Bolt)

под заказ300 руб.
2067230-92E00-000

Переключающий рычаг - Shift Arm Assy (Shift arm assy; # ) (Рычаг вала в сьоре)

под заказ1050 руб.
2109125-05042-000

Винт (5x10) - Screw (5x10) (Screw # Screw (5x10); # ) (Винт L)

под заказ150 руб.
2267234-92E00-000

Картер коробки передач - Case, Gear (Case, gear)

под заказ3030 руб.
2367245-92E00-000

Рычаг дросселя, в сборе - Lever Assy, Throttle (Lever assy, throttle # ) (Рукоятка дросселя)

под заказ2300 руб.
2467227-92E00-000

Стопор - Stopper (Stopper)

под заказ1240 руб.
2509126-06006-000

Винт (6x20) - Screw (6x20) (Screw (6x20); # ) (Болт)

под заказ150 руб.
2667233-92E00-000

Пружина - Spring (Пружина)

под заказ1240 руб.
2767235-92E00-000

Пластина блокировки переключения - Plate, Shift Lock (Plate, shift lock # ) (Плата переключателя)

под заказ780 руб.
2867232-95620-000

Втулка - Bush (Втулка)

под заказ500 руб.
2967269-92E00-000

Кронштейн - Bracket (Bracket)

под заказ780 руб.
2967269-92E01-000

   (актуальный код замены) Кронштейн - Bracket

под заказ780 руб.
3067296-88D10-000

Винт (5x16) - Screw (5x16) (Болт)

под заказ230 руб.
3109140-06020-000

Гайка - Nut (Гайка)

9 шт150 руб.
3267236-92E00-000

Ролик - Roller (Roller)

под заказ440 руб.
3367237-92E01-000

Пружина - Spring (Пружина)

под заказ440 руб.
3467238-92E00-000

Зубчатый привод - Gear, Drive (Gear, drive # ) (Ведущая шестерня)

под заказ3050 руб.
3567239-92E00-000

Штифт - Pin (Pin)

под заказ1650 руб.
3667246-92E00-000

Вал привода - Shaft, Drive (Shaft, drive # Shift, drive; # ) (Drive shaft)

под заказ4200 руб.
3767291-92E10-000

Пружинное кольцо - Ring, Snap (Snap ring)

под заказ1050 руб.
3867253-92E10-000

Шайба - Washer (Шайба)

под заказ370 руб.
3967252-92E10-000

Втулка - Bush (Bush # ) (Втулка)

под заказ440 руб.
4067253-95600-000

Шайба - Washer (Шайба)

под заказ460 руб.
4167231-92E00-000

Шестерни переключения - Gear, Shift (Gear, shift)

под заказ1650 руб.
4267232-95600-000

Втулка - Bush (Втулка)

под заказ570 руб.
4367241-92E10-000

Тяга освобождения ACC - Rod, Free Acc (Rod, free acc)

под заказ1290 руб.
4467243-92E00-000

Крышка отверстия - Cap, Hole (Grommet)

под заказ560 руб.
4567239-92E10-000

Пластина стопора переключателя - Plate, Shift Pin (Plate, shift pin # ) (Плата переключателя)

под заказ840 руб.


Время выполнения запроса 2.9100840091705 сек.

 
 

данный сайт носит информационный характер и не является публичной офертой

склад запчастей для водомоторной техники