| |
 |
|
 |
Вернуться к выбору узлов мотора
ДЕТАЛИРОВКА ДЛЯ МОДЕЛИ: SUZUKI DF9.9B/DF9.9BR FROM 00995F-310001~ (P01 013)
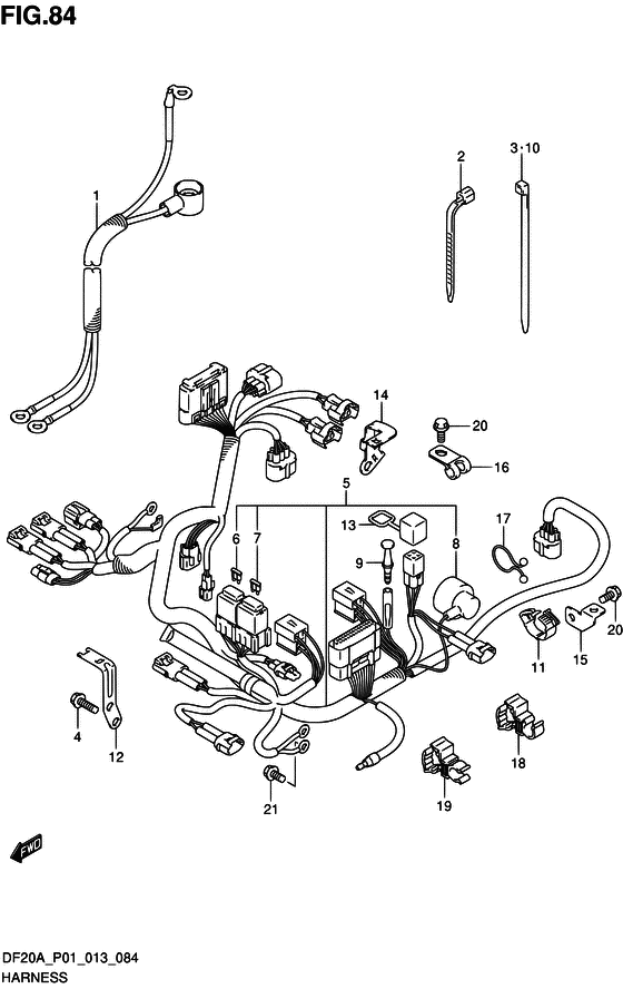
Жгут проводов
Код модели двигателя: DF9.9BS/L; DF9.9BRS/L
Год выпуска двигателя: 2013
Регион: USA/General South East Asia ,Код региона: P03/P013
Цвет: Shadow Black Metallic
Номер на рисунке | Артикул | Наименование | QTY | Кол-во на складе | Цена |
| 1 | 33810-89L00-000 | Кабель стартера - Cable, Starter (W/ELECTRIC STARTER # ) (Cable, starter) | | под заказ | 6340 руб. |
| 1 | 33810-89L10-000 | (актуальный код замены) Кабель стартера - Cable, Starter | | 1 шт | 6340 руб. |
| 2 | 09407-14403-000 | Струбцина (l: 125) - Clamp (l:125) (Clamp, spark plug cap # W/ELECTRIC STARTER # ) (Clamp) | | под заказ | 170 руб. |
| 3 | 09407-14407-000 | Струбцина (l: 145) - Clamp (l:145) (Band # W/ELECTRIC STARTER # ) (Clamp (l:145)) | | 9 шт | 230 руб. |
| 4 | 01547-06167-000 | Болт - Bolt (Bolt, fastener bracket # W/ELECTRIC STARTER # ) (Bolt) | | 26 шт | 120 руб. |
| 5 | 36610-89L01-000 | Жгут проводов, в сборе (me) - Harness Assy, Wiring (me) (W/ELECTRIC STARTER # ) | | под заказ | 36480 руб. |
| 5 | 36610-89L60-000 | (актуальный код замены) Жгут проводов, в сборе (me) - Harness Assy, Wiring (me) | | под заказ | 36480 руб. |
| 5 | 36610-89L02-000 | Жгут проводов, в сборе (me) - Harness Assy, Wiring (me) | | под заказ | 36480 руб. |
| 5 | 36610-89L60-000 | (актуальный код замены) Жгут проводов, в сборе (me) - Harness Assy, Wiring (me) | | под заказ | 36480 руб. |
| 5 | 36610-89L11-000 | Жгут проводов, в сборе (mz) - Harness Assy, Wiring (mz) (W/MANUAL STARTER # ) | | под заказ | 25440 руб. |
| 5 | 36610-89L70-000 | (актуальный код замены) Жгут проводов, в сборе (mz) - Harness Assy, Wiring (mz) | | под заказ | 25440 руб. |
| 5 | 36610-89L12-000 | Жгут проводов, в сборе (mz) - Harness Assy, Wiring (mz) | | под заказ | 25440 руб. |
| 5 | 36610-89L70-000 | (актуальный код замены) Жгут проводов, в сборе (mz) - Harness Assy, Wiring (mz) | | под заказ | 25440 руб. |
| 6 | 09481-10501-000 | Предохранитель (10a) - Fuse (10a) (W/ELECTRIC STARTER # ) (Fuse (10a)) | | 5 шт | 250 руб. |
| 7 | 09481-30501-000 | Предохранитель (30a) - Fuse (30a) (W/ELECTRIC STARTER # ) (Fuse (30a)) | | 8 шт | 270 руб. |
| 8 | 36618-43410-000 | Колпачок выключателя по давлению масла - Cap, Oil Pressure Switch (Крышка переключателя) | | под заказ | 250 руб. |
| 9 | 36615-96300-000 | Клемма - Terminal (Контакт) | | под заказ | 120 руб. |
| 10 | 09407-14407-000 | Струбцина (l: 145) - Clamp (l:145) (Band # ) (Clamp (l:145)) | | 9 шт | 230 руб. |
| 11 | 09408-00184-000 | Струбцина - Clamp (W/ELECTRIC STARTER # ) (Струбцина проводки) | | под заказ | 220 руб. |
| 12 | 36617-89L10-000 | Кронштейн, Harn - Bracket, Harn (W/ELECTRIC STARTER # ) (Bracket, harness) | | под заказ | 290 руб. |
| 13 | 33634-96J00-000 | Колпачок сервисного разъёма - Cap, Service Connector (Крышка соединителя) | | под заказ | 610 руб. |
| 14 | 36617-89L01-000 | Кронштейн, Harn - Bracket, Harn (Bracket, harness) | | под заказ | 450 руб. |
| 15 | 36617-91J00-000 | Кронштейн, Переключатель Lead - Bracket, Switch Lead (Bracket, switch lead) | | под заказ | 200 руб. |
| 16 | 09403-08404-000 | Струбцина - Clamp (Clamp) | | под заказ | 250 руб. |
| 16 | 09403-08417-000 | (актуальный код замены) Струбцина, Rsvr Шланг - Clamp, Rsvr Hose | | под заказ | 250 руб. |
| 17 | 09408-00008-000 | Зажим (id: 20) - Clip (id:20) (Clamp, vacuum hose # ) (Clamp) | | под заказ | 150 руб. |
| 18 | 09408-00252-000 | Струбцина - Clamp (Clamp) | | под заказ | 240 руб. |
| 19 | 09408-00297-000 | Струбцина - Clamp (Clamp) | | под заказ | 240 руб. |
| 20 | 01550-06127-000 | Болт - Bolt (Bolt, rect # ) (Bolt) | | 10 шт | 180 руб. |
| 21 | 01550-06127-000 | Болт - Bolt (Bolt, rect # ) (Bolt) | | 10 шт | 180 руб. |
Время выполнения запроса 0.91499900817871 сек. |
|