Найти запчасти на лодочный мотор Suzuki DF9.9AS/L; DF9.9ARS/L модель 2010 года - Transmission
вконтакте

Контактный телефон: +7 (981) 121-46-93, +7 (800) 200-90-76 , Email: parts-katalog@yandex.ru, где купить

 
 

  Логин:

Пароль:

Регистрация

www.partskatalog.ru Все каталоги Запчасти Mercury Запчасти Suzuki Запчасти Tohatsu Запчасти Honda Контакты



УВАЖАЕМЫЕ КЛИЕНТЫ!
C 19 ДЕКАБРЯ 2025 ПО 02 МАРТА 2026 ГОДА ОТДЕЛ ЗАПЧАСТЕЙ И СЕРВИС РАБОТАТЬ НЕ БУДУТ
ПРОДАЖА ЛОДОЧНЫХ МОТОРОВ В ШТАТНОМ РЕЖИМЕ
ОБ ИЗМЕНЕНИЯХ В ГРАФИКЕ РАБОТЫ ЧИТАЙТЕ НА САЙТА



назад Раздел:   вперёд

Вернуться к выбору узлов мотора


ДЕТАЛИРОВКА ДЛЯ МОДЕЛИ: SUZUKI DF9.9AL K10/DF9.9ARL K10

Трансмиссия


Код модели двигателя: DF9.9AS/L; DF9.9ARS/L

Год выпуска двигателя: 2010

Регион: General Export No.1 ,Код региона: P01

Цвет: Shadow Black Metallic

Номер на
рисунке
АртикулНаименованиеQTYКол-во
на складе
Цена
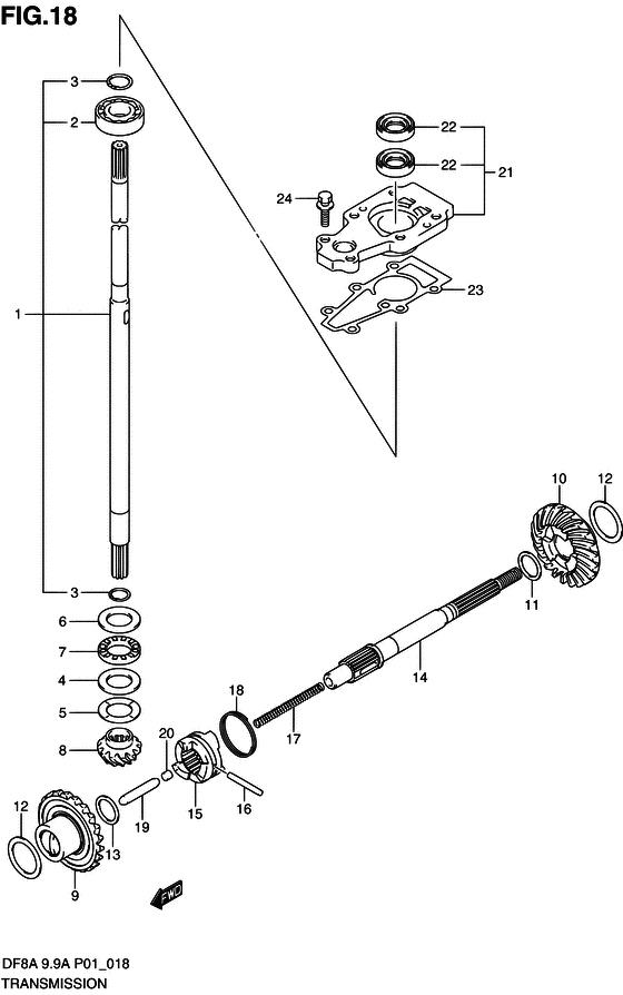
157100-99J20-000

Приводной (вертикальный вал) (s) - Shaft Assy, Drive (s) (Shaft assy, drive (s))

под заказ20550 руб.
157100-99JL0-000

   (актуальный код замены) Приводной (вертикальный вал) (s) - Shaft Assy, Drive (s)

под заказ20550 руб.
157100-99J30-000

Приводной (вертикальный вал) (l) - Shaft Assy, Drive (l)

под заказ24480 руб.
157100-99JM0-000

   (актуальный код замены) Приводной (вертикальный вал) (l) - Shaft Assy, Drive (l)

под заказ24480 руб.
157100-99JM0-000

Приводной (вертикальный вал) (l) - Shaft Assy, Drive (l) (Shaft assy, drive (l))

под заказ24480 руб.
208110-60020-000

Подшипник - Bearing (Bearing # ) (Подшипник B1 15X32X9)

9 шт1490 руб.
2SK08110-60020

   (не оригинальный аналог) Подшипник торсионного вала Skipper для Suzuki DT9.9-15, DF9.9-300, DF8A-350A

1 шт424 руб.
208110-60020

   (не оригинальный аналог) Подшипник ведущего вала редуктора Suzuki 08110-60020

под заказ700 руб.
309380-15001-000

Пружинное кольцо - Ring, Snap (Circlip # ) (Snap ring)

36 шт150 руб.
3SK09380-15001

   (не оригинальный аналог) Кольцо стопорное подшипника ведущего вала Skipper для Suzuki DT9,9-15 / DF9,9-20

0 шт42 руб.
409160-20027-000

Шайба (20x35x2.75) - Washer (20x35x275) (Washer (20x35x2.75) # ) (Шайба)

14 шт690 руб.
509160-20042-000

Регулировочная шайба (20x34x1.1) - Shim (20x34x11) (Shim (t:1.1) # ) (Шайба)

6 шт240 руб.
509160-20043-000

Регулировочная шайба (20x34x1.2) - Shim (20x34x12) (Shim (t:1.2) # ) (Шайба)

4 шт240 руб.
509160-20044-000

Регулировочная шайба (20x34x1.3) - Shim (20x34x13) (Shim (t:1.3) # ) (Шайба)

7 шт240 руб.
509181-20244-000

Регулировочная шайба (20x34x0.7) - Shim (20x34x07) (Shim (t:0.7))

3 шт270 руб.
509181-20246-000

Регулировочная шайба (20x34x0.8) - Shim (20x34x08) (Shim (t:0.8))

31 шт220 руб.
509181-20248-000

Регулировочная шайба (20x34x0.9) - Shim (20x34x09) (Shim (t:0.9))

9 шт290 руб.
509181-20251-000

Регулировочная шайба (20x34x1) - Shim (20x34x1) (Shim (t:1.0) # PINION # ) (Шайба (T:1.0))

10 шт220 руб.
609160-21009-000

Шайба (21x35x2.75) - Washer (21x35x275) (Washer (21x35x2.75) # PINION THRUST UPR # ) (Шайба)

20 шт760 руб.
709263-20024-000

Подшипник (20x35x4.5) - Bearing (20x35x45) (PINION THRUST # )

14 шт4380 руб.
7SK09263-20024

   (не оригинальный аналог) Подшипник торсионного вала Skipper для Suzuki DT9.9-15, DF9.9-15, DF8A-20A

0 шт428 руб.
7SC-FT047

   (не оригинальный аналог) Опорный подшипник ведущей шестерни редуктора Suzuki SC-FT047

под заказ1060 руб.
709263-20L04-000

Подшипник (20x35x4.5) - Bearing (20x35x45) (Bearing, 20x35x4.5)

1 шт4380 руб.
709263-20024-000

   (актуальный код замены) Подшипник (20x35x4.5) - Bearing (20x35x4.5)

14 шт4380 руб.
857311-94J00-000

Шестерня - Pinion

под заказ6600 руб.
857311-94JL0-000

   (актуальный код замены) Шестерня - Pinion

5 шт6000 руб.
857311-94JL0-000

Шестерня - Pinion (Pinion)

5 шт6000 руб.
957510-94J00-000

Шестерня переднего хода - Gear, Forward

под заказ13000 руб.
957510-94JL0-000

   (актуальный код замены) Шестерня переднего хода - Gear, Forward

6 шт15880 руб.
957510-94JL0-000

Шестерня переднего хода - Gear, Forward (Gear, forward)

6 шт15880 руб.
1057521-94J00-000

Шестерня обратного хода - Gear, Revers

1 шт9360 руб.
1057521-94JL0-000

   (актуальный код замены) Шестерня обратного хода - Gear, Revers

под заказ11380 руб.
1057521-94JL0-000

Шестерня обратного хода - Gear, Revers (Gear, reverse)

под заказ11380 руб.
1109160-17039-000

Шайба (17x23x1.2) - Washer (17x23x12) (Шайба)

под заказ220 руб.
1109160-17040-000

Шайба (17x23x1.4) - Washer (17x23x14) (Шайба)

4 шт220 руб.
1109160-17041-000

Шайба (17x23x1.6) - Washer (17x23x16) (Шайба)

5 шт220 руб.
1109160-17042-000

Шайба (17x23x1.8) - Washer (17x23x18) (Шайба)

5 шт220 руб.
1109160-17024-000

Шайба (17x23x1.1) - Washer (17x23x11) (PROP SHAFT REV # ) (Шайба)

13 шт170 руб.
1109160-17025-000

Шайба (17x23x1.3) - Washer (17x23x13) (Шайба)

13 шт170 руб.
1109160-17026-000

Шайба (17x23x1.5) - Washer (17x23x15) (Washer (t:1.5) # ) (Шайба)

8 шт170 руб.
1109160-17027-000

Шайба (17x23x1.7) - Washer (17x23x17) (Washer (t:1.7) # ) (Шайба)

15 шт170 руб.
1109160-17028-000

Шайба (17x23x1.9) - Washer (17x23x19) (Washer (t:1.9) # ) (Шайба)

6 шт170 руб.
1209160-25040-000

Шайба (25x34x1) - Washer (25x34x1) (Shim (t:1.0) # ) (Шайба)

2 шт240 руб.
1209160-25041-000

Шайба (25x34x1.1) - Washer (25x34x11) (Shim (t:1.1) # ) (Шайба)

под заказ240 руб.
1209160-25042-000

Шайба (25x34x1.2) - Washer (25x34x12) (Shim (t:1.2) # ) (Шайба)

3 шт240 руб.
1209181-25160-000

Регулировочная шайба (25x34x0.7) - Shim (25x34x07) (Shim (t:0.7) # BACK UP # ) (Шайба)

7 шт220 руб.
1209181-25162-000

Регулировочная шайба (25x34x0.8) - Shim (25x34x08) (Shim (t:0.8) # ) (Shim (t:0.80))

8 шт270 руб.
1209181-25164-000

Регулировочная шайба (25x34x0.9) - Shim (25x34x09) (Shim (t:0.9) # ) (Shim (t:0.90))

11 шт220 руб.
1209181-25181-000

Регулировочная шайба (25x34x1.3) - Shim (25x34x13) (Shim (t:1.3) # ) (Шайба (T:1.3))

4 шт240 руб.
1309181-15156-000

Регулировочная шайба (15x22x1.5) - Shim (15x22x15) (Washer (t:1.5) # PROP SHAFT FWD # ) (Shim (15x22x1.5))

5 шт240 руб.
1457610-99J10-000

Вал гребного винта - Shaft, Propeller

под заказ14550 руб.
1457610-99JL0-000

   (актуальный код замены) Вал гребного винта - Shaft, Propeller

27 шт15850 руб.
1457610-99JL0-000

Вал гребного винта - Shaft, Propeller (Shaft, propeller)

27 шт15850 руб.
1557621-93902-000

Переключатель собачки сцепления - Shifter, Clutch Dog

под заказ3170 руб.
1557621-90L11-000

   (актуальный код замены) Переключатель собачки сцепления - Shifter, Clutch Dog

5 шт5080 руб.
15SC-GA156

   (не оригинальный аналог) Храповик переключения хода Suzuki SC-GA156

под заказ3480 руб.
1557621-90L10-000

Переключатель собачки сцепления - Shifter, Clutch Dog (Shifter, clutch dog)

3 шт5080 руб.
1557621-90L11-000

   (актуальный код замены) Переключатель собачки сцепления - Shifter, Clutch Dog

5 шт5080 руб.
1609202-04025-000

Штифт (4x31) - Pin (4x31) (Pin)

20 шт690 руб.
1759441-94J00-000

Возвратная пружина - Spring, Return (Пружина)

10 шт180 руб.
1859441-99J00-000

Пружина собачки сцепления - Spring, Dog (Spring, dog)

29 шт160 руб.
1957631-93901-000

Тяга толкателя - Rod, Push (Rod, push # ) (Толкатель)

26 шт900 руб.
19SK57631-93901

   (не оригинальный аналог) Толкатель Skipper для Suzuki DT9.9/15/DF9.9/15

0 шт211 руб.
2057632-98500-000

Штифт толкателя - Pin, Push

под заказ480 руб.
2057632-97L00-000

   (актуальный код замены) Штифт толкателя - Pin, Push

11 шт540 руб.
2057632-98501-000

Штифт толкателя - Pin, Push (Pin, push)

под заказ480 руб.
2057632-97L00-000

   (актуальный код замены) Штифт толкателя - Pin, Push

11 шт540 руб.
2156130-99J10-000

Корпус подшипника приводного вала - Housing, Drive Shaft Brg (Housing, drive shaft brg)

под заказ12080 руб.
2156130-99J30-000

   (актуальный код замены) Корпус подшипника приводного вала - Housing, Drive Shaft Brg

3 шт3910 руб.
2209282-13003-000

Сальник (12.5x25x7) - Seal, Oil (125x25x7)

под заказ360 руб.
2209282-13L01-000

   (актуальный код замены) Сальник (12.5x25x7) - Seal, Oil (12.5x25x7)

119 шт370 руб.
2209282-13L01-000

Сальник (12.5x25x7) - Seal, Oil (125x25x7) (Seal, oil, 12.5x25x7)

119 шт370 руб.
2356132-99J00-000

Прокладка, Подшипник корпуса вала передачи Hsg - Gasket, Drive Shaft Bearing Hsg (Gasket, drive sft brg hsg)

1 шт340 руб.
2409116-06121-000

Болт (6x25) - Bolt (6x25) (Bolt (6x25) # ) (Bolt)

19 шт260 руб.


Время выполнения запроса 2.2989499568939 сек.

 
 

данный сайт носит информационный характер и не является публичной офертой

склад запчастей для водомоторной техники