Найти запчасти на мотор Suzuki DF9.9AS/L; DF9.9ARS/L - Опции: одинарное, монтаж сверху / Opt:top mount single
вконтакте

Контактный телефон: +7 (981) 121-46-93, +7 (800) 200-90-76 , Email: parts-katalog@yandex.ru, где купить

 
 

  Логин:

Пароль:

Регистрация

www.partskatalog.ru Все каталоги Запчасти Mercury Запчасти Suzuki Запчасти Tohatsu Запчасти Honda Контакты



УВАЖАЕМЫЕ КЛИЕНТЫ!
C 31 ОКТЯБРЯ 2025 ПО 10 НОЯБРЯ 2025 ГОДА РАБОТАТЬ НЕ БУДЕМ



назад Раздел:   вперёд

Вернуться к выбору узлов мотора


ДЕТАЛИРОВКА ДЛЯ МОДЕЛИ: SUZUKI DF9.9AL K10/DF9.9ARL K10

Опции: одинарное, монтаж сверху


Код модели двигателя: DF9.9AS/L; DF9.9ARS/L

Год выпуска двигателя: 2010

Регион: General Export No.1 ,Код региона: P01

Цвет: Shadow Black Metallic

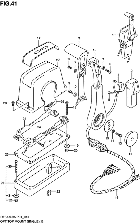
Номер на
рисунке
АртикулНаименованиеQTYКол-во
на складе
Цена
167200-93J12-000

Одинарное дистанционное управление в сборе - Remote Control Assy, Single (PUSH # )

под заказ60000 руб.
167200-88L01-000

   (актуальный код замены) Одинарное дистанционное управление в сборе - Remote Control Assy, Single

1 шт60000 руб.
167200-93J13-000

Одинарное дистанционное управление в сборе - Remote Control Assy, Single (Remote control assy, single)

под заказ60000 руб.
167200-88L01-000

   (актуальный код замены) Одинарное дистанционное управление в сборе - Remote Control Assy, Single

1 шт60000 руб.
1SK67200-93J13

   (не оригинальный аналог) Пульт ДУ Skipper для Suzuki DF9.9-250 горизонтального крепления, с кнопкой гидроподъема

0 шт18650 руб.
267261-93J00-000

Рукоятка, №1 - Grip, No1 (Рукоятка №1)

под заказ1200 руб.
367263-93J00-000

Рукоятка, №2 - Grip, No2 (Рукоятка №2)

под заказ1720 руб.
437850-93J10-000

Переключатель управления гидроподъёмом двигателя - Switch Assy, Ptt (Переключатель)

под заказ10900 руб.
567295-92E10-000

Винт - Screw (Болт)

под заказ240 руб.
667296-88D10-000

Винт (5x16) - Screw (5x16) (Болт)

под заказ230 руб.
767288-92E20-000

Шайба - Washer (Шайба)

под заказ240 руб.
867295-92E00-000

Винт - Screw (Болт)

под заказ260 руб.
967296-92E70-000

Винт - Screw (Болт)

под заказ260 руб.
1067288-92E40-000

Шайба - Washer (Шайба)

под заказ260 руб.
1167257-92E00-000

Крышка рычага - Cap, Lever (Насадка рукоятки)

под заказ900 руб.
1267251-93J00-000

Рычаг блокировки - Lever, Handle (Рукоятка)

под заказ10900 руб.
1367296-92E60-000

Винт - Screw (Болт)

под заказ300 руб.
1467288-92E30-000

Шайба - Washer (Шайба)

под заказ260 руб.
1567253-92E00-000

Шайба - Washer (Шайба)

под заказ500 руб.
1636890-93J00-000

Жгут проводов нейтрали и переключателя гидроподъема - Wire, Neutral & Ptt Sw (Wire harness)

под заказ7160 руб.
1636890-93J01-000

   (актуальный код замены) Жгут проводов нейтрали и переключателя гидроподъема - Wire, Neutral & Ptt Sw

под заказ7160 руб.
1767281-93J00-000

Наклейка - Decal (Наклейка)

под заказ1200 руб.
1867296-92E30-000

Винт - Screw (Болт)

под заказ300 руб.
1909160-05024-000

Шайба (5.5x16x1.5) - Washer (55x16x15) (Washer # ) (Шайба)

под заказ120 руб.
2067287-92E00-000

Гайка - Nut (Гайка)

под заказ240 руб.
2167275-95600-000

Наконечник кабеля - End, Cable (Наконечник кабеля)

36 шт810 руб.
2267273-95600-000

Проставка - Spacer (Кольцо/шайба)

под заказ460 руб.
2267273-95601-000

   (актуальный код замены) Проставка - Spacer

3 шт630 руб.
2367273-92E00-000

Пыльник - Grommet (Grommet)

под заказ1380 руб.
2467274-92E00-000

Фланец - Flange (Flange)

под заказ3820 руб.
2567296-95610-000

Винт - Screw (Болт)

2 шт280 руб.
2667271-92E00-000

Крышка - Cover (Cover)

под заказ710 руб.
2767211-93J00-000

Чехол двигателя - Cover, Body (Cover)

под заказ4590 руб.
2867296-92E70-000

Винт - Screw (Болт)

под заказ260 руб.
2967500-93J00-000

Комплект проставок одинарного дистанционного управления - Kit, R/con Spacer Single (Комплект)

под заказ2120 руб.
3009125-05135-000

Винт (5x65) - Screw (5x65) (Болт)

под заказ230 руб.
3109160-05029-000

Шайба (5.5x12x0.8) - Washer (55x12x08) (Washer # ) (Шайба)

14 шт130 руб.
3209140-05005-000

Гайка - Nut (Гайка)

10 шт270 руб.


Время выполнения запроса 0.97274398803711 сек.

 
 

данный сайт носит информационный характер и не является публичной офертой

склад запчастей для водомоторной техники