Купить запчасти на подвесной двигатель Suzuki DF9.9AS/L; DF9.9ARS/L модель 2011 года - Головка блока цилиндра / Cylinder head
вконтакте

Контактный телефон: +7 (981) 121-46-93, +7 (800) 200-90-76 , Email: parts-katalog@yandex.ru, где купить

 
 

  Логин:

Пароль:

Регистрация

www.partskatalog.ru Все каталоги Запчасти Mercury Запчасти Suzuki Запчасти Tohatsu Запчасти Honda Контакты

Раздел:   вперёд

Вернуться к выбору узлов мотора


ДЕТАЛИРОВКА ДЛЯ МОДЕЛИ: SUZUKI DF9.9AL/DF9.9ARL FROM 00994F-110001~

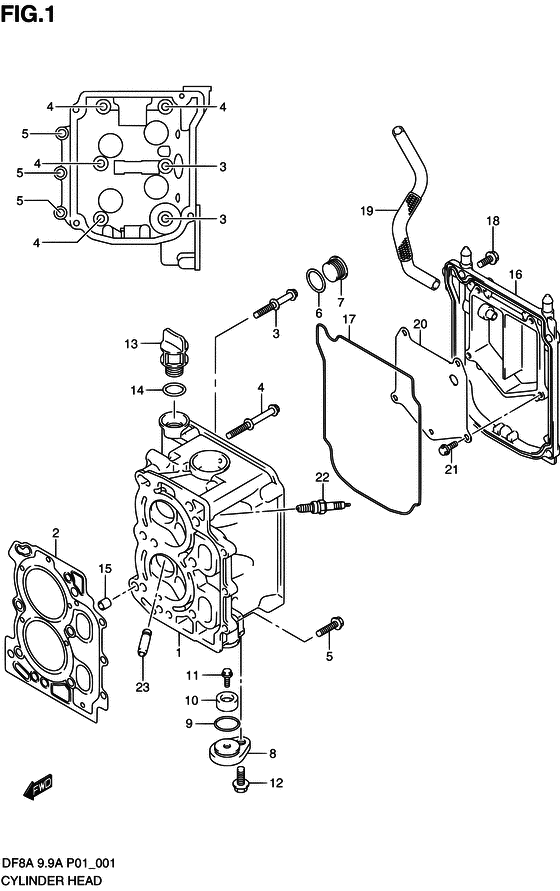
Головка блока цилиндра


Код модели двигателя: DF9.9AS/L; DF9.9ARS/L

Год выпуска двигателя: 2011

Регион: General Export No.1 ,Код региона: P01

Цвет: Shadow Black Metallic

Номер на
рисунке
АртикулНаименованиеQTYКол-во
на складе
Цена
111110-99J00-000

Головка цилиндра - Head, Cylinder (Головка цилиндров)

под заказ115680 руб.
211141-99J00-000

Прокладка головки блока цилиндра - Gasket, Cylinder Head (Прокладка головки цилиндра)

5 шт6100 руб.
311118-99J00-000

Болты головки цилиндра №1 - Bolt, Cylinder Head No1 (Bolt, cylinder head no.1)

под заказ560 руб.
311118-99JL0-000

   (актуальный код замены) Болты головки цилиндра №1 - Bolt, Cylinder Head No.1

под заказ560 руб.
311118-99JL0-000

Болты головки цилиндра №1 - Bolt, Cylinder Head No1 (DF8A:110001~ DF9.9A:110001~ # ) (Bolt, cylinder head no.1)

под заказ560 руб.
411119-99J00-000

Болты головки цилиндра №2 - Bolt, Cylinder Head No2 (Bolt, cylinder head no.2)

под заказ550 руб.
411119-99JL0-000

   (актуальный код замены) Болты головки цилиндра №2 - Bolt, Cylinder Head No.2

под заказ550 руб.
411119-99JL0-000

Болты головки цилиндра №2 - Bolt, Cylinder Head No2 (DF8A:110001~ DF9.9A:110001~ # ) (Bolt, cylinder head no.2)

под заказ550 руб.
501550-06257-000

Болт - Bolt (Bolt)

под заказ180 руб.
611216-90J00-000

Прокладка масляной галерии Заглушка - Gasket, Oil Gallery Plug (Gasket, oil gallery plug)

под заказ330 руб.
709248-22002-000

Заглушка (22x11) - Plug (22x11) (Plug, lh # ) (Plug)

под заказ960 руб.
811261-93J00-000

Крышка защитного анода - Cover, Protection Anode (Крышка протектора)

под заказ1600 руб.
909280-22019-000

Уплотнительное кольцо (d: 1.9, Id: 21.8) - O Ring (d:19, Id:218) (O ring # ) (Кольцо уплотнительное)

16 шт210 руб.
9SK09280-22019

   (не оригинальный аналог) Кольцо уплотнительное головки блока цилиндров Skipper для Suzuki Модели техники: 4-stroke 8-350HP

0 шт64 руб.
1055321-87J00-000

Защитный анод - Anode, Protection (Протекторная защита)

1 шт750 руб.
1055321-87J01-000

   (актуальный код замены) Защитный анод - Anode, Protection

30 шт850 руб.
10SMO-55321-87J01-000

   (не оригинальный аналог) Защитный анод SMO-55321-87J01-000 (оригинал)

под заказ590 руб.
10SMO-55321-87J01-000

  (аналог) Защитный анод SMO-55321-87J01-000 (оригинал) - код 55321-87J01-000

 под заказ шт585 руб.
1109103-06281-000

Болт (6x14) - Bolt (6x14) (Bolt, protection anode # ) (Bolt)

6 шт270 руб.
1201550-08207-000

Болт - Bolt (Bolt)

10 шт240 руб.
1311382-93E00-000

Колпачок масляного фильтра - Cap, Oil Filler (Cap, oil filler)

9 шт430 руб.
1409280-17003-000

Уплотнительное кольцо (d: 3.1, Id: 16.8) - O Ring (d:31, Id:168) (O ring, oil filler cap # ) (O ring (d:3.1, id:16.8))

15 шт180 руб.
1504211-09109-000

Штифт - Pin (Knock pin # ) (Pin)

под заказ120 руб.
1611170-99J00-000

Крышка головки цилиндра - Cover, Cylinder Head (Крышка головки цилиндра)

под заказ3650 руб.
1711178-99J00-000

Уплотнительное кольцо крышки головки блока цилиндра - O Ring, Cylinder Head Cover (O-ring, cylinder head cover)

3 шт600 руб.
1801550-06207-000

Болт - Bolt (Bolt # ) (Bolt (chrome))

17 шт220 руб.
1911196-99J00-000

Шланг сапуна - Hose, Breather (Шланг)

под заказ600 руб.
2011173-99J00-000

Пластина сапуна - Plate, Breather (Плата сапуна)

под заказ440 руб.
2101550-0612A-000

Болт - Bolt (Bolt)

под заказ150 руб.
2209482-00L01-000

Свеча зажигания (cr6e) - Plug, Spark (cr6e) (DF8A:110001~ DF9.9A:110001~ # )

под заказ1740 руб.
2209482-00528-000

   (актуальный код замены) Свеча зажигания (cr6e) - Plug, Spark (cr6e)

1 шт1740 руб.
2209482-00528-000

Свеча зажигания (cr6e) - Plug, Spark (cr6e) (Spark plug (ngk, cr6e))

1 шт1740 руб.
2209482-00528-000

Свеча зажигания (cr6e) - Plug, Spark (cr6e) (Spark plug (ngk, cr6e))

1 шт1740 руб.
2311115-09G00-001

Направляющая клапана (os) - Guide, Valve (os) (OPT # ) (Guide, valve os)

под заказ3340 руб.
2311115-94L00-001

   (актуальный код замены) Направляющая клапана (os) - Guide, Valve (os)

под заказ3340 руб.


Время выполнения запроса 7.4302017688751 сек.

 
 

данный сайт носит информационный характер и не является публичной офертой

склад запчастей для водомоторной техники