| |
 |
|
 |
Вернуться к выбору узлов мотора
ДЕТАЛИРОВКА ДЛЯ МОДЕЛИ: SUZUKI DF9.9AL/DF9.9ARL FROM 00994F-110001~
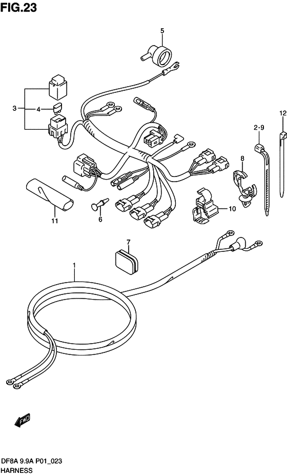
Жгут проводов
Код модели двигателя: DF9.9AS/L; DF9.9ARS/L
Год выпуска двигателя: 2011
Регион: General Export No.1 ,Код региона: P01
Цвет: Shadow Black Metallic
Номер на рисунке | Артикул | Наименование | QTY | Кол-во на складе | Цена |
| 1 | 33810-99J00-000 | Кабель стартера - Cable, Starter (ELECTRIC STARTER TYPE:R # ) (Cable, starter) | | под заказ | 4320 руб. |
| 2 | 09407-14403-000 | Струбцина (l: 125) - Clamp (l:125) (Clamp, spark plug cap # ELECTRIC STARTER # ) (Clamp) | | под заказ | 170 руб. |
| 3 | 36610-99J00-000 | Жгут проводов, в сборе - Harness Assy, Wiring (ELECTRIC STARTER # ) (Harness assy, wiring) | | под заказ | 6240 руб. |
| 3 | 36610-99J10-000 | Жгут проводов, в сборе - Harness Assy, Wiring (MANUAL STARTER # ) (Harness assy, wiring) | | под заказ | 3270 руб. |
| 3 | 36610-99J11-000 | (актуальный код замены) Жгут проводов, в сборе - Harness Assy, Wiring | | под заказ | 3270 руб. |
| 3 | 36610-99J20-000 | Жгут проводов, в сборе - Harness Assy, Wiring (TYPE:R # ) (Harness assy, wiring) | | под заказ | 7680 руб. |
| 4 | 09481-20501-000 | Предохранитель (20a) - Fuse (20a) (Fuse (20a) # ) (Предохранитель) | | под заказ | 180 руб. |
| 5 | 36618-43410-000 | Колпачок выключателя по давлению масла - Cap, Oil Pressure Switch (Крышка переключателя) | | под заказ | 250 руб. |
| 6 | 36615-96300-000 | Клемма - Terminal (EXCEPT TYPE:R # ) (Контакт) | | под заказ | 120 руб. |
| 7 | 36656-99J00-000 | Пыльник кабеля (port) - Grommet, Cable (port) (EXCEPT TYPE:R # ) (Grommet, cable (port)) | | под заказ | 360 руб. |
| 7 | 36656-99J10-000 | Пыльник кабеля (port) - Grommet, Cable (port) (TYPE:R # ) (Grommet, cable (port)) | | под заказ | 360 руб. |
| 8 | 09403-13311-000 | Струбцина - Clamp (Clamp) | | под заказ | 190 руб. |
| 9 | 09407-14403-000 | Струбцина (l: 125) - Clamp (l:125) (Clamp, spark plug cap # ) (Clamp) | | под заказ | 170 руб. |
| 10 | 09408-00265-000 | Струбцина - Clamp (Clamp) | | под заказ | 240 руб. |
| 11 | 33833-99J10-000 | Трубка, Жгут проводов Lead (16x17x60) - Tube, Harness Lead (16x17x60) (ELECTRIC STARTER TYPE:R # ) (Tube, harness lead) | | под заказ | 130 руб. |
| 12 | 09407-14407-000 | Струбцина (l: 145) - Clamp (l:145) (Band # ) (Clamp (l:145)) | | 9 шт | 230 руб. |
Время выполнения запроса 0.75662899017334 сек. |
|