Оригинальные запчасти на лодочный мотор Suzuki DF9.9AS/L; DF9.9ARS/L - Поворотный кронштейн
вконтакте

Контактный телефон: +7 (981) 121-46-93, +7 (800) 200-90-76 , Email: parts-katalog@yandex.ru, где купить

 
 

  Логин:

Пароль:

Регистрация

www.partskatalog.ru Все каталоги Запчасти Mercury Запчасти Suzuki Запчасти Tohatsu Запчасти Honda Контакты



УВАЖАЕМЫЕ КЛИЕНТЫ!
C 19 ДЕКАБРЯ 2025 ПО 02 МАРТА 2026 ГОДА ОТДЕЛ ЗАПЧАСТЕЙ И СЕРВИС РАБОТАТЬ НЕ БУДУТ
ПРОДАЖА ЛОДОЧНЫХ МОТОРОВ В ШТАТНОМ РЕЖИМЕ
ОБ ИЗМЕНЕНИЯХ В ГРАФИКЕ РАБОТЫ ЧИТАЙТЕ НА САЙТА



назад Раздел:   вперёд

Вернуться к выбору узлов мотора


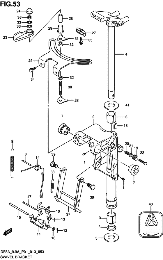
ДЕТАЛИРОВКА ДЛЯ МОДЕЛИ: SUZUKI DF9.9A/DF9.9AR FROM 00994F-310001~ (P01)

Поворотный кронштейн


Код модели двигателя: DF9.9AS/L; DF9.9ARS/L

Год выпуска двигателя: 2013

Регион: General Export No.1 ,Код региона: P01

Цвет: Shadow Black Metallic

Номер на
рисунке
АртикулНаименованиеQTYКол-во
на складе
Цена
122511-99011-000

Ниппель смазки - Nipple, Grease (Ниппель)

9 шт400 руб.
243111-99J01-0EP

Поворотный кронштейн (s) - Bracket, Swivel (s) (W/TRANSOM (S) # ) (Bracket, swivel (s))

под заказ16080 руб.
243111-99J11-0EP

Поворотный кронштейн (l) - Bracket, Swivel (l) (W/TRANSOM (L) # ) (Bracket, swivel (l) (black))

под заказ21270 руб.
343711-99J00-000

Втулка рулевой системы - Bush, Steering (Втулка)

15 шт370 руб.
443750-99J40-0EP

(W/TRANSOM (S) # )

под заказ0 руб.
443750-99J50-0EP

Кронштейн рулевого управления (l) - Bracket, Steering (l) (W/TRANSOM (L) # ) (Bracket, steering (l) (black))

под заказ0 руб.
509160-27009-000

Шайба (27.5x47x2) - Washer (275x47x2)

под заказ320 руб.
509160-27013-000

   (актуальный код замены) Шайба (27.5x47x2) - Washer (27.5x47x2)

9 шт350 руб.
509160-27013-000

Шайба (27.5x47x2) - Washer (275x47x2) (Washer, 27.5x47x2)

9 шт350 руб.
609282-27002-000

Сальник (26x39x5) - Seal, Oil (26x39x5) (Seal, oil, 26x39x5)

12 шт570 руб.
743211-99J00-000

Втулка поворотного кронштейна (h) - Bush, Swivel Bracket (h) (Bush, swivel bracket (h))

под заказ350 руб.
841225-94502-000

Стопор пружины блокировки наклона - Pin, Tilt Lock Spring (Pin, tilt lock spring)

под заказ570 руб.
945212-99JL0-000

Пружина рычага блокировки задней передачи - Spring, Reverse Lock Arm (Spring, reverse lock arm)

6 шт820 руб.
1045231-99JL0-000

Рычаг блокировки реверса - Arm, Reverse Lock (Arm, reverse lock)

под заказ4230 руб.
1145241-99JL1-000

Тяга рычага блокировки реверса - Link, Reverse Lock Arm (Link, reverse lock arm)

под заказ3510 руб.
1209204-01002-000

Штифт - Pin (Cotter pin # ) (Стопор)

24 шт140 руб.
1345247-99J00-000

Стопор блокировки поворотного механизма - Pin, Rev Lock Arm Cotter (Pin, rev lock arm cotter)

2 шт130 руб.
1445250-94J00-000

Освобождающая тяга - Link, Release (Тяга)

под заказ1320 руб.
1509200-06061-000

Штифт - Pin (Pin # ) (Pin (sus))

9 шт780 руб.
1609160-06082-000

Шайба (6.5x13x1.0) - Washer (65x13x10) (Washer # ) (Шайба)

7 шт150 руб.
1709200-05014-000

Штифт - Pin (Pin)

7 шт370 руб.
1843411-939L0-000

Пластина рулевого управления Регулятор - Plate, Steering Adjuster (Plate, steering adjuster)

6 шт200 руб.
1943412-93900-000

Крышка регулировки рулевой системыer - Cover, Steering Adjuster (Cover, steering adjust # ) (Крышка регулятора)

под заказ340 руб.
1943412-93901-000

   (актуальный код замены) Крышка регулировки рулевой системыer - Cover, Steering Adjuster

под заказ340 руб.
2029440-93J00-000

Пружина регулятора рулевой системы - Spring, Steering Adjuster (Пружина регулятора)

под заказ190 руб.
2109160-08082-000

Шайба (8.5x16x1.2) - Washer (85x16x12) (Шайба)

13 шт120 руб.
2209100-08308-000

Болт (8x30) - Bolt (8x30)

под заказ350 руб.
2209100-08232-000

   (актуальный код замены) Болт (8x30) - Bolt (8x30)

6 шт350 руб.
2209100-08232-000

Болт (8x30) - Bolt (8x30) (Bolt)

6 шт350 руб.
2343410-99J00-000

Рычаг, Рулевая система Adjustr (h) - Lever, Steering Adjustr (h) (Lever, strg adj (h))

под заказ2370 руб.
2443412-99J00-000

Крышка регулировки рулевой системыer (h) - Cover, Steering Adjuster (h) (Cover, strg adj (h))

под заказ280 руб.
2543415-99J00-000

Пластина регулировки рулевой системы (h) - Plate, Strg Adjuster (h) (Plate, strg adj (h))

3 шт5430 руб.
2643420-99J10-000

Пластина фрикциона регулировки рулевого управления - Plate, Strg Adjuster Friction (Plate comp, strg adj friction)

под заказ1060 руб.
2743424-99J00-000

Держатель, Strg Adj Гайка (h) - Holder, Strg Adj Nut (h) (Holder, strg adj nut (h))

под заказ850 руб.
2843427-99J00-000

Проставка, Strg Adj Friction (h) - Spacer, Strg Adj Friction (h) (Spacer, strg adj friction (h))

под заказ850 руб.
2943428-99J00-000

Втулка, Strg Adj Friction (h) - Bush, Strg Adj Friction (h) (Bush, strg adj friction (h))

под заказ240 руб.
3043512-99J00-000

Резьбовой вал регулировки рулевого управления (h) - Shaft, Strg Adjuster Thread (h) (Shaft, strg adj thread (h))

под заказ1370 руб.
3143514-94J00-000

Пластина фрикциона регулировки рулевого управления - Plate, Strg Adjuster Friction (Плата)

1 шт180 руб.
3243514-99J00-000

Шайба фрикциона регулировки рулевой системы Пластина - Washer, Strg Adj Friction Plate (Washer, strg adj friction plate)

под заказ320 руб.
3343516-89J00-000

Шайба регулятора рулевой системы - Washer, Steering Adjuster (Шайба регулятора)

под заказ1330 руб.
3409116-06225-000

Болт (6x15) - Bolt (6x15) (Bolt, 6x15)

6 шт250 руб.
3509116-06229-000

Болт (6x25) - Bolt (6x25) (Bolt, 6x25)

6 шт190 руб.
3609159-08059-000

Гайка - Nut (Nut, clutch lever # ) (Гайка)

13 шт390 руб.
3745710-99JL0-000

Ручка движения по мелководью - Arm, Shallow Drive (Arm, shallow drive)

под заказ3940 руб.
3745710-99JL1-000

   (актуальный код замены) Рычаг привода движения по мелководью - Arm Comp, Shallow Drive

4 шт4300 руб.
3845722-94J11-000

Пружина, Shallow Water Рычаг привода - Spring, Shallow Water Drive Arm (Spring, shallow water drive arm)

4 шт1900 руб.
3909111-10067-000

Болт (10x20.5) - Bolt (10x205) (Bolt, 10x20.4)

2 шт430 руб.
4045269-99J00-000

Маркировка, Рулевая система Регулятор - Mark, Steering Adjuster (Mark, steering adjuster)

под заказ160 руб.
4109160-27012-000

Шайба (27.5x47x1) - Washer (275x47x1) (Washer, 27.5x47x1)

11 шт390 руб.


Время выполнения запроса 1.9398958683014 сек.

 
 

данный сайт носит информационный характер и не является публичной офертой

склад запчастей для водомоторной техники