| |
 |
|
 |
Вернуться к выбору узлов мотора
ДЕТАЛИРОВКА ДЛЯ МОДЕЛИ: SUZUKI DF9.9AL/DF9.9ARL FROM 00994F-210001~ (P03)
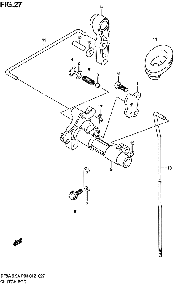
Тяга сцепления
Код модели двигателя: DF9.9AS/L; DF9.9ARS/L
Год выпуска двигателя: 2012
Регион: USA ,Код региона: P03
Цвет: Shadow Black Metallic
Номер на рисунке | Артикул | Наименование | QTY | Кол-во на складе | Цена |
| 1 | 21122-99J00-000 | Пластина в паз сцепления - Plate, Clutch Notch (Plate, clutch notch) | | под заказ | 620 руб. |
| 2 | 09160-06082-000 | Шайба (6.5x13x1.0) - Washer (65x13x10) (Washer # ) (Шайба) | | 7 шт | 150 руб. |
| 3 | 09260-10006-000 | Шарик - Ball (Ball) | | под заказ | 220 руб. |
| 4 | 09381-14004-000 | Стопорное кольцо - Circlip (Circlip) | | под заказ | 190 руб. |
| 5 | 09440-07079-000 | Пружина - Spring (Пружина) | | под заказ | 70 руб. |
| 6 | 02112-06127-000 | Винт - Screw (Болт) | | под заказ | 140 руб. |
| 7 | 21126-99J00-000 | Держатель вала сцепления - Holder, Clutch Shaft (Holder, clutch shaft) | | под заказ | 230 руб. |
| 8 | 01550-06167-000 | Болт - Bolt (Bolt) | | 9 шт | 210 руб. |
| 9 | 21210-99J00-000 | Сцепление Вал - Shaft, Clutch (Вал муфты) | | под заказ | 4230 руб. |
| 10 | 23111-99J00-000 | Тяга сцепления (s) - Rod, Clutch (s) (W/TRANSOM (S) # ) (Штанга муфты (S)) | | под заказ | 2040 руб. |
| 10 | 23111-99J10-000 | Тяга сцепления (l) - Rod, Clutch (l) (W/TRANSOM (L) # ) (Штанга муфты (L)) | | 3 шт | 3890 руб. |
| 11 | 23131-99J00-000 | Башмак тяги сцепления - Boot, Clutch Rod (Колпак муфты) | | под заказ | 570 руб. |
| 12 | 09383-04002-000 | Уплотнительное кольцо - E Ring (E ring) | | 18 шт | 80 руб. |
| 13 | 21241-99J00-000 | Тяга рычага сцепления - Link, Clutch Lever (Link, clutch lever) | | под заказ | 400 руб. |
| 14 | 23210-99J00-000 | Рычаг управления сцеплением - Lever, Clutch Control (Lever, clutch control) | | под заказ | 780 руб. |
| 15 | 09204-01002-000 | Штифт - Pin (Cotter pin # ) (Стопор) | | 24 шт | 140 руб. |
| 16 | 09160-05029-000 | Шайба (5.5x12x0.8) - Washer (55x12x08) (Washer # ) (Шайба) | | 14 шт | 130 руб. |
| 17 | 09385-04003-000 | Зажим - Clip (Pin, snap) | | 33 шт | 180 руб. |
| 17 | SK09385-04003 | (не оригинальный аналог) Шплинт замка капота Skipper для Suzuki DF9.9-70/DT9.9-40 | | 0 шт | 57 руб. |
Время выполнения запроса 0.5957658290863 сек. |
|