| |
 |
|
 |
Вернуться к выбору узлов мотора
ДЕТАЛИРОВКА ДЛЯ МОДЕЛИ: SUZUKI DF9.9T/DF9.9TH FROM 0993F-21001~ (P03 012)
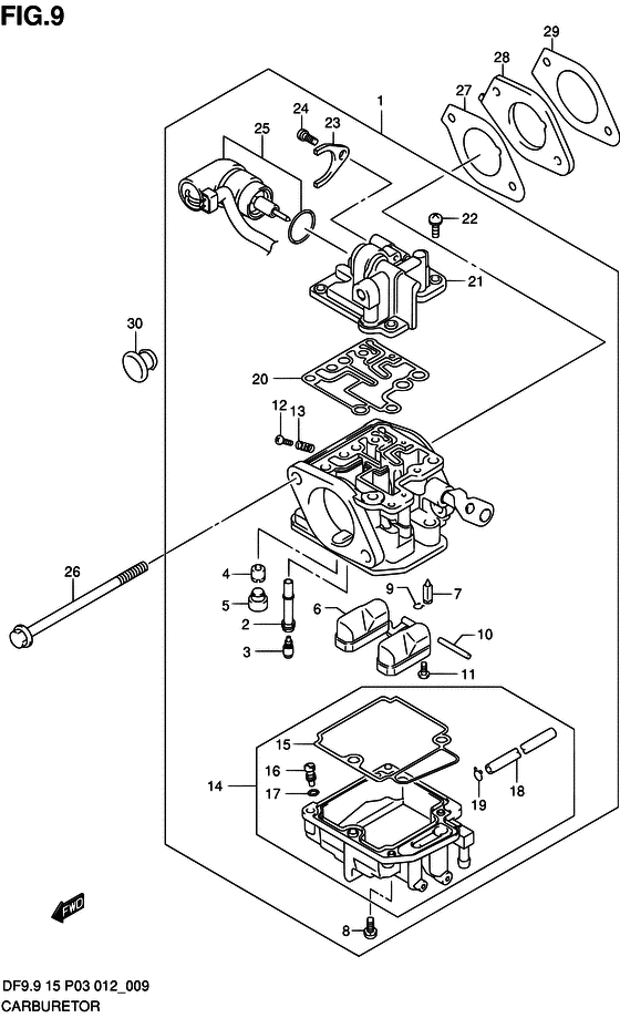
Карбюратор
Код модели двигателя: DF9.9TS/L; DF9.9THS/L
Год выпуска двигателя: 2012
Регион: USA/Indonesia ,Код региона: P03/P012
Цвет: Shadow Black Metallic
Номер на рисунке | Артикул | Наименование | QTY | Кол-во на складе | Цена |
| 1 | 13200-94J30-000 | Карбюратор в сборе - Carburetor Assy (Карбюратор) | | под заказ | 62880 руб. |
| 1 | 13200-94J32-000 | (актуальный код замены) Карбюратор в сборе - Carburetor Assy | | под заказ | 62880 руб. |
| 2 | 13236-94J10-000 | Главная форсунка - Nozzle, Main (Распылитель главный) | | под заказ | 2790 руб. |
| 3 | 09491-70017-000 | Главная форсунка (70) - Jet, Main (70) (Жиклер главный (70)) | | под заказ | 1460 руб. |
| 4 | 09492-38009-000 | Контрольная форсунка (38) - Jet, Pilot (38) (Жиклер (38)) | | под заказ | 1460 руб. |
| 5 | 13239-94J00-000 | Колпачок резинки - Cap, Rubber (Крышка резиновая) | | 1 шт | 690 руб. |
| 6 | 13250-94J00-000 | Поплавок - Float (Поплавок) | | под заказ | 4010 руб. |
| 7 | 13370-94J00-000 | Клапан поплавка - Valve, Float (Клапан) | | 5 шт | 2100 руб. |
| 8 | 13247-94J00-000 | Винт - Screw (Болт) | | под заказ | 760 руб. |
| 9 | 13375-26E00-000 | Зажим - Clip (Clip) | | под заказ | 430 руб. |
| 10 | 13254-94J00-000 | Штифт, Рычаг - Pin, Arm (Штифт ручки) | | под заказ | 290 руб. |
| 11 | 13802-94J00-000 | Винт - Screw (Болт) | | под заказ | 280 руб. |
| 12 | 13534-94J00-000 | Винт стопора - Screw, Stop (Винт стопорный) | | под заказ | 700 руб. |
| 13 | 13268-94J00-000 | Пружина - Spring (Пружина) | | под заказ | 370 руб. |
| 14 | 13240-94J10-000 | Chamber в сборе, Поплавок - Chamber Assy, Float (Chamber assy, float) | | под заказ | 11090 руб. |
| 15 | 13251-94J00-000 | Прокладка поплавковой камеры - Gasket, Float Cahmber (Прокладка камеры) | | 2 шт | 1600 руб. |
| 16 | 13279-94J00-000 | Винт дренажный - Screw, Drain (Винт дренажный) | | под заказ | 600 руб. |
| 17 | 13523-94J00-000 | Уплотнительное кольцо - O Ring (O ring) | | под заказ | 490 руб. |
| 18 | 13684-94J00-000 | Трубка - Pipe (Pipe) | | под заказ | 1090 руб. |
| 19 | 09401-05402-XC0 | Зажим - Clip (Clip) | | под заказ | 110 руб. |
| 20 | 13345-94J00-000 | U Кольцо - U Ring (Кольцо) | | 5 шт | 1220 руб. |
| 21 | 13346-94J10-000 | Крышка - Cover (Cover) | | под заказ | 0 руб. |
| 22 | 13247-94J00-000 | Винт - Screw (Болт) | | под заказ | 760 руб. |
| 23 | 13428-06F30-000 | Пластина - Plate (Plate) | | под заказ | 400 руб. |
| 24 | 13367-94J00-000 | Винт - Screw (Болт) | | под заказ | 370 руб. |
| 25 | 13368-94J00-000 | Стартер в сборе - Starter Assy (Стартер) | | 1 шт | 23760 руб. |
| 25 | 13368-94J02-000 | (актуальный код замены) Стартер в сборе - Starter Assy | | 1 шт | 23760 руб. |
| 26 | 09103-06276-000 | Болт (6x100) - Bolt (6x100) (Bolt) | | под заказ | 260 руб. |
| 27 | 13125-94J01-000 | Прокладка карбюратора - Gasket, Carburetor (Прокладка карбюратора) | | 6 шт | 270 руб. |
| 28 | 13124-94J00-000 | Изолятор карбюратора - Insulator, Carburetor (Изолятор) | | под заказ | 1200 руб. |
| 29 | 13127-94J00-000 | Прокладка, Изолятор Карбюратор - Gasket, Insulator Carburetor (Прокладка) | | 11 шт | 270 руб. |
| 30 | 59252-94J00-000 | Заглушка, Стартер Ручка - Plug, Starter Knob (Заглушка ручки) | | под заказ | 0 руб. |
Время выполнения запроса 2.457710981369 сек. |
|