| |
 |
|
 |
Вернуться к выбору узлов мотора
ДЕТАЛИРОВКА ДЛЯ МОДЕЛИ: SUZUKI DF9.9T/DF9.9TH FROM 0993F-21001~ (P03 012)
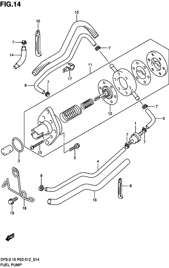
Топливный насос
Код модели двигателя: DF9.9TS/L; DF9.9THS/L
Год выпуска двигателя: 2012
Регион: USA/Indonesia ,Код региона: P03/P012
Цвет: Shadow Black Metallic
Номер на рисунке | Артикул | Наименование | QTY | Кол-во на складе | Цена |
| 1 | 15410-98500-000 | Топливный фильтр - Filter, Fuel (Filter assy, fuel # ) (Фильтр топливный) | | 40 шт | 1600 руб. |
| 1 | 15410-98500 | (не оригинальный аналог) Топливный фильтр Suzuki 15410-98500 | | под заказ | 590 руб. |
| 2 | 01550-06257-000 | Болт - Bolt (Bolt) | | под заказ | 180 руб. |
| 3 | 09280-26005-000 | Уплотнительное кольцо (d: 2.4, Id: 26.2) - O Ring (d:24, Id:262) (O ring (d:2.4, id:26.2) # ) (O ring (dd:2.4, id:26.2)) | | 11 шт | 200 руб. |
| 4 | 15191-94J01-000 | Топливный шланг (Коннектор To Фильтр) - Hose, Fuel (connector To Filter) (CONN TO FILTER # ) (Hose, fuel (conn to filter)) | | под заказ | 2520 руб. |
| 5 | 09343-50001-600 | Шланг (5x10x600) - Hose (5x10x600) (L:600->60 FILTER TO PUMP # ) (Hose, 5x10x600) | | под заказ | 3940 руб. |
| 6 | 09343-50001-600 | Шланг (5x10x600) - Hose (5x10x600) (L:600->460 PUMP TO CARB # ) (Hose, 5x10x600) | | под заказ | 3940 руб. |
| 7 | 09401-09404-000 | Зажим - Clip (Clip) | | под заказ | 190 руб. |
| 8 | 09401-11422-000 | Зажим - Clip (Clip) | | под заказ | 190 руб. |
| 9 | 29404-93J10-000 | Струбцина - Clamp (Clamp # ) (Струбцина переключателя) | | под заказ | 190 руб. |
| 9 | 29404-93J11-000 | (актуальный код замены) Струбцина - Clamp | | под заказ | 190 руб. |
| 10 | 09404-08207-000 | Струбцина (l: 80) - Clamp (l:80) (Clamp) | | под заказ | 170 руб. |
| 10 | 09404-08212-000 | (актуальный код замены) Струбцина - Clamp | | под заказ | 170 руб. |
| 11 | 15100-94J02-000 | Топливный насос, в сборе - Pump Assy, Fuel (Pump assy, fuel) | | под заказ | 14400 руб. |
| 11 | 15100-94J03-000 | (актуальный код замены) Топливный насос, в сборе - Pump Assy, Fuel | | 2 шт | 14400 руб. |
| 12 | 15170-94J02-000 | Диафрагма Set - Diaphragm Set (Комплект диафрагмы) | | 1 шт | 3170 руб. |
| 12 | 15170-94J03-000 | (актуальный код замены) Диафрагма Set - Diaphragm Set | | 1 шт | 3170 руб. |
| 13 | 15251-93E00-000 | Винт - Screw | | под заказ | 230 руб. |
| 13 | 15251-93E01-000 | (актуальный код замены) Винт - Screw | | под заказ | 230 руб. |
| 14 | 18498-94J20-000 | Защита топливного шланга (l: 320) - Protector, Fuel Hose (l:320) (L:320->50 # ) (Protector (l:320)) | | под заказ | 670 руб. |
| 14 | 18498-94J21-000 | (актуальный код замены) Защита топливного шланга (l: 320) - Protector, Fuel Hose (l:320) | | под заказ | 670 руб. |
| 15 | 18498-94J20-000 | Защита топливного шланга (l: 320) - Protector, Fuel Hose (l:320) (L:320 # ) (Protector (l:320)) | | под заказ | 670 руб. |
| 15 | 18498-94J21-000 | (актуальный код замены) Защита топливного шланга (l: 320) - Protector, Fuel Hose (l:320) | | под заказ | 670 руб. |
| 16 | 18498-94J31-000 | Защита топливного шланга (l: 390) - Protector, Fuel Hose (l:390) (L:390 # ) (Protector (l:390)) | | под заказ | 680 руб. |
| 16 | 18498-94J32-000 | (актуальный код замены) Защита топливного шланга (l: 390) - Protector, Fuel Hose (l:390) | | под заказ | 680 руб. |
| 17 | 09403-12318-000 | Струбцина - Clamp (Clamp) | | под заказ | 290 руб. |
| 17 | 09403-12323-000 | (актуальный код замены) Струбцина - Clamp | | под заказ | 290 руб. |
| 18 | 65793-94J01-000 | Держатель топливного шланга - Holder, Fuel Hose (Держатель шланга) | | под заказ | 1760 руб. |
| 19 | 09116-08137-000 | Болт (8x22) - Bolt (8x22) (Bolt (8x22) # ) (Болт (8X22)) | | 10 шт | 690 руб. |
Время выполнения запроса 0.9251389503479 сек. |
|