| |
 |
|
 |
Вернуться к выбору узлов мотора
ДЕТАЛИРОВКА ДЛЯ МОДЕЛИ: SUZUKI DF9.9T/DF9.9TH FROM 0993F-21001~ (P03 012)
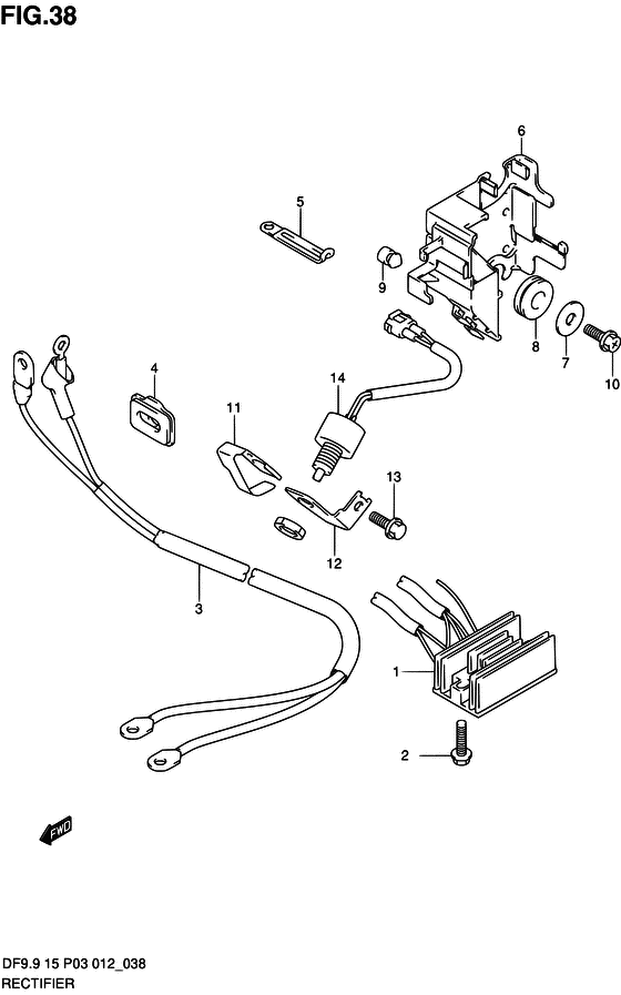
Выпрямитель
Код модели двигателя: DF9.9TS/L; DF9.9THS/L
Год выпуска двигателя: 2012
Регион: USA/Indonesia ,Код региона: P03/P012
Цвет: Shadow Black Metallic
Номер на рисунке | Артикул | Наименование | QTY | Кол-во на складе | Цена |
| 1 | 32800-94J01-000 | Выпрямитель & Регулятор в сборе - Rectifier & Regulator Assy (Выпрямитель и регулятор) | | 2 шт | 24720 руб. |
| 2 | 01550-06257-000 | Болт - Bolt (Bolt) | | под заказ | 180 руб. |
| 3 | 33810-94JA1-000 | Кабель стартера - Cable, Starter (Cable, starter) | | под заказ | 0 руб. |
| 4 | 33811-94J10-000 | Пыльник кабеля стартера - Grommet, Starter Cable (Grommet, starter cable # ) (Grommet) | | под заказ | 280 руб. |
| 5 | 29404-93J20-000 | Струбцина - Clamp (Clamp, fuel hose guard # ) (Струбцина топливного шланга) | | под заказ | 190 руб. |
| 6 | 32890-94J00-000 | Держатель электрических частей - Holder, Electric Parts (Корпус) | | под заказ | 1010 руб. |
| 7 | 09160-06054-000 | Шайба (6.5x22x1.6) - Washer (65x22x16) (Washer (6.5x22x1.6) # ) (Шайба) | | под заказ | 120 руб. |
| 8 | 09320-12011-000 | Подушка - Cushion (Cushion # ) (Валик) | | под заказ | 150 руб. |
| 8 | 09320-12090-000 | (актуальный код замены) Подушка (11.8x25x7.5) - Cushion (11.8x25x7.5) | | под заказ | 150 руб. |
| 9 | 09321-06013-000 | Подушка - Cushion (Cushion, engine cover # ) (Валик капота) | | под заказ | 150 руб. |
| 9 | 09321-06036-000 | (актуальный код замены) Подушка, License Пластина - Cushion, License Plate | | под заказ | 150 руб. |
| 10 | 02162-06167-000 | Болт - Bolt | | под заказ | 180 руб. |
| 10 | 01550-06167-000 | (актуальный код замены) Болт - Bolt | | 9 шт | 210 руб. |
| 10 | 01550-06167-000 | Болт - Bolt (Bolt) | | 9 шт | 210 руб. |
| 11 | 37725-94302-000 | Пускатель переключателя нейтрали - Actuator, Neutral Switch (Actuator, neutral sw # ) (Переключатель силового привода) | | 1 шт | 520 руб. |
| 12 | 37726-94J00-000 | Кронштейн переключателя нейтрали - Bracket, Neutral Switch (Кронштейн нейтрального переключателя) | | под заказ | 470 руб. |
| 13 | 01550-06167-000 | Болт - Bolt (Bolt) | | 9 шт | 210 руб. |
| 14 | 37721-94J01-000 | Выключатель нейтрали, в сборе - Switch Assy, Neutral (Switch assy, neutral) | | под заказ | 5430 руб. |
| 14 | 37721-94J02-000 | (актуальный код замены) Выключатель нейтрали, в сборе - Switch Assy, Neutral | | под заказ | 5430 руб. |
Время выполнения запроса 0.91415619850159 сек. |
|