Купить оригинальные запчасти на лодочный мотор Suzuki DF9.9TS/L; DF9.9THS/L модель 2012 года - Drive shaft housing
вконтакте

Контактный телефон: +7 (981) 121-46-93, +7 (800) 200-90-76 , Email: parts-katalog@yandex.ru, где купить

 
 

  Логин:

Пароль:

Регистрация

www.partskatalog.ru Все каталоги Запчасти Mercury Запчасти Suzuki Запчасти Tohatsu Запчасти Honda Контакты

назад Раздел:   вперёд

Вернуться к выбору узлов мотора


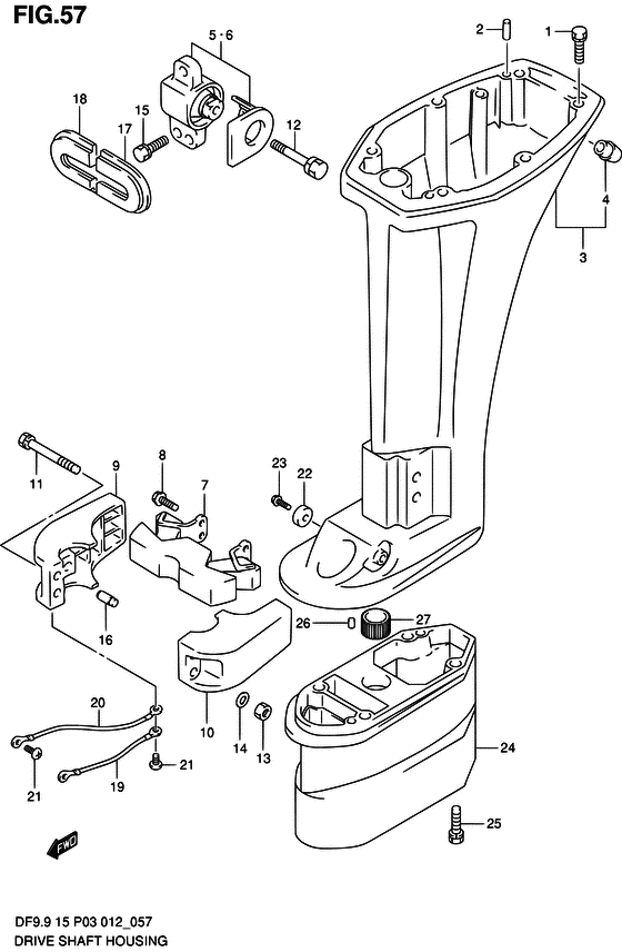
ДЕТАЛИРОВКА ДЛЯ МОДЕЛИ: SUZUKI DF9.9T/DF9.9TH FROM 0993F-21001~ (P03 012)

Корпус вала передачи


Код модели двигателя: DF9.9TS/L; DF9.9THS/L

Год выпуска двигателя: 2012

Регион: USA/Indonesia ,Код региона: P03/P012

Цвет: Shadow Black Metallic

Номер на
рисунке
АртикулНаименованиеQTYКол-во
на складе
Цена
109116-08122-000

Болт (8x30) - Bolt (8x30) (Bolt (8x30))

8 шт350 руб.
209202-06023-000

Штифт (6x10) - Pin (6x10) (Pin)

6 шт290 руб.
352110-94JC0-0EP

Корпус вала передачи (l) (чёрный) - Housing, Drive Shaft (l) (black) (BLACK # ) (Housing, drive shaft (l) (black))

под заказ55680 руб.
443112-99E00-000

Выхлопная труба - Pipe, Exhaust (Pipe, exhaust # ) (Труба выхлопная)

26 шт480 руб.
554180-93E01-000

Крепление, вышеr Stbd - Mount, Upr Stbd (Опора верхняя)

под заказ7640 руб.
654190-93E01-000

Крепление, вышеr Port - Mount, Upr Port (Опора верхняя)

1 шт7640 руб.
754160-94JA0-000

Крепление, Lwr - Mount, Lwr (Опора нижняя)

под заказ12240 руб.
809116-08137-000

Болт (8x22) - Bolt (8x22) (Bolt (8x22) # ) (Болт (8X22))

10 шт690 руб.
954211-94J20-0EP

Крышка, Lwr Крепление Stbd - Cover, Lwr Mount Stbd (BLACK # ) (Cover, lower mount stbd)

1 шт5410 руб.
1054221-94J20-0EP

Крышка, Lwr Крепление Port - Cover, Lwr Mount Port (BLACK # ) (Cover, lower mount port)

под заказ3700 руб.
1109116-08138-000

Болт (8x40) - Bolt (8x40) (Болт, 8X40)

под заказ520 руб.
1209116-08138-000

Болт (8x40) - Bolt (8x40) (Болт, 8X40)

под заказ520 руб.
1329141-93J10-000

Гайка - Nut (Гайка)

под заказ310 руб.
1409160-08082-000

Шайба (8.5x16x1.2) - Washer (85x16x12) (Шайба)

13 шт120 руб.
1509116-08122-000

Болт (8x30) - Bolt (8x30) (Bolt (8x30))

8 шт350 руб.
1654213-93901-000

Штифт, Lwr Крепление Крышка Knock - Pin, Lwr Mount Cover Knock (Pin, lower mount cover knock)

1 шт760 руб.
1754144-94J00-000

Сальник левого верхнего крепежа - Seal, Upr Mount Port (Уплотнение верхней опоры)

под заказ570 руб.
1854145-94J00-000

Сальник правого верхнего крепежа - Seal, Upr Mount Stbd (Уплотнение верхней опоры)

под заказ670 руб.
1936894-95201-000

Lead (l: 165) - Lead (l:165) (Lead # ) (Провод)

под заказ1170 руб.
2036895-87D01-000

Lead (l: 210) - Lead (l:210) (Lead # ) (Провод)

1 шт1420 руб.
2129125-93J10-000

Винт - Screw (Screw (5x8) # ) (Болт)

под заказ150 руб.
2109125-05050-000

   (актуальный код замены) Винт (5x8) - Screw (5x8)

под заказ150 руб.
2255321-87J00-000

Защитный анод - Anode, Protection (Протекторная защита)

1 шт750 руб.
2255321-87J01-000

   (актуальный код замены) Защитный анод - Anode, Protection

30 шт850 руб.
22SMO-55321-87J01-000

   (не оригинальный аналог) Защитный анод SMO-55321-87J01-000 (оригинал)

под заказ590 руб.
22SMO-55321-87J01-000

  (аналог) Защитный анод SMO-55321-87J01-000 (оригинал) - код 55321-87J01-000

 под заказ шт585 руб.
2309103-06281-000

Болт (6x14) - Bolt (6x14) (Bolt, protection anode # ) (Bolt)

6 шт270 руб.
2452131-94J20-0EP

Удлинитель копуса - Case, Extension (W/TRANSOM (X) # ) (Case, extension)

под заказ0 руб.
2452131-94J21-0EP

   (актуальный код замены) Запчасть снята с производства - The Spare Part Is Laid Off

под заказ0 руб.
2509117-08047-000

Болт (8x30) - Bolt (8x30) (Bolt # W/TRANSOM (X) # ) (Болт 8X30)

14 шт520 руб.
2609202-06023-000

Штифт (6x10) - Pin (6x10) (W/TRANSOM (X) # ) (Pin)

6 шт290 руб.
2709320-13022-000

Втулка - Bush (W/TRANSOM (X) # ) (Втулка)

под заказ710 руб.


Время выполнения запроса 1.8191800117493 сек.

 
 

данный сайт носит информационный характер и не является публичной офертой

склад запчастей для водомоторной техники