| |
|
|
 |
Вернуться к выбору узлов мотора
ДЕТАЛИРОВКА ДЛЯ МОДЕЛИ: SUZUKI DF9.9TH FROM 00993F-310001~ (P03 013)
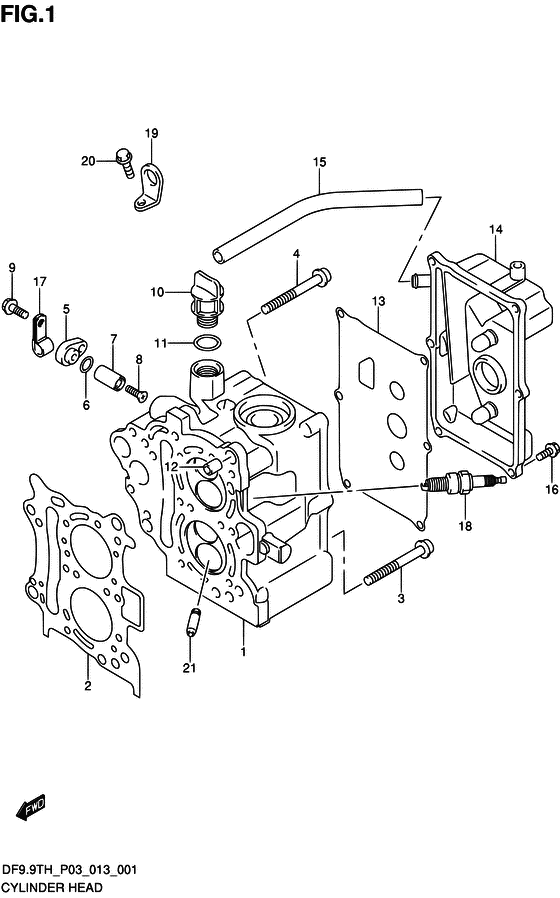
Головка блока цилиндра
Код модели двигателя: DF9.9TS/L; DF9.9THS/L
Год выпуска двигателя: 2013
Регион: USA/General South East Asia ,Код региона: P03/P013
Цвет: Shadow Black Metallic
Номер на рисунке | Артикул | Наименование | QTY | Кол-во на складе | Цена |
| 1 | 11110-94JL0-000 | Головка цилиндра - Head, Cylinder (Head, cylinder) | | под заказ | 0 руб. |
| 2 | 11141-94JL0-000 | Прокладка головки блока цилиндра - Gasket, Cylinder Head (Gasket, cylinder head) | | 6 шт | 6950 руб. |
| 3 | 09116-08110-000 | Болт (8x65) - Bolt (8x65) (Bolt # ) (Bolt (8x65)) | | под заказ | 600 руб. |
| 4 | 09116-08129-000 | Болт (8x65) - Bolt (8x65) (Bolt (8x65)) | | под заказ | 430 руб. |
| 5 | 11261-99E00-000 | Крышка защитного анода - Cover, Protection Anode (Крышка протектора) | | под заказ | 1990 руб. |
| 6 | 09280-10013-000 | Уплотнительное кольцо (d: 2.4, Id: 9.6) - O Ring (d:24, Id:96) (O ring, protection cover # ) (O ring (d:2.4, id:9.6)) | | под заказ | 280 руб. |
| 7 | 55321-99E00-000 | Защитный анод - Anode, Protection (Протекторная защита) | | 3 шт | 1190 руб. |
| 8 | 09126-05010-000 | Винт (5x27.2) - Screw (5x272) (Винт анода) | | под заказ | 220 руб. |
| 9 | 01550-06207-000 | Болт - Bolt (Bolt # ) (Bolt (chrome)) | | 17 шт | 220 руб. |
| 10 | 11382-93E00-000 | Колпачок масляного фильтра - Cap, Oil Filler (Cap, oil filler) | | 9 шт | 430 руб. |
| 11 | 09280-17003-000 | Уплотнительное кольцо (d: 3.1, Id: 16.8) - O Ring (d:31, Id:168) (O ring, oil filler cap # ) (O ring (d:3.1, id:16.8)) | | 15 шт | 180 руб. |
| 12 | 04211-11129-000 | Штифт - Pin (Pin) | | 14 шт | 150 руб. |
| 13 | 11162-94J10-000 | Прокладка крышки головки блока цилиндра - Gasket, Cylinder Head Cover (Прокладка крышки) | | 5 шт | 1200 руб. |
| 14 | 11170-94J00-000 | Крышка головки цилиндра - Cover, Cylinder Head (Крышка) | | под заказ | 5620 руб. |
| 15 | 11196-94J00-320 | Шланг сапуна (l: 320) - Hose, Breather (l:320) (Hose, breather # L:320->205 # ) (Шланг водный) | | под заказ | 350 руб. |
| 16 | 01550-06207-000 | Болт - Bolt (Bolt # ) (Bolt (chrome)) | | 17 шт | 220 руб. |
| 17 | 09403-14204-000 | Струбцина - Clamp (Clamp # ) (Протектор) | | под заказ | 230 руб. |
| 17 | 09403-14415-000 | (актуальный код замены) Струбцина - Clamp | | под заказ | 230 руб. |
| 18 | 09482-00L04-000 | Свеча зажигания (cpr6ea-9) - Plug, Spark (cpr6ea-9) (NGK # ) (Spark plug ( cpr6ea-9 )) | | 80 шт | 1470 руб. |
| 19 | 11291-91B50-000 | Крюк двигателя - Hook, Engine (OPT # ) (Крюк двигателя) | | под заказ | 900 руб. |
| 20 | 01550-08207-000 | Болт - Bolt (OPT # ) (Bolt) | | 10 шт | 240 руб. |
| 21 | 11115-93E00-001 | Направляющая клапана (os: 0.3) - Guide, Valve (os:03) (OPT # ) (Направляющая клапана) | | 1 шт | 2520 руб. |
Время выполнения запроса 0.64405798912048 сек. |
|