| |
 |
|
 |
Вернуться к выбору узлов мотора
ДЕТАЛИРОВКА ДЛЯ МОДЕЛИ: SUZUKI DF9.9A/DF9.9AR FROM 00994F-410001~ (P01)
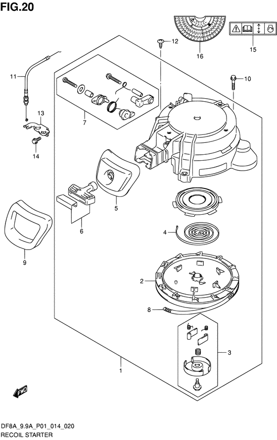
Барабанный стартер
Код модели двигателя: DF9.9AS/L; DF9.9ARS/L
Год выпуска двигателя: 2014
Регион: General Export No.1 ,Код региона: P01
Цвет: Shadow Black Metallic
Номер на рисунке | Артикул | Наименование | QTY | Кол-во на складе | Цена |
| 1 | 18100-99J00-000 | Барабанный стартер в сборе - Starter Assy, Recoil (Starter assy, recoil) | | под заказ | 18390 руб. |
| 2 | 18120-99J00-000 | Барабан - Reel (Reel) | | 1 шт | 3120 руб. |
| 3 | 18130-99J00-000 | Храповик, установочный комплект - Ratchet Set (Комплект колес) | | под заказ | 1750 руб. |
| 4 | 18142-98600-000 | Барабанная пружина - Spring, Recoil (Spring, recoil # ) (Пружина катушки) | | под заказ | 2360 руб. |
| 5 | 18181-99J00-000 | Направляющая шнура - Guide, Rope (Guide, rope) | | под заказ | 3510 руб. |
| 6 | 18210-99J00-000 | Рукоятка в сборе - Grip Assy (Рукоятка) | | под заказ | 1790 руб. |
| 7 | 18280-99J00-000 | Nsi Set - Nsi Set (Комплект NSI) | | под заказ | 3580 руб. |
| 8 | 99000-81158-50M | Шнур стартера 5 ммdia, 50m Role - Starter Rope 5mmdia, 50m Role (OPT L:50000->1380 # ) (Канат) | | 1 шт | 23090 руб. |
| 9 | 18193-99J00-000 | Сальник барабанного стартера - Seal, Recoil Starter (Seal, recoil starter) | | под заказ | 3410 руб. |
| 10 | 01550-06307-000 | Болт - Bolt (Bolt # ) (Bolt (chrome)) | | 8 шт | 250 руб. |
| 11 | 18290-99J02-000 | Тросик NSI - Cable Assy, Nsi (Cable assy, nsi) | | 1 шт | 570 руб. |
| 12 | 03542-06129-000 | Винт - Screw (Болт) | | под заказ | 190 руб. |
| 13 | 37726-99J01-000 | Кронштейн NSI тросика - Bracket, Nsi Cable (Bracket, nsi cable) | | под заказ | 840 руб. |
| 14 | 01550-06167-000 | Болт - Bolt (Bolt) | | 9 шт | 210 руб. |
| 15 | 69711-93E10-000 | Наклейки, S.i.g.p. - Label, Sigp (Label, caution # ) (Наклейка предупреждающая) | | под заказ | 500 руб. |
| 15 | 69711-93E11-000 | (актуальный код замены) Наклейки (s.i.g.p.) - Label (s.i.g.p.) | | под заказ | 500 руб. |
| 16 | 61472-94J10-000 | Наклейки, Recoil, Стартер - Label, Recoil, Starter (Label, recoil starter) | | под заказ | 320 руб. |
| 16 | 61472-94J11-000 | (актуальный код замены) Наклейки, Recoil, Стартер - Label, Recoil, Starter | | под заказ | 320 руб. |
Время выполнения запроса 1.4594328403473 сек. |
|