| |
 |
|
 |
Вернуться к выбору узлов мотора
ДЕТАЛИРОВКА ДЛЯ МОДЕЛИ: SUZUKI DF9.9A/DF9.9AR FROM 00994F-510001~
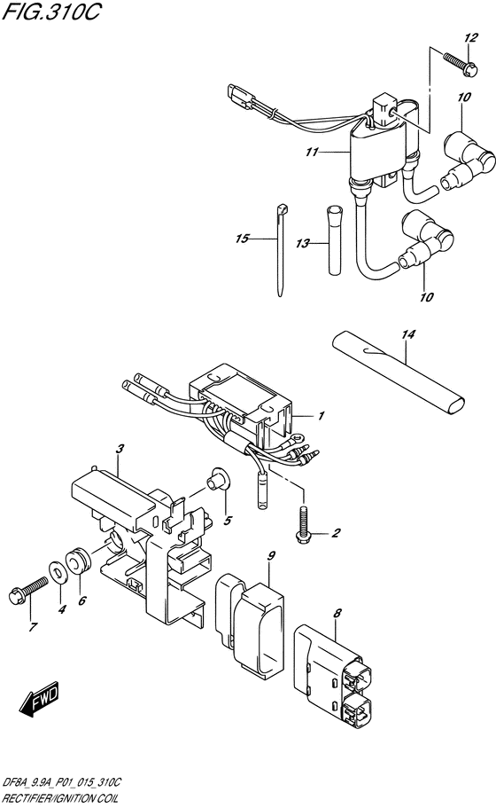
Выпрямитель / Катушка зажигания
Код модели двигателя: DF9.9AS/L; DF9.9ARS/L
Год выпуска двигателя: 2015
Регион: General Export No.1/Finland ,Код региона: P01/P015
Цвет: Shadow Black Metallic
Номер на рисунке | Артикул | Наименование | QTY | Кол-во на складе | Цена |
| 1 | 32800-99J00-000 | Выпрямитель & Регулятор в сборе - Rectifier & Regulator Assy (W/ELECTRIC STARTER # ) (Выпрямитель и регулятор) | | под заказ | 18580 руб. |
| 2 | 01550-06257-000 | Болт - Bolt (W/ELECTRIC STARTER # ) (Bolt) | | под заказ | 180 руб. |
| 3 | 32890-99J00-000 | Держатель электрических частей - Holder, Electric Parts (Holder, electric parts) | | под заказ | 790 руб. |
| 4 | 09160-06084-000 | Шайба (6.5x18x1.6) - Washer (65x18x16) (Washer # ) (Шайба 6.5X18X1) | | 7 шт | 130 руб. |
| 5 | 09169-06062-000 | Шайба - Washer (Washer # ) (Кольцо/шайба) | | под заказ | 190 руб. |
| 6 | 09320-09016-000 | Подушка - Cushion (Cushion, holder # ) (Cushion) | | 10 шт | 190 руб. |
| 7 | 01550-06257-000 | Болт - Bolt (Bolt) | | под заказ | 180 руб. |
| 8 | 32900-99J00-000 | Модуль C.D.I. - Unit, Cdi (W/ELECTRIC STARTER # ) (Коммутатор) | | под заказ | 30000 руб. |
| 8 | 32900-99J10-000 | Модуль C.D.I. - Unit, Cdi (W/MANUAL STARTER # ) (Коммутатор) | | под заказ | 30000 руб. |
| 9 | 32980-99J00-000 | Подушка, Cdi - Cushion, Cdi (Cushion, cdi) | | под заказ | 730 руб. |
| 10 | 33500-07H00-000 | Колпачок свечи зажигания - Cap, Spark Plug (Cap, spark plug) | | под заказ | 3870 руб. |
| 11 | 33410-99J00-000 | Катушка зажигания - Coil, Ignition (Катушка зажигания) | | под заказ | 14120 руб. |
| 11 | 33410-99J01-000 | (актуальный код замены) Катушка зажигания - Coil, Ignition | | под заказ | 14120 руб. |
| 12 | 01550-06257-000 | Болт - Bolt (Bolt) | | под заказ | 180 руб. |
| 13 | 33833-94JL0-000 | Трубка провода переключателя (16x17x120) - Tube, Switch Lead (16x17x120) (Tube, sw lead) | | под заказ | 130 руб. |
| 14 | 33833-94J10-000 | Высоковольтная защита Cord - Protector, High Tension Cord (W/ELECTRIC STARTER # ) (Protector) | | под заказ | 230 руб. |
| 14 | 33833-94J11-000 | (актуальный код замены) Высоковольтная защита Cord - Protector, High Tension Cord | | под заказ | 230 руб. |
| 15 | 09407-14407-000 | Струбцина (l: 145) - Clamp (l:145) (Band # W/ELECTRIC STARTER # ) (Clamp (l:145)) | | 9 шт | 230 руб. |
Время выполнения запроса 0.64841103553772 сек. |
|