| |
 |
|
 |
Вернуться к выбору узлов мотора
ДЕТАЛИРОВКА ДЛЯ МОДЕЛИ: SUZUKI DF9.9SX(E1) X
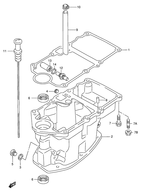
Масляный поддон
Код модели двигателя: DF9.9S/L; DF9.9RS/L
Год выпуска двигателя: 1999
Регион: General Export No.1 ,Код региона: P01
Цвет: Shadow Black Metallic
Номер на рисунке | Артикул | Наименование | QTY | Кол-во на складе | Цена |
| 1 | 11489-93E01-000 | Прокладка масляного поддона - Gasket, Oil Pan | | под заказ | 3460 руб. |
| 1 | 11489-93E02-000 | (актуальный код замены) Прокладка масляного поддона - Gasket, Oil Pan | | 2 шт | 3460 руб. |
| 1 | 11489-93E02-000 | Прокладка масляного поддона - Gasket, Oil Pan (Прокладка масляного поддона) | | 2 шт | 3460 руб. |
| 2 | 11500-93E12-Z11 | Маслянный поддон (белый) - Pan, Oil (white) (Поддон маслянный) | | под заказ | 0 руб. |
| 2 | 11500-93E12-0EP | Маслянный поддон (чёрный) - Pan, Oil (black) (Model:99~02 # ) (Поддон маслянный) | | под заказ | 59040 руб. |
| 3 | 09168-12017-000 | Прокладка (12x17x1) - Gasket (12x17x1) (Gasket, drain plug # Gasket, drain plug; # ) (Gasket (12x17x1)) | | 162 шт | 270 руб. |
| 4 | 09246-06002-000 | Заглушка - Plug (Plug # ) (Plug (1/4pt, h:7.5)) | | под заказ | 240 руб. |
| 5 | 09248-12007-000 | Заглушка (12x9) - Plug (12x9) (Plug # ) (Заглушка) | | 4 шт | 720 руб. |
| 6 | 09282-12010-000 | Сальник (12x25x7) - Seal, Oil (12x25x7) | | под заказ | 560 руб. |
| 6 | 09282-12L04-000 | (актуальный код замены) Сальник (12x25x7) - Seal, Oil (12x25x7) | | 60 шт | 620 руб. |
| 6 | SK09282-12010 | (не оригинальный аналог) Сальник коленвала Skipper для Suzuki Модели техники: DT9.9-15, DF9.9-15, нижний | | 0 шт | 113 руб. |
| 6 | 09282-12L04-000 | Сальник (12x25x7) - Seal, Oil (12x25x7) (Seal, oil, 12x25x7) | | 60 шт | 620 руб. |
| 7 | 01560-08357-000 | Болт - Bolt (Bolt) | | 7 шт | 260 руб. |
| 7 | 01560-08307-000 | Болт - Bolt (Df9.9 652501~, df15 652501~ # ) (Bolt) | | под заказ | 260 руб. |
| 7 | 01421-08257-000 | Болт под шпильку - Bolt, Stud (Bolt, stud # Bolt, stud; Df9.9 652501~, df15 652501~ # ) (Болт крышки коллектора) | | под заказ | 330 руб. |
| 7 | 08316-10087-000 | Гайка - Nut (Nut # Df9.9 652501~, df15 652501~ # ) (Nut (chrome)) | | 14 шт | 170 руб. |
| 8 | 04221-06129-000 | Штифт - Pin (Pin (6x12) # Pin, knock; # ) (Штифт 6X12) | | под заказ | 130 руб. |
| 9 | 16515-93E00-000 | Масляный шланг - Hose, Oil (Шланг масляный) | | под заказ | 0 руб. |
| 10 | 09401-12405-000 | Зажим - Clip (Clip) | | под заказ | 170 руб. |
| 11 | 16910-93E00-000 | Щуп измерения уровня масла - Gauge, Oil Level | | под заказ | 2270 руб. |
| 11 | 16910-93E10-000 | (актуальный код замены) Щуп измерения уровня масла - Gauge, Oil Level | | под заказ | 2270 руб. |
| 11 | 16910-93E10-000 | Щуп измерения уровня масла - Gauge, Oil Level (Gauge, oil level) | | под заказ | 2270 руб. |
| 11 | 16910-93E10-000 | Щуп измерения уровня масла - Gauge, Oil Level (Model:01, 02 # ) (Gauge, oil level) | | под заказ | 2270 руб. |
| 12 | 14216-93E00-000 | Probe, Выхлоп - Probe, Exhaust (Df9.9a (ar), 15a (ar) # ) (Датчик выхлопной) | | под заказ | 0 руб. |
| 13 | 14217-93E00-000 | Запчасть снята с производства - The Spare Part Is Laid Off (Df9.9a (ar), 15a (ar) # ) | | под заказ | 0 руб. |
| 14 | 09168-14011-000 | Прокладка (14x20x1.5) - Gasket (14x20x15) (Gasket # Df9.9a (ar), 15a (ar) # ) (Прокладка) | | под заказ | 120 руб. |
Время выполнения запроса 2.4124081134796 сек. |
|