| |
 |
|
 |
Вернуться к выбору узлов мотора
ДЕТАЛИРОВКА ДЛЯ МОДЕЛИ: SUZUKI DF9.9(A,R,AR)S K1
Электрика
Код модели двигателя: DF9.9S/L; DF9.9RS/L
Год выпуска двигателя: 2001
Регион: General Export No.1 ,Код региона: P01
Цвет: Shadow Black Metallic
Номер на рисунке | Артикул | Наименование | QTY | Кол-во на складе | Цена |
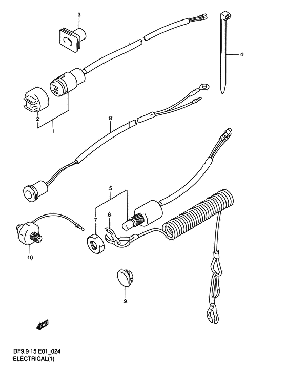
| 1 | 39601-95D00-000 | Внешняя розетка - Receptacle (Receptacle assy, lighting # MANUAL STARTER <-9601-92D00 # ) (Receptacle) | | под заказ | 4660 руб. |
| 1 | 39601-95D01-000 | (актуальный код замены) Внешняя розетка - Receptacle | | под заказ | 4660 руб. |
| 2 | 36634-93910-000 | Колпачок - Cap (MANUAL STARTER # ) (Cap) | | под заказ | 340 руб. |
| 3 | 39603-94400-000 | Пыльник розеткиe - Grommet, Receptaclee (Grommet, receptacle cable # MANUAL STARTER # ) (Втулка кабеля) | | под заказ | 840 руб. |
| 3 | 39603-94401-000 | (актуальный код замены) Пыльник розеткиe - Grommet, Receptaclee | | под заказ | 840 руб. |
| 4 | 09407-25402-000 | Струбцина (l: 250) - Clamp (l:250) (Clamp, tilt sw # MANUAL STARTER # ) (Clamp) | | под заказ | 350 руб. |
| 5 | 37830-95D00-000 | Выключатель аварийной остановки двигателя - Switch Assy, Emergency & Stop | | под заказ | 6340 руб. |
| 5 | 37830-95D04-000 | (актуальный код замены) Выключатель аварийной остановки двигателя - Switch Assy, Emergency & Stop | | под заказ | 6340 руб. |
| 5 | 37830-95D03-000 | Выключатель аварийной остановки двигателя - Switch Assy, Emergency & Stop (SWITCH ASSY, EMERGENCY & STOP) | | 2 шт | 6340 руб. |
| 5 | 37830-95D04-000 | (актуальный код замены) Выключатель аварийной остановки двигателя - Switch Assy, Emergency & Stop | | под заказ | 6340 руб. |
| 6 | 37823-92E00-000 | Пластина блокировки аварийного выключателя - Plate Assy, Emergency Sw Lock | | под заказ | 2570 руб. |
| 6 | 37823-92E02-000 | (актуальный код замены) Пластина блокировки аварийного выключателя - Plate Assy, Emergency Sw Lock | | 3 шт | 2770 руб. |
| 6 | 37823-92E01-000 | Пластина блокировки аварийного выключателя - Plate Assy, Emergency Sw Lock (Plate) | | под заказ | 2570 руб. |
| 6 | 37823-92E02-000 | (актуальный код замены) Пластина блокировки аварийного выключателя - Plate Assy, Emergency Sw Lock | | 3 шт | 2770 руб. |
| 7 | 37826-92E00-000 | Гайка - Nut (Гайка) | | под заказ | 740 руб. |
| 8 | 36360-93E00-000 | Индикатор, Oil Level - Indicator, Oil Level (Indicator, oil level) | | под заказ | 6630 руб. |
| 9 | 09250-13005-000 | Заглушка (od: 20) - Plug (od:20) (Cap, emergency/stop # OPT # ) (Plug) | | под заказ | 430 руб. |
| 10 | 37820-80001-000 | Выключатель по давлению масла, в сборе - Switch Assy, Oil Pressure (<-7820-93E00 # ) (Переключатель прессуры) | | под заказ | 2120 руб. |
| 10 | 37820-80002-000 | (актуальный код замены) Выключатель по давлению масла, в сборе - Switch Assy, Oil Pressure | | 1 шт | 2550 руб. |
Время выполнения запроса 0.78027701377869 сек. |
|