Найти запчасти на подвесной двигатель Suzuki DF9.9S/L; DF9.9RS/L - Двигатель электростартера - Starting motor
вконтакте

Контактный телефон: +7 (981) 121-46-93, +7 (800) 200-90-76 , Email: parts-katalog@yandex.ru, где купить

 
 

  Логин:

Пароль:

Регистрация

www.partskatalog.ru Все каталоги Запчасти Mercury Запчасти Suzuki Запчасти Tohatsu Запчасти Honda Контакты



УВАЖАЕМЫЕ КЛИЕНТЫ!
C 19 ДЕКАБРЯ 2025 ПО 02 МАРТА 2026 ГОДА ОТДЕЛ ЗАПЧАСТЕЙ И СЕРВИС РАБОТАТЬ НЕ БУДУТ
ПРОДАЖА ЛОДОЧНЫХ МОТОРОВ В ШТАТНОМ РЕЖИМЕ
ОБ ИЗМЕНЕНИЯХ В ГРАФИКЕ РАБОТЫ ЧИТАЙТЕ НА САЙТА



назад Раздел:   вперёд

Вернуться к выбору узлов мотора


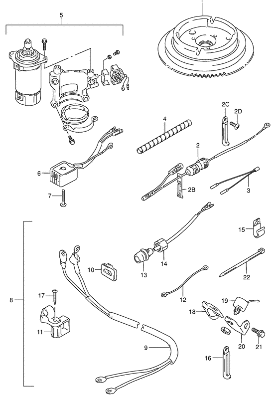
ДЕТАЛИРОВКА ДЛЯ МОДЕЛИ: SUZUKI DF9.9SK2(E1) K2

Двигатель электростартера


Код модели двигателя: DF9.9S/L; DF9.9RS/L

Год выпуска двигателя: 2002

Регион: General Export No.1 ,Код региона: P01

Цвет: Shadow Black Metallic

Номер на
рисунке
АртикулНаименованиеQTYКол-во
на складе
Цена
132102-93E00-000

Запчасть снята с производства - The Spare Part Is Laid Off (Flywheel assy, magneto; Df9.9 # )

под заказ0 руб.
132102-93E20-000

Маховик в сборе, Магнето - Flywheel Assy, Magneto (Flywheel # Flywheel assy, magneto; Df9.9a (ar), 15 (a, ar) # ) (Маховик, зажигание)

под заказ0 руб.
132102-93E40-000

Маховик в сборе, Магнето - Flywheel Assy, Magneto (Flywheel # Flywheel assy, magneto; Df9.9, 15, model:02, 03 # ) (Маховик, зажигание)

под заказ49920 руб.
236740-94771-000

Корпус предохранителя - Case Assy, Fuse (Case assy, fuse # ) (Корпус предохранителя)

под заказ4230 руб.
209481-25001-000

Предохранитель (25a) - Fuse (25a) (Fuse, 25a # Fuse (25a); # ) (Fuse)

под заказ220 руб.
209404-06432-000

Струбцина (l: 65) - Clamp (l:65) (Clamp (l:80) # Clamp, fuse case (l:65); # ) (Clamp (l:80))

8 шт170 руб.
209404-06039-000

   (актуальный код замены) Струбцина (l: 65) - Clamp (l:65)

под заказ170 руб.
202142-05127-000

Винт - Screw (Болт)

под заказ150 руб.
336810-93E20-000

Lead, Neutral Limit Me - Lead, Neutral Limit Me (Проводка нейтрального ограничителя)

под заказ980 руб.
438423-95510-000

Трубка провода переключателя (l: 250) - Tube, Switch Lead (l:250) (Tube (l:150); # )

под заказ610 руб.
433833-91J00-000

   (актуальный код замены) Трубка провода переключателя (l: 250) - Tube, Switch Lead (l:250)

под заказ610 руб.
433833-91J00-000

Трубка провода переключателя (l: 250) - Tube, Switch Lead (l:250) (Tube # ) (Труба)

под заказ610 руб.
531101-95D20-Z11

Motor Set, Starting - Motor Set, Starting (Motor set, starting (white); # ) (Комплект мотора)

под заказ0 руб.
531101-95D20-0EP

Motor Set, Starting - Motor Set, Starting (Motor set, starting (black); # ) (Комплект мотора)

под заказ105120 руб.
632800-95D01-000

Выпрямитель в сборе - Rectifier Assy (Rectifier assy; # ) (Rectifier assy)

под заказ10760 руб.
632800-95D02-000

   (актуальный код замены) Выпрямитель в сборе - Rectifier Assy

1 шт10760 руб.
702142-05307-000

Винт - Screw (Screw # ) (Винт)

под заказ170 руб.
833800-93E00-000

Запчасть снята с производства - The Spare Part Is Laid Off

под заказ0 руб.
833800-93E10-000

Кабели & Переключатель Set, Starting - Cable & Switch Set, Starting (Df9.9 652501~model:03, df15 652501~model:03 # ) (Кабель и набор переключателей)

под заказ0 руб.
933810-93E02-000

Провод стартера - Cable Assy, Starter (Cable assy, starter # Cable assy, starting; # ) (Кабель стартера)

под заказ12240 руб.
1033811-96300-000

Пыльник кабеля стартера - Grommet, Starter Cable (Grommet, starter cable # Grommet, starting cable; # ) (Втулка стартовая)

под заказ290 руб.
1033811-94J00-000

   (актуальный код замены) Пыльник кабеля стартера - Grommet, Starter Cable

под заказ290 руб.
1133816-96300-000

Зажим кабеля - Clamp, Cable (Clamp, cable # Clamp, starting; # ) (Clamp)

под заказ520 руб.
1233820-93E01-000

Провод стартера Sub - Cable Assy, Starter Sub (Cable, starter sub # ) (Кабель стартера)

под заказ0 руб.
1337161-89E13-000

Выключатель - запуск двигателяt - Switch, Start (Switch, starting motor # Switch assy, starter; # ) (Переключатель старта)

6 шт3510 руб.
1409159-14014-000

Гайка - Nut (Nut # Nut, starter switch; # ) (Гайка 10MM)

16 шт320 руб.
1509403-09316-000

Струбцина - Clamp (Clamp, tilt limit lead # Clamp, battery sub; For 33800-93e00 # ) (Clamp)

под заказ160 руб.
1509403-09330-000

   (актуальный код замены) Струбцина, Tilt Limit Lead - Clamp, Tilt Limit Lead

под заказ160 руб.
1609404-08205-000

Струбцина (l: 45 T: 0.6) - Clamp (l:45 T:06) (Clamp (l:62) # Clamp, battery cable; # ) (Clamp (l:62))

под заказ170 руб.
1609404-08211-000

   (актуальный код замены) Струбцина (l: 45 T: 0.6) - Clamp (l:45 T:0.6)

под заказ170 руб.
1609404-06432-000

Струбцина (l: 65) - Clamp (l:65) (Clamp (l:80) # Clamp (l:65); For 33800-93e10 # ) (Clamp (l:80))

8 шт170 руб.
1609404-06039-000

   (актуальный код замены) Струбцина (l: 65) - Clamp (l:65)

под заказ170 руб.
1703242-06253-000

Винт - Screw (Screw, clamp; For 33800-93e00 # )

под заказ150 руб.
1703241-0625A-000

   (актуальный код замены) Винт - Screw

под заказ150 руб.
1703241-0625A-000

Винт - Screw (Screw # ) (Винт)

под заказ150 руб.
1837725-95300-000

Пускатель переключателя нейтрали - Actuator, Neutral Switch (Actuator, neutral sw # Actuator, neutral switch; For 33800-93e00 # ) (Силовой привод нейтральный)

под заказ710 руб.
1937721-94403-000

Выключатель нейтрали, в сборе - Switch Assy, Neutral (For 33800-93e00 # )

под заказ3700 руб.
1937721-94406-000

   (актуальный код замены) Выключатель нейтрали, в сборе - Switch Assy, Neutral

2 шт3700 руб.
1937721-94404-000

Выключатель нейтрали, в сборе - Switch Assy, Neutral (Switch assy, neutral)

под заказ3700 руб.
1937721-94406-000

   (актуальный код замены) Выключатель нейтрали, в сборе - Switch Assy, Neutral

2 шт3700 руб.
2037726-95D02-000

Кронштейн переключателя нейтрали - Bracket, Neutral Switch (Bracket, neutral sw # Bracket, neutral switch; For 33800-93e00 # ) (Кронштейн нейтральный)

под заказ770 руб.
2101550-06167-000

Болт - Bolt (Bolt, neutral switch; For 33800-93e00 # ) (Bolt)

9 шт210 руб.
2209407-14407-000

Струбцина (l: 145) - Clamp (l:145) (Band # Clamp (l:145); For 33800-93e10 # ) (Clamp (l:145))

9 шт230 руб.
2209407-14403-000

Струбцина (l: 125) - Clamp (l:125) (Clamp, spark plug cap # Clamp (l:125); For 33800-93e10 # ) (Clamp)

под заказ170 руб.


Время выполнения запроса 0.91222310066223 сек.

 
 

данный сайт носит информационный характер и не является публичной офертой

склад запчастей для водомоторной техники