| |
 |
|
 |
Вернуться к выбору узлов мотора
ДЕТАЛИРОВКА ДЛЯ МОДЕЛИ: SUZUKI DF9.9SK3(E1) K3
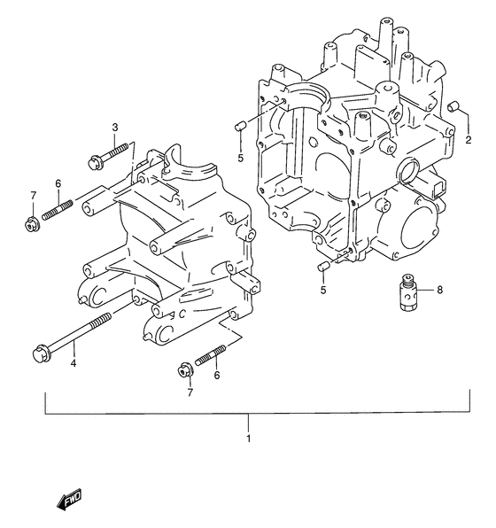
Блок цилиндра
Код модели двигателя: DF9.9S/L; DF9.9RS/L
Год выпуска двигателя: 2003
Регион: General Export No.1 ,Код региона: P01
Цвет: Shadow Black Metallic
Номер на рисунке | Артикул | Наименование | QTY | Кол-во на складе | Цена |
| 1 | 11301-93E00-Z11 | | | под заказ | нет сведений |
| 1 | 02112-36127-000 | Винт - Screw (Болт) | | под заказ | 190 руб. |
| 1 | 32160-93E10-000 | Катушка импульсов зажигания - Coil, Ignition Timing (Датчик импульсов) | | под заказ | 0 руб. |
| 1 | 11301-93E02-Z11 | Запчасть снята с производства - The Spare Part Is Laid Off (Df9.9 651600~, df15 651580~, # ) | | под заказ | 0 руб. |
| 1 | 11301-93E02-0EP | Блок цилиндра в сборе (чёрный) - Block Assy, Cylinder (black) (Model:99~03 # ) (Блок цилиндров) | | под заказ | 0 руб. |
| 2 | 09205-10006-000 | Стопор пружины (10.2x10) - Pin, Spring (102x10) (Pin, clutch notch spring # Pin (10.2x10); # ) (Pin) | | под заказ | 390 руб. |
| 3 | 01550-06357-000 | Болт - Bolt (Bolt, throttle lever no.2 # ) (Bolt) | | 9 шт | 210 руб. |
| 4 | 01560-08757-000 | Болт - Bolt (Bolt) | | под заказ | 290 руб. |
| 5 | 04221-06129-000 | Штифт - Pin (Pin (6x12) # Pin (6x12); For 11301-93e00-z11 # ) (Штифт 6X12) | | под заказ | 130 руб. |
| 5 | 04211-11129-000 | Штифт - Pin (Pin (11x12); Df9.9 651600~model:03, df15 651580~model:03 # ) (Pin) | | 14 шт | 150 руб. |
| 6 | 01421-06307-000 | Болт под шпильку - Bolt, Stud (Bolt, stud # Df9.9 652501~model:00, df15 652501~model:00 # ) (Болт) | | под заказ | 190 руб. |
| 7 | 08316-10067-000 | Гайка - Nut (Df9.9 652501~model:00, df15 652501~model:00 # ) (Гайка) | | под заказ | 170 руб. |
| 8 | 16440-11D00-000 | Регулятор, Моторное масло (6.5k) - Regulator, Engine Oil (65k) (Regulator, engine oil # Regulator, engine oil; # ) (Регулятор масла двигателя) | | под заказ | 3650 руб. |
Время выполнения запроса 1.5254950523376 сек. |
|