| |
 |
|
 |
Вернуться к выбору узлов мотора
ДЕТАЛИРОВКА ДЛЯ МОДЕЛИ: SUZUKI DF9.9SK4(P1) K4
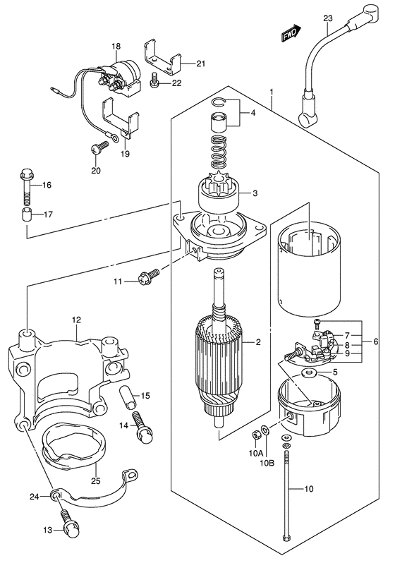
Двигатель электростартера
Код модели двигателя: DF9.9S/L; DF9.9RS/L
Год выпуска двигателя: 2004
Регион: General Export No.1 ,Код региона: P01
Цвет: Shadow Black Metallic
Номер на рисунке | Артикул | Наименование | QTY | Кол-во на складе | Цена |
| 1 | 31100-95D00-000 | Двигатель электростартера в сборе - Motor Assy, Starting (Motor, starting # Motor, starting; # ) (Мотор стартера) | | под заказ | 116160 руб. |
| 2 | 31310-96300-000 | Якорь - Armature (Armature, starter # Armature, starter; # ) (Отсутствующе) | | 2 шт | 45360 руб. |
| 3 | 31320-94400-000 | Комплект шестерёнок - Pinion Assy (Pinion assy; # ) (Шестерня) | | под заказ | 23620 руб. |
| 4 | 31312-96300-000 | Комплект стопора шестерни - Stopper Set, Pinion (Шайба стопорного комплекта) | | 2 шт | 1420 руб. |
| 5 | 31360-96300-000 | Установочная шайба - Washer Set (Washer kit # Washer kit; # ) (Шайба) | | под заказ | 1260 руб. |
| 6 | 31173-89J00-000 | Держатель щетки - Holder Assy, Brush (Держатель щётки) | | 1 шт | 7780 руб. |
| 7 | 31131-96300-000 | Щётка (+) - Brush (+) (Brush (+); # ) (Brush (+)) | | 2 шт | 2080 руб. |
| 8 | 31132-96300-000 | Щётка (-) - Brush (-) (Brush (-); # ) (Щётка (-)) | | 2 шт | 1110 руб. |
| 9 | 31135-89J00-000 | Пружина - Spring (Spring # ) (Пружина щетки) | | под заказ | 550 руб. |
| 10 | 31281-93340-000 | Сквозной болт - Bolt, Through (Bolt, starter housing # Bolt, starter housing; # ) (Bolt) | | под заказ | 410 руб. |
| 10 | 08310-00067-000 | Гайка - Nut (Nut # ) (Гайка) | | под заказ | 140 руб. |
| 10 | 08321-01067-000 | Шайба с блокировкой - Washer, Lock (Washer # ) (Шайба, стопорная) | | под заказ | 140 руб. |
| 11 | 02162-06167-000 | Болт - Bolt | | под заказ | 180 руб. |
| 11 | 01550-06167-000 | (актуальный код замены) Болт - Bolt | | 9 шт | 210 руб. |
| 11 | 01550-06167-000 | Болт - Bolt (Bolt) | | 9 шт | 210 руб. |
| 12 | 31911-95D00-0EP | Кронштейн, Двигатель электростартера (чёрный) - Bracket, Starting Motor (black) (Кронштейн стартера) | | под заказ | 0 руб. |
| 13 | 01550-08257-000 | Болт - Bolt (Bolt) | | под заказ | 300 руб. |
| 14 | 01550-08357-000 | Болт - Bolt (Bolt) | | под заказ | 260 руб. |
| 15 | 09180-08210-000 | Проставка (8.5x15x10) - Spacer (85x15x10) (Кольцо/шайба) | | под заказ | 340 руб. |
| 16 | 01550-06357-000 | Болт - Bolt (Bolt, throttle lever no.2 # ) (Bolt) | | 9 шт | 210 руб. |
| 17 | 04211-09189-000 | Штифт - Pin (Pin) | | под заказ | 120 руб. |
| 18 | 31800-94401-000 | Реле в сборе, Двигатель электростартера - Relay Assy, Starting Motor (Relay, starter # Relay, starting motor; # ) (Реле стартера) | | 2 шт | 14140 руб. |
| 19 | 38412-94700-000 | Кронштейн, Trim Реле - Bracket, Trim Relay (Bracket, trim relay # Bracket, relay; # ) (Кронштейн) | | под заказ | 0 руб. |
| 20 | 02112-36167-000 | Винт - Screw (Screw; # ) (Болт) | | под заказ | 170 руб. |
| 21 | 31805-95501-000 | Кронштейн, Двигатель электростартера Реле - Bracket, Starting Motor Relay (Bracket, starter relay # Bracket, starter relay; Opt # ) (Кронштейн реле) | | под заказ | 390 руб. |
| 22 | 02112-35127-000 | Винт - Screw (Screw, counting # Screw; Opt # ) (Винт 5X12) | | под заказ | 120 руб. |
| 23 | 33820-93E01-000 | Провод стартера Sub - Cable Assy, Starter Sub (Cable, starter sub # Cable, starter sub; # ) (Кабель стартера) | | под заказ | 0 руб. |
| 24 | 31912-95D00-000 | Ремешок двигателя стартера - Band, Starting Motor (Band # Opt # ) (Лента стартера) | | под заказ | 800 руб. |
| 25 | 31918-94401-000 | Демпфер, Lwr - Damper, Lwr (Damper # Opt # ) (Демпфер нижний) | | под заказ | 1040 руб. |
| 25 | 31918-94402-000 | (актуальный код замены) Нижний демпфер - Damper, Lower | | под заказ | 1040 руб. |
Время выполнения запроса 0.84127116203308 сек. |
|