|
 |
Раздел:
|
 |
Вернуться к выбору узлов мотора
ДЕТАЛИРОВКА ДЛЯ МОДЕЛИ: SUZUKI DF9.9SK5(P1) K5
Запчасти для дистанционного управления
Код модели двигателя: DF9.9S/L; DF9.9RS/L
Год выпуска двигателя: 2005
Регион: General Export No.1 ,Код региона: P01
Цвет: Shadow Black Metallic
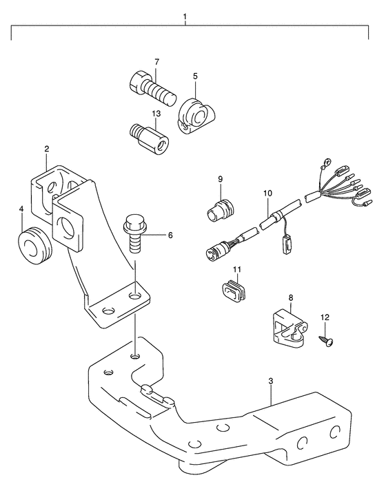
Номер на рисунке | Артикул | Наименование | QTY | Кол-во на складе | Цена |
1 | 67130-93E22-0EP | Parts в сборе, Remocon (чёрный) - Parts Assy, Remocon (black) (Переходники комплект) | | под заказ | 31680 руб. |
1 | 67130-93E23-0EP | (актуальный код замены) Parts в сборе, Remocon - Parts Assy, Remocon | | под заказ | 31680 руб. |
2 | 67340-93E11-0EP | Держатель кабеля дистанционного управления - Holder, Remocon Cable (Holder, remocon cable # ) (Зажим дистанционного кабеля) | | под заказ | 3120 руб. |
2 | 67340-93E11-000 | (актуальный код замены) Держатель кабеля дистанционного управления - Holder, Remocon Cable | | под заказ | 3120 руб. |
3 | 43755-93E02-0EP | Соединитель кронштейна рулевой системы (bl - Attachment, Steering Bracket (bl (Кронштейн фиксации) | | под заказ | 8500 руб. |
4 | 09308-08013-000 | Пыльник - Grommet (Grommet, throttle cable # Throttle # ) (Grommet) | | 10 шт | 260 руб. |
4 | 09308-08017-000 | (актуальный код замены) Пыльник - Grommet | | 9 шт | 220 руб. |
5 | 67467-93E01-000 | Коннектор кабеля дистанционного управления - Connector, Remocon Cable (Переходник) | | 5 шт | 930 руб. |
6 | 09116-06106-000 | Болт (6x20) - Bolt (6x20) (Bolt, holder (6x20); # ) | | под заказ | 290 руб. |
6 | 09116-06204-000 | (актуальный код замены) Болт (6x20) - Bolt (6x20) | | под заказ | 290 руб. |
6 | 09116-06204-000 | Болт (6x20) - Bolt (6x20) (Винт, 6X20) | | под заказ | 290 руб. |
7 | 09111-06064-000 | Болт (6x17) - Bolt (6x17) (Bolt, clutch control arm # ) (Bolt) | | 15 шт | 860 руб. |
8 | 33816-96300-000 | Зажим кабеля - Clamp, Cable (Clamp, cable # Clamp, cable; # ) (Clamp) | | под заказ | 520 руб. |
9 | 36612-92D00-000 | Пыльник - Grommet (Grommet # ) (Втулка) | | под заказ | 0 руб. |
10 | 36630-89E02-000 | Жгут проводов, в сборе - Harness Assy, Wiring (Harness, wiring # ) (Проводка) | | под заказ | 9600 руб. |
11 | 63625-94300-000 | Крышка тросика дросселя - Cap, Throttle Cable (Plug, switch leads # Plug, sw lead; # ) (Заглушка переключателя) | | под заказ | 340 руб. |
11 | 63625-94301-000 | (актуальный код замены) Крышка тросика дросселя - Cap, Throttle Cable | | под заказ | 340 руб. |
12 | 03242-06253-000 | Винт - Screw | | под заказ | 150 руб. |
12 | 03241-0625A-000 | (актуальный код замены) Винт - Screw | | под заказ | 150 руб. |
12 | 03241-0625A-000 | Винт - Screw (Screw # ) (Винт) | | под заказ | 150 руб. |
13 | 41141-89E00-000 | Соединитель рулевой системы Кабели - Attachment, Steering Cable (Кабель фиксации) | | под заказ | 12680 руб. |
Время выполнения запроса 1.2155888080597 сек. |
|