Комплектующие на подвесной лодочный мотор Suzuki DF9.9S/L; DF9.9RS/L - Cylinder head / Головка блока цилиндра
вконтакте

Контактный телефон: +7 (981) 121-46-93, +7 (800) 200-90-76 , Email: parts-katalog@yandex.ru, где купить

 
 

  Логин:

Пароль:

Регистрация

www.partskatalog.ru Все каталоги Запчасти Mercury Запчасти Suzuki Запчасти Tohatsu Запчасти Honda Контакты



УВАЖАЕМЫЕ КЛИЕНТЫ!
C 19 ДЕКАБРЯ 2025 ПО 02 МАРТА 2026 ГОДА ОТДЕЛ ЗАПЧАСТЕЙ И СЕРВИС РАБОТАТЬ НЕ БУДУТ
ПРОДАЖА ЛОДОЧНЫХ МОТОРОВ В ШТАТНОМ РЕЖИМЕ
ОБ ИЗМЕНЕНИЯХ В ГРАФИКЕ РАБОТЫ ЧИТАЙТЕ НА САЙТА



Раздел:   вперёд

Вернуться к выбору узлов мотора


ДЕТАЛИРОВКА ДЛЯ МОДЕЛИ: SUZUKI DF9.9RS K5

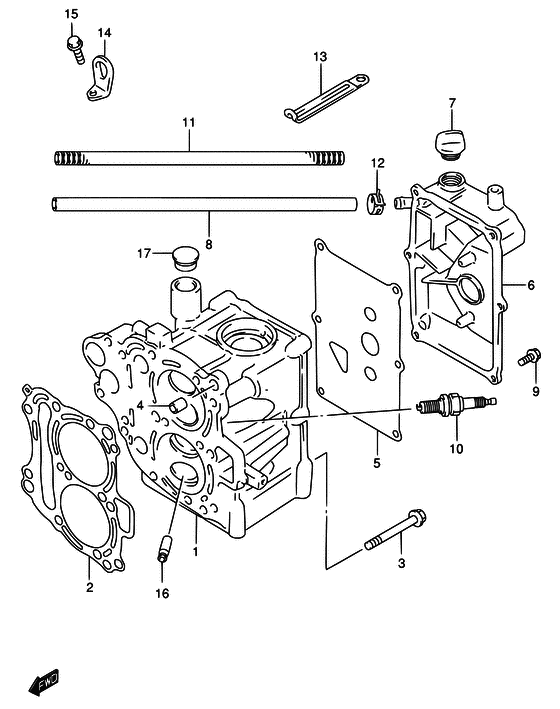
Головка блока цилиндра


Код модели двигателя: DF9.9S/L; DF9.9RS/L

Год выпуска двигателя: 2005

Регион: General Export No.1 ,Код региона: P01

Цвет: Shadow Black Metallic

Номер на
рисунке
АртикулНаименованиеQTYКол-во
на складе
Цена
111110-93E11-0EP

Головка цилиндра (чёрный) - Head, Cylinder (black) (Голова цилиндр)

под заказ0 руб.
211141-93E20-000

Прокладка головки блока цилиндра - Gasket, Cylinder Head (Прокладка головки цилиндров)

4 шт3100 руб.
309116-08110-000

Болт (8x65) - Bolt (8x65) (Bolt # ) (Bolt (8x65))

под заказ600 руб.
404211-11129-000

Штифт - Pin (Pin)

14 шт150 руб.
511162-93E01-000

Прокладка крышки головки блока цилиндра - Gasket, Cylinder Head Cover (Прокладка крышки)

6 шт1610 руб.
5SMO-11162-93E00-000

   (не оригинальный аналог) Прокладка SMO-11162-93E00-000 крышки головки блока цилиндра (давно лежит) - оригинал Suzuki

под заказ1080 руб.
611170-93E00-0EP

Крышка головки цилиндра (чёрный) - Cover, Cylinder Head (black) (Крышка)

под заказ0 руб.
709200-20810-000

Заглушка Set - Plug Set (Cap, oil filler # ) (Крышка)

под заказ510 руб.
709200-20811-000

   (актуальный код замены) Заглушка Set - Plug Set

под заказ510 руб.
811196-94J00-320

Шланг сапуна (l: 320) - Hose, Breather (l:320) (Hose, breather # ) (Шланг водный)

под заказ350 руб.
909103-06186-000

Болт - Bolt

под заказ180 руб.
901550-06167-000

   (актуальный код замены) Болт - Bolt

9 шт210 руб.
901550-06167-000

Болт - Bolt (Bolt)

9 шт210 руб.
1009482-00446-000

Свеча зажигания (ngk Dcpr6e) - Plug, Spark (ngk Dcpr6e) (<-59482-94J00 # ) (Свеча зажигания)

101 шт1480 руб.
1116919-94J20-280

Защита трубки сапуна (l: 280) - Protector, Breather Hose (l:280) (Protector, breather hose # ) (Protector)

под заказ280 руб.
1209401-12405-000

Зажим - Clip (Clip)

под заказ170 руб.
1309404-08207-000

Струбцина (l: 80) - Clamp (l:80) (Clamp)

под заказ170 руб.
1309404-08212-000

   (актуальный код замены) Струбцина - Clamp

под заказ170 руб.
1411291-91B50-000

Крюк двигателя - Hook, Engine (OPT # ) (Крюк двигателя)

под заказ900 руб.
1501550-08207-000

Болт - Bolt (OPT # ) (Bolt)

10 шт240 руб.
1611115-93E00-001

Направляющая клапана (os: 0.3) - Guide, Valve (os:03) (OPT # ) (Направляющая клапана)

1 шт2520 руб.
1709250-10006-000

Заглушка (od: 16) - Plug (od:16) (Plug, oil level gauge hole # ) (Cap)

под заказ150 руб.


Время выполнения запроса 1.3483350276947 сек.

 
 

данный сайт носит информационный характер и не является публичной офертой

склад запчастей для водомоторной техники