Комплектующие на лодочный мотор Сузуки DF9.9S/L; DF9.9RS/L модель 2005 года - Кронштейн транца / Clamp bracket
вконтакте

Контактный телефон: +7 (981) 121-46-93, +7 (800) 200-90-76 , Email: parts-katalog@yandex.ru, где купить

 
 

  Логин:

Пароль:

Регистрация

www.partskatalog.ru Все каталоги Запчасти Mercury Запчасти Suzuki Запчасти Tohatsu Запчасти Honda Контакты



УВАЖАЕМЫЕ КЛИЕНТЫ!
C 19 ДЕКАБРЯ 2025 ПО 02 МАРТА 2026 ГОДА ОТДЕЛ ЗАПЧАСТЕЙ И СЕРВИС РАБОТАТЬ НЕ БУДУТ
ПРОДАЖА ЛОДОЧНЫХ МОТОРОВ В ШТАТНОМ РЕЖИМЕ
ОБ ИЗМЕНЕНИЯХ В ГРАФИКЕ РАБОТЫ ЧИТАЙТЕ НА САЙТА



назад Раздел:   вперёд

Вернуться к выбору узлов мотора


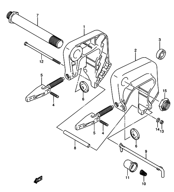
ДЕТАЛИРОВКА ДЛЯ МОДЕЛИ: SUZUKI DF9.9S K5

Кронштейн транца


Код модели двигателя: DF9.9S/L; DF9.9RS/L

Год выпуска двигателя: 2005

Регион: General Export No.1 ,Код региона: P01

Цвет: Shadow Black Metallic

Номер на
рисунке
АртикулНаименованиеQTYКол-во
на складе
Цена
141111-94J00-0EP

Кронштейн правого зажима - Bracket, Clamp Stbd

под заказ20160 руб.
141111-94J20-0EP

   (актуальный код замены) Кронштейн правого зажима - Bracket, Clamp Stbd

под заказ20160 руб.
141111-94J20-0EP

Кронштейн правого зажима - Bracket, Clamp Stbd (Bracket, clamp stbd)

под заказ20160 руб.
141111-94J20-0EP

Кронштейн правого зажима - Bracket, Clamp Stbd (MODEL:10& # ) (Bracket, clamp stbd)

под заказ20160 руб.
241121-94J00-0EP

Кронштейн левого зажима - Bracket, Clamp Port

под заказ14600 руб.
241121-94J20-0EP

   (актуальный код замены) Кронштейн левого зажима - Bracket, Clamp Port

под заказ14600 руб.
241121-94J20-0EP

Кронштейн левого зажима - Bracket, Clamp Port (Bracket, clamp port)

под заказ14600 руб.
241121-94J20-0EP

Кронштейн левого зажима - Bracket, Clamp Port (MODEL:10~ # ) (Bracket, clamp port)

под заказ14600 руб.
341161-94400-000

Сальник рулевого кабеля - Seal, Steering Cable (Seal, steering cable # DF9.9R/15R # ) (Уплотение кабеля)

16 шт1530 руб.
409205-06007-000

Стопор пружины (6x25) - Pin, Spring (6x25) (Pin (6x27) # ) (Pin)

13 шт170 руб.
541210-89E00-000

Винт струбцины, в сборе - Screw Assy, Clamp (OPT # )

под заказ2910 руб.
541210-89E11-000

   (актуальный код замены) Винт струбцины, в сборе - Screw Assy, Clamp

2 шт3140 руб.
541210-89E11-000

Винт струбцины, в сборе - Screw Assy, Clamp (Screw assy, clamp)

2 шт3140 руб.
541210-89E10-000

Винт струбцины, в сборе - Screw Assy, Clamp (DF15:110001~ # )

под заказ2910 руб.
541210-89E11-000

   (актуальный код замены) Винт струбцины, в сборе - Screw Assy, Clamp

2 шт3140 руб.
541210-89E11-000

Винт струбцины, в сборе - Screw Assy, Clamp (Screw assy, clamp)

2 шт3140 руб.
641213-98100-000

Пластина струбцины - Plate, Clamp (Plate, clamp # ) (Плата струбцины)

под заказ390 руб.
641213-94J01-000

   (актуальный код замены) Пластина струбцины - Plate, Clamp

под заказ420 руб.
741130-89E20-000

Труба кронштейна транца - Shaft, Clamp Bracket

под заказ11040 руб.
741130-90L00-000

   (актуальный код замены) Труба кронштейна транца - Shaft, Clamp Bracket

под заказ11040 руб.
741130-90L00-000

Труба кронштейна транца - Shaft, Clamp Bracket (Shaft, clamp bracket)

под заказ11040 руб.
741130-93E02-000

Труба кронштейна транца - Shaft, Clamp Bracket (DF9.9R/15R # )

под заказ6820 руб.
741130-93E03-000

   (актуальный код замены) Труба кронштейна транца - Shaft, Clamp Bracket

под заказ6820 руб.
741130-93E03-000

Труба кронштейна транца - Shaft, Clamp Bracket (Shaft, clamp bracket)

под заказ6820 руб.
809180-06163-000

Проставка (6.5x10.5x104) - Spacer (65x105x104) (Кольцо/шайба)

под заказ540 руб.
945420-94J01-000

Штифт блокировки наклона - Pin, Tilt Lock

под заказ3890 руб.
945420-99JM1-000

   (актуальный код замены) Штифт Comp, Tilt Lock - Pin Comp, Tilt Lock

1 шт3890 руб.
945420-99JM0-000

Штифт блокировки наклона - Pin, Tilt Lock (Pin comp, tilt lock)

10 шт3890 руб.
945420-99JM1-000

   (актуальный код замены) Штифт Comp, Tilt Lock - Pin Comp, Tilt Lock

1 шт3890 руб.
945420-99J00-000

Штифт блокировки наклона - Pin, Tilt Lock (MODEL:10~ # )

под заказ3890 руб.
945420-99JM1-000

   (актуальный код замены) Штифт Comp, Tilt Lock - Pin Comp, Tilt Lock

1 шт3890 руб.
945420-99JL0-000

Штифт блокировки наклона - Pin, Tilt Lock (DF15:110001~ # )

под заказ3890 руб.
945420-99JM1-000

   (актуальный код замены) Штифт Comp, Tilt Lock - Pin Comp, Tilt Lock

1 шт3890 руб.
1009441-17001-000

Пружина - Spring (Пружина)

11 шт220 руб.
1145425-94J00-000

Стопор штифта ограничителя наклона - Stopper, Tilt Lock Pin

под заказ160 руб.
1145425-94J01-000

   (актуальный код замены) Стопор штифта ограничителя наклона - Stopper, Tilt Lock Pin

17 шт190 руб.
1209100-06125-000

Болт (6x140) - Bolt (6x140)

под заказ470 руб.
1209100-06177-000

   (актуальный код замены) Болт (6x140) - Bolt (6x140)

9 шт470 руб.
1209100-06177-000

Болт (6x140) - Bolt (6x140) (Bolt, clamp bracket lower (l140))

9 шт470 руб.
1323118-94J00-000

Гайка - Nut

под заказ170 руб.
1329141-93J00-000

   (актуальный код замены) Гайка - Nut

18 шт480 руб.
1329141-93J00-000

Гайка - Nut (Гайка)

18 шт480 руб.
1409160-06082-000

Шайба (6.5x13x1.0) - Washer (65x13x10) (Washer # ) (Шайба)

7 шт150 руб.
1509159-22006-000

Гайка - Nut (Гайка)

8 шт1950 руб.


Время выполнения запроса 2.3395819664001 сек.

 
 

данный сайт носит информационный характер и не является публичной офертой

склад запчастей для водомоторной техники