| |
 |
|
 |
Вернуться к выбору узлов мотора
ДЕТАЛИРОВКА ДЛЯ МОДЕЛИ: SUZUKI DF9.9RS K6
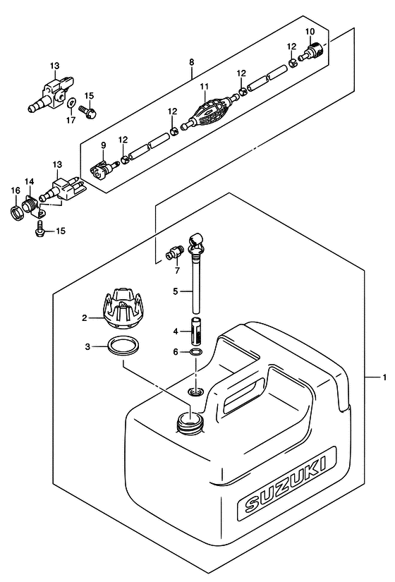
Топливный бак
Код модели двигателя: DF9.9S/L; DF9.9RS/L
Год выпуска двигателя: 2006
Регион: General Export No.1 ,Код региона: P01
Цвет: Shadow Black Metallic
Номер на рисунке | Артикул | Наименование | QTY | Кол-во на складе | Цена |
| 1 | 65000-99100-000 | Топливный бак в сборе (12 литров) - Tank Assy, Fuel (12l) (Tank assy, fuel (12l) # ) (Бак топливный (12L)) | | под заказ | 15700 руб. |
| 2 | 65520-99100-000 | Крышка горловины топливного бака, в сборе - Cap Assy, Fuel Tank (Cap assy, fuel tank # ) (Крышка топливного бака) | | 1 шт | 5480 руб. |
| 3 | 65561-95D00-000 | Прокладка крышка топливного бака - Gasket, Tank Cap (Gasket, tank cap # ) (Прокладка бака) | | 1 шт | 430 руб. |
| 4 | 65831-95D00-000 | Выходной фильтр - Filter, Outlet (Filter, outlet # ) (Фильтр топливный) | | 5 шт | 1270 руб. |
| 5 | 65890-99100-000 | выход в сборе - Outlet Assy (Outlet # ) (Выход) | | под заказ | 4950 руб. |
| 6 | 65892-95D00-000 | Уплотнительное кольцо топливного выхода - O Ring, Fuel Outlet (O-ring, fuel outlet # ) (Кольцо топливного выхода) | | под заказ | 440 руб. |
| 7 | 65740-99100-000 | Разъем топливного коннектора - Plug, Fuel Connector (Заглушка топливного соединения) | | 8 шт | 3530 руб. |
| 7 | SF80210-3 | (не оригинальный аналог) Адаптер топливный SUNFINE тип Suzuki, Mercury, Tohatsu 65740-99100 | | под заказ | 1270 руб. |
| 8 | 65700-91J13-000 | Топливный шланг (от бака до коннектораector) - Hose, Fuel (tank To Connector) | | 2 шт | 14310 руб. |
| 8 | 65700-94JD5-000 | (актуальный код замены) Топливный шланг (от бака до коннектора) - Hose, Fuel (tank To Conn) | | под заказ | 14310 руб. |
| 8 | 65700-94JD1-000 | Топливный шланг (от бака до коннектораector) - Hose, Fuel (tank To Connector) (Hose comp, fuel (tank to conn)) | | под заказ | 14310 руб. |
| 8 | 65700-94JD5-000 | (актуальный код замены) Топливный шланг (от бака до коннектора) - Hose, Fuel (tank To Conn) | | под заказ | 14310 руб. |
| 9 | 65750-87J11-000 | Разъём топливного шланга - Socket, Fuel Hose (Переходник топливный) | | 9 шт | 2930 руб. |
| 9 | SF80212-7 | (не оригинальный аналог) Коннектор топливный SUNFINE тип Suzuki, Johnson, Evinrude, OMC, Honda, 9мм, 775641 | | под заказ | 1240 руб. |
| 10 | 65750-98505-000 | Разъём топливного шланга - Socket, Fuel Hose (Socket, fuel hose (out) # ) (Гнездо топливного шланга) | | 2 шт | 3240 руб. |
| 10 | 65750-98506-000 | (актуальный код замены) Разъём топливного шланга - Socket, Fuel Hose | | под заказ | 3240 руб. |
| 11 | 65770-93904-000 | Запчасть снята с производства - The Spare Part Is Laid Off | | под заказ | 0 руб. |
| 12 | 65781-98500-000 | Зажим топливного шланга - Clip, Fuel Hose (Clip # ) (Крепёж шланга) | | 9 шт | 350 руб. |
| 13 | 65720-986B0-000 | Разъем топливного коннектора - Plug, Fuel Connector | | под заказ | 5810 руб. |
| 13 | 65720-986L0-000 | (актуальный код замены) Разъем топливного коннектора - Plug, Fuel Connector | | 5 шт | 6330 руб. |
| 13 | 65720-986L0-000 | Разъем топливного коннектора - Plug, Fuel Connector (Plug, fuel connector) | | 5 шт | 6330 руб. |
| 14 | 65760-93E01-000 | Кронштейн, Топливный коннектор - Bracket, Fuel Connector (MODEL:04 # ) (Кронштейн топливного соедилителя) | | под заказ | 3220 руб. |
| 15 | 09103-06237-000 | Болт (6x12.5) - Bolt (6x125) (Bolt, fuel connector plug # ) (Bolt (6x12.5)) | | под заказ | 260 руб. |
| 16 | 09140-16033-000 | Гайка - Nut (MODEL:04 # ) (Гайка) | | под заказ | 230 руб. |
| 17 | 09160-06085-000 | Шайба (6.5x15x1) - Washer (65x15x1) (Washer (6.5x15x1.0) # MODEL:05~ # ) (Шайба) | | под заказ | 120 руб. |
Время выполнения запроса 0.71786904335022 сек. |
|