Подобрать запчасти на лодочный мотор Сузуки модель 2007 года - Fuel pump / Топливный насос
вконтакте

Контактный телефон: +7 (981) 121-46-93, +7 (800) 200-90-76 , Email: parts-katalog@yandex.ru, где купить

 
 

  Логин:

Пароль:

Регистрация

www.partskatalog.ru Все каталоги Запчасти Mercury Запчасти Suzuki Запчасти Tohatsu Запчасти Honda Контакты



УВАЖАЕМЫЕ КЛИЕНТЫ!
C 19 ДЕКАБРЯ 2025 ПО 02 МАРТА 2026 ГОДА ОТДЕЛ ЗАПЧАСТЕЙ И СЕРВИС РАБОТАТЬ НЕ БУДУТ
ПРОДАЖА ЛОДОЧНЫХ МОТОРОВ В ШТАТНОМ РЕЖИМЕ
ОБ ИЗМЕНЕНИЯХ В ГРАФИКЕ РАБОТЫ ЧИТАЙТЕ НА САЙТА



назад Раздел:   вперёд

Вернуться к выбору узлов мотора


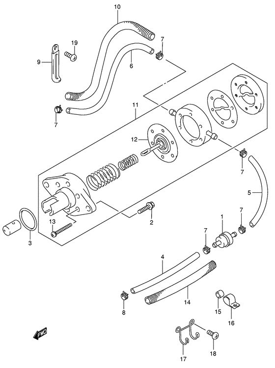
ДЕТАЛИРОВКА ДЛЯ МОДЕЛИ: SUZUKI DF9.9RSK7(P1) K7

Топливный насос


Год выпуска двигателя: 2007

Номер на
рисунке
АртикулНаименованиеQTYКол-во
на складе
Цена
115410-98500-000

Топливный фильтр - Filter, Fuel (Filter assy, fuel # Filter assy, fuel; # ) (Фильтр топливный)

40 шт1600 руб.
115410-98500

   (не оригинальный аналог) Топливный фильтр Suzuki 15410-98500

под заказ590 руб.
201550-06257-000

Болт - Bolt (Bolt)

под заказ180 руб.
309280-26005-000

Уплотнительное кольцо (d: 2.4, Id: 26.2) - O Ring (d:24, Id:262) (O ring (d:2.4, id:26.2) # O ring (d:2.4 id:26.2); # ) (O ring (dd:2.4, id:26.2))

11 шт200 руб.
409359-50823-600

Шланг (5x8.2x600) - Hose (5x82x600) (Hose, fuel (conn to filter) # Hose, fuel (conn to filter); L:600->70 # ) (Шланг топливный)

1 шт810 руб.
409359-50824-600

   (актуальный код замены) Шланг (5x8.2x600) - Hose (5x8.2x600)

2 шт810 руб.
515211-91J00-060

Топливный шланг (Фильтр To Помпа) - Hose, Fuel (filter To Pump) (Hose, fuel (filter to pump); # ) (Шланг топливный)

под заказ230 руб.
515211-91J01-060

   (актуальный код замены) Топливный шланг (Фильтр To Помпа) - Hose, Fuel (filter To Pump)

под заказ230 руб.
615211-91J00-640

Топливный шланг (от насоса к карбюратору) - Hose, Fuel (pump To Carb) (Hose, fuel (pump to carb); # ) (Шланг топливный)

под заказ430 руб.
615211-91J01-640

   (актуальный код замены) Топливный шланг (от насоса к карбюратору) - Hose, Fuel (pump To Carb)

под заказ430 руб.
709401-08411-000

Зажим - Clip (Clip)

8 шт130 руб.
809401-10409-000

Зажим - Clip (Clip # ) ( (ca) clip)

под заказ170 руб.
909404-06432-000

Струбцина (l: 65) - Clamp (l:65) (Clamp (l:80) # Clamp (l:65); # ) (Clamp (l:80))

8 шт170 руб.
909404-06039-000

   (актуальный код замены) Струбцина (l: 65) - Clamp (l:65)

под заказ170 руб.
1016919-93E00-000

Защита (14.1x10.7x560) - Protector (141x107x560) (Protector (l:560); # ) (Protector (l:560))

под заказ480 руб.
1115100-93E00-000

Топливный насос, в сборе - Pump Assy, Fuel

под заказ24480 руб.
1115100-93E02-000

   (актуальный код замены) Топливный насос, в сборе - Pump Assy, Fuel

под заказ24480 руб.
1115100-93E01-000

Топливный насос, в сборе - Pump Assy, Fuel (Pump assy, fuel)

2 шт24480 руб.
1115100-93E02-000

   (актуальный код замены) Топливный насос, в сборе - Pump Assy, Fuel

под заказ24480 руб.
1215170-99E00-000

Диафрагма Set - Diaphragm Set (Diaphragm set; # )

под заказ9220 руб.
1215170-99E1V-000

   (актуальный код замены) Диафрагма Set - Diaphragm Set

2 шт9220 руб.
1215170-99E1V-000

Диафрагма Set - Diaphragm Set (Комплект диафрагмы)

2 шт9220 руб.
1315251-93E00-000

Винт - Screw

под заказ230 руб.
1315251-93E01-000

   (актуальный код замены) Винт - Screw

под заказ230 руб.
1416919-93E00-000

Защита (14.1x10.7x560) - Protector (141x107x560) (Protector (l:560); L:560->00, # ) (Protector (l:560))

под заказ480 руб.
1509180-06300-000

Проставка (6.5x12x9) - Spacer (65x12x9) (Spacer # Df15r # ) (Прокладка)

под заказ310 руб.
1609403-14204-000

Струбцина - Clamp (Clamp # ) (Протектор)

под заказ230 руб.
1609403-14415-000

   (актуальный код замены) Струбцина - Clamp

под заказ230 руб.
1765792-93E10-000

Струбцина топливного шланга - Clamp, Fuel Hose (Шланг топливный)

под заказ1180 руб.
1809125-06069-000

Винт (6x12) - Screw (6x12) (Screw # Screw (6x12); # ) (Винт 6X12 (SUS))

под заказ180 руб.
1902112-06127-000

Винт - Screw (Болт)

под заказ140 руб.


Время выполнения запроса 1.1971580982208 сек.

 
 

данный сайт носит информационный характер и не является публичной офертой

склад запчастей для водомоторной техники