Купить оригинальные запчасти на подвесной лодочный мотор Suzuki - Запчасти для дистанционного управления
вконтакте

Контактный телефон: +7 (981) 121-46-93, +7 (800) 200-90-76 , Email: parts-katalog@yandex.ru, где купить

 
 

  Логин:

Пароль:

Регистрация

www.partskatalog.ru Все каталоги Запчасти Mercury Запчасти Suzuki Запчасти Tohatsu Запчасти Honda Контакты



УВАЖАЕМЫЕ КЛИЕНТЫ!
C 19 ДЕКАБРЯ 2025 ПО 02 МАРТА 2026 ГОДА ОТДЕЛ ЗАПЧАСТЕЙ И СЕРВИС РАБОТАТЬ НЕ БУДУТ
ПРОДАЖА ЛОДОЧНЫХ МОТОРОВ В ШТАТНОМ РЕЖИМЕ
ОБ ИЗМЕНЕНИЯХ В ГРАФИКЕ РАБОТЫ ЧИТАЙТЕ НА САЙТА



назад Раздел:   вперёд

Вернуться к выбору узлов мотора


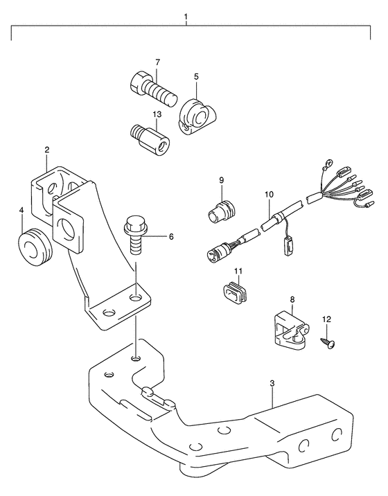
ДЕТАЛИРОВКА ДЛЯ МОДЕЛИ: SUZUKI DF9.9RSK7(P1) K7

Запчасти для дистанционного управления


Год выпуска двигателя: 2007

Номер на
рисунке
АртикулНаименованиеQTYКол-во
на складе
Цена
167130-93E22-0EP

Parts в сборе, Remocon (чёрный) - Parts Assy, Remocon (black) (Переходники комплект)

под заказ31680 руб.
167130-93E23-0EP

   (актуальный код замены) Parts в сборе, Remocon - Parts Assy, Remocon

под заказ31680 руб.
267340-93E11-0EP

Держатель кабеля дистанционного управления - Holder, Remocon Cable (Holder, remocon cable # ) (Зажим дистанционного кабеля)

под заказ3120 руб.
267340-93E11-000

   (актуальный код замены) Держатель кабеля дистанционного управления - Holder, Remocon Cable

под заказ3120 руб.
343755-93E02-0EP

Соединитель кронштейна рулевой системы (bl - Attachment, Steering Bracket (bl (Кронштейн фиксации)

под заказ8500 руб.
409308-08013-000

Пыльник - Grommet (Grommet, throttle cable # Throttle # ) (Grommet)

10 шт260 руб.
409308-08017-000

   (актуальный код замены) Пыльник - Grommet

9 шт220 руб.
567467-93E01-000

Коннектор кабеля дистанционного управления - Connector, Remocon Cable (Переходник)

5 шт930 руб.
609116-06106-000

Болт (6x20) - Bolt (6x20) (Bolt, holder (6x20); # )

под заказ290 руб.
609116-06204-000

   (актуальный код замены) Болт (6x20) - Bolt (6x20)

под заказ290 руб.
609116-06204-000

Болт (6x20) - Bolt (6x20) (Винт, 6X20)

под заказ290 руб.
709111-06064-000

Болт (6x17) - Bolt (6x17) (Bolt, clutch control arm # ) (Bolt)

15 шт860 руб.
833816-96300-000

Зажим кабеля - Clamp, Cable (Clamp, cable # Clamp, cable; # ) (Clamp)

под заказ520 руб.
936612-92D00-000

Пыльник - Grommet (Grommet # ) (Втулка)

под заказ0 руб.
1036630-89E02-000

Жгут проводов, в сборе - Harness Assy, Wiring (Harness, wiring # ) (Проводка)

под заказ9600 руб.
1163625-94300-000

Крышка тросика дросселя - Cap, Throttle Cable (Plug, switch leads # Plug, sw lead; # ) (Заглушка переключателя)

под заказ340 руб.
1163625-94301-000

   (актуальный код замены) Крышка тросика дросселя - Cap, Throttle Cable

под заказ340 руб.
1203242-06253-000

Винт - Screw

под заказ150 руб.
1203241-0625A-000

   (актуальный код замены) Винт - Screw

под заказ150 руб.
1203241-0625A-000

Винт - Screw (Screw # ) (Винт)

под заказ150 руб.
1341141-89E00-000

Соединитель рулевой системы Кабели - Attachment, Steering Cable (Кабель фиксации)

под заказ12680 руб.


Время выполнения запроса 0.88027501106262 сек.

 
 

данный сайт носит информационный характер и не является публичной офертой

склад запчастей для водомоторной техники