Найти запчасти на подвесной мотор Suzuki DF9.9S/L; DF9.9RS/L модель 2007 года - Карбюратор - Carburetor
вконтакте

Контактный телефон: +7 (981) 121-46-93, +7 (800) 200-90-76 , Email: parts-katalog@yandex.ru, где купить

 
 

  Логин:

Пароль:

Регистрация

www.partskatalog.ru Все каталоги Запчасти Mercury Запчасти Suzuki Запчасти Tohatsu Запчасти Honda Контакты



УВАЖАЕМЫЕ КЛИЕНТЫ!
C 19 ДЕКАБРЯ 2025 ПО 02 МАРТА 2026 ГОДА ОТДЕЛ ЗАПЧАСТЕЙ И СЕРВИС РАБОТАТЬ НЕ БУДУТ
ПРОДАЖА ЛОДОЧНЫХ МОТОРОВ В ШТАТНОМ РЕЖИМЕ
ОБ ИЗМЕНЕНИЯХ В ГРАФИКЕ РАБОТЫ ЧИТАЙТЕ НА САЙТА



назад Раздел:   вперёд

Вернуться к выбору узлов мотора


ДЕТАЛИРОВКА ДЛЯ МОДЕЛИ: SUZUKI DF9.9RS K7

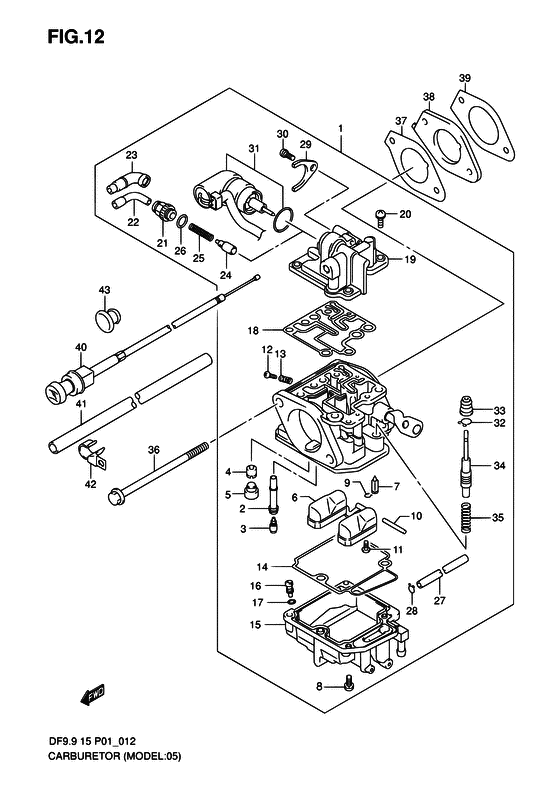
Карбюратор


Код модели двигателя: DF9.9S/L; DF9.9RS/L

Год выпуска двигателя: 2007

Регион: General Export No.1 ,Код региона: P01

Цвет: Shadow Black Metallic

Номер на
рисунке
АртикулНаименованиеQTYКол-во
на складе
Цена
113200-94J20-000

Карбюратор в сборе - Carburetor Assy (DF9.9 # ) (Карбюратор)

под заказ56640 руб.
113200-94J30-000

Карбюратор в сборе - Carburetor Assy (DF9.9R # ) (Карбюратор)

под заказ62880 руб.
113200-94J32-000

   (актуальный код замены) Карбюратор в сборе - Carburetor Assy

под заказ62880 руб.
113200-94J60-000

Карбюратор в сборе - Carburetor Assy (DF15 # ) (Карбюратор)

под заказ56640 руб.
113200-94J70-000

Карбюратор в сборе - Carburetor Assy (DF15R # ) (Карбюратор)

под заказ62880 руб.
113200-94J72-000

   (актуальный код замены) Карбюратор в сборе - Carburetor Assy

под заказ62880 руб.
213236-94J00-000

Главная форсунка - Nozzle, Main (DF15/15R # ) (Распылитель главный)

1 шт2790 руб.
213236-94J10-000

Главная форсунка - Nozzle, Main (DF9.9 # ) (Распылитель главный)

под заказ2790 руб.
309491-70017-000

Главная форсунка (70) - Jet, Main (70) (DF9.9/9.9R # ) (Жиклер главный (70))

под заказ1460 руб.
309491-23029-000

Главная форсунка (115) - Jet, Main (115) (DF15/15R # ) (Жиклер главный (115))

1 шт1460 руб.
409492-38009-000

Контрольная форсунка (38) - Jet, Pilot (38) (DF9.9/9.9R # ) (Жиклер (38))

под заказ1460 руб.
409492-40029-000

Контрольная форсунка (40) - Jet, Pilot (40) (DF15/15R # ) (Жиклер (40))

под заказ1460 руб.
513239-94J00-000

Колпачок резинки - Cap, Rubber (Крышка резиновая)

1 шт690 руб.
613250-94J00-000

Поплавок - Float (Поплавок)

под заказ4010 руб.
713370-94J00-000

Клапан поплавка - Valve, Float (Клапан)

5 шт2100 руб.
813247-94J00-000

Винт - Screw (Болт)

под заказ760 руб.
913375-26E00-000

Зажим - Clip (Clip)

под заказ430 руб.
1013254-94J00-000

Штифт, Рычаг - Pin, Arm (Штифт ручки)

под заказ290 руб.
1113802-94J00-000

Винт - Screw (Болт)

под заказ280 руб.
1213534-94J00-000

Винт стопора - Screw, Stop (Винт стопорный)

под заказ700 руб.
1313268-94J00-000

Пружина - Spring (Пружина)

под заказ370 руб.
1413251-94J00-000

Прокладка поплавковой камеры - Gasket, Float Cahmber (Прокладка камеры)

2 шт1600 руб.
1513245-94J00-000

Chamber в сборе, Поплавок - Chamber Assy, Float (DF9.9 ->13240-94J00 CHAMBER ASSY INC.NO.14~17, 27, 28 # )

под заказ11090 руб.
1513240-94J00-000

   (актуальный код замены) Chamber в сборе, Поплавок - Chamber Assy, Float

под заказ11090 руб.
1513240-94J00-000

Chamber в сборе, Поплавок - Chamber Assy, Float (Chamber assy, float)

под заказ11090 руб.
1513245-94J10-000

Chamber в сборе, Поплавок - Chamber Assy, Float (DF9.9R ->13240-94J10 CHAMBER ASSY INC.NO.14~17, 27, 28 # )

под заказ11090 руб.
1513240-94J10-000

   (актуальный код замены) Chamber в сборе, Поплавок - Chamber Assy, Float

под заказ11090 руб.
1513240-94J10-000

Chamber в сборе, Поплавок - Chamber Assy, Float (Chamber assy, float)

под заказ11090 руб.
1513245-94J20-000

Chamber в сборе, Поплавок - Chamber Assy, Float (DF15 ->13240-94J20 CHAMBER ASSY INC.NO.14~17, 27, 28 # )

под заказ11090 руб.
1513240-94J20-000

   (актуальный код замены) Chamber в сборе, Поплавок - Chamber Assy, Float

под заказ11090 руб.
1513240-94J20-000

Chamber в сборе, Поплавок - Chamber Assy, Float (Chamber assy, float)

под заказ11090 руб.
1513245-94J30-000

Chamber в сборе, Поплавок - Chamber Assy, Float (DF15R ->13240-94J30 CHAMBER ASSY INC.NO.14~17, 27, 28 # )

под заказ11090 руб.
1513240-94J30-000

   (актуальный код замены) Chamber в сборе, Поплавок - Chamber Assy, Float

под заказ11090 руб.
1513240-94J30-000

Chamber в сборе, Поплавок - Chamber Assy, Float (Chamber assy, float)

под заказ11090 руб.
1613279-94J00-000

Винт дренажный - Screw, Drain (Винт дренажный)

под заказ600 руб.
1713523-94J00-000

Уплотнительное кольцо - O Ring (O ring)

под заказ490 руб.
1813345-94J00-000

U Кольцо - U Ring (Кольцо)

5 шт1220 руб.
1913346-94J00-000

Крышка - Cover (DF9.9 # ) (Cover)

под заказ5620 руб.
1913346-94J10-000

Крышка - Cover (DF9.9R # ) (Cover)

под заказ0 руб.
1913346-94J20-000

Крышка - Cover (DF15 # ) (Cover)

под заказ5620 руб.
1913346-94J30-000

Крышка - Cover (DF15R # ) (Cover)

под заказ7590 руб.
2013247-94J00-000

Винт - Screw (Болт)

под заказ760 руб.
2113361-94J00-000

Держатель кабеля - Holder, Cable (DF9.9/15 # ) (Держатель кабеля)

под заказ1590 руб.
2213362-94J00-000

Направляющая, Кабели - Guide, Cable (DF9.9/15 # ) (Направляющая кабеля)

под заказ1090 руб.
2313363-94J00-000

Колпачок, Кабели Сальникing - Cap, Cable Sealing (DF9.9/15 # ) (Крышка уплотнения)

под заказ970 руб.
2413364-94J00-000

Клапан, Стартер - Valve, Starter (DF9.9/15 # ) (Распылитель)

под заказ1330 руб.
2513365-94J00-000

Пружина - Spring (DF9.9/15 # ) (Пружина)

под заказ370 руб.
2613366-94J00-000

Уплотнительное кольцо - O Ring (DF9.9/15 # )

под заказ250 руб.
2613295-14G00-000

   (актуальный код замены) Уплотнительное кольцо - O Ring

2 шт250 руб.
2613295-14G00-000

Уплотнительное кольцо - O Ring (O ring)

2 шт250 руб.
2713684-94J00-000

Трубка - Pipe (Pipe)

под заказ1090 руб.
2809401-05402-000

Зажим - Clip

под заказ110 руб.
2809401-05402-XC0

   (актуальный код замены) Зажим - Clip

под заказ110 руб.
2809401-05402-XC0

Зажим - Clip (Clip)

под заказ110 руб.
2913428-06F30-000

Пластина - Plate (DF9.9R/15R # ) (Plate)

под заказ400 руб.
3013367-94J00-000

Винт - Screw (DF9.9R/15R # ) (Болт)

под заказ370 руб.
3113368-94J00-000

Стартер в сборе - Starter Assy (DF9.9R/15R # ) (Стартер)

1 шт23760 руб.
3113368-94J02-000

   (актуальный код замены) Стартер в сборе - Starter Assy

1 шт23760 руб.
3213494-94J00-000

Зажим - Clip (DF15/15R # ) (Clip)

под заказ550 руб.
3313495-94J00-000

Колпачок резинки - Cap, Rubber (DF15/15R # ) (Крышка резиновая)

под заказ950 руб.
3413493-94J00-000

Плунжер - Plunger (DF15/15R # ) (Плунжер)

1 шт2380 руб.
3513441-94J00-000

Пружина - Spring (DF15/15R # ) (Пружина)

под заказ490 руб.
3609103-06276-000

Болт (6x100) - Bolt (6x100) (Bolt)

под заказ260 руб.
3713125-94J01-000

Прокладка карбюратора - Gasket, Carburetor (Прокладка карбюратора)

5 шт270 руб.
3813124-94J00-000

Изолятор карбюратора - Insulator, Carburetor (Изолятор)

под заказ1200 руб.
3913127-94J00-000

Прокладка, Изолятор Карбюратор - Gasket, Insulator Carburetor (Прокладка)

7 шт270 руб.
4013640-94J00-000

Ручка ручного стартера - Knob Assy, Starter (DF9.9/15 # ) (Рукоятка стартера)

2 шт2690 руб.
4118498-94J00-000

Защита шланга вентиляции (290) - Protector, Evap Hose (290) (DF9.9/15 # )

под заказ410 руб.
4118498-90J01-000

   (актуальный код замены) Защита шланга вентиляции (290) - Protector, Evap Hose (290)

под заказ410 руб.
4118498-90J00-000

Защита шланга вентиляции (290) - Protector, Evap Hose (290) (Protector, evap hose # ) (Protector)

под заказ410 руб.
4118498-90J01-000

   (актуальный код замены) Защита шланга вентиляции (290) - Protector, Evap Hose (290)

под заказ410 руб.
4209403-12318-000

Струбцина - Clamp (DF9.9/15 # ) (Clamp)

под заказ290 руб.
4209403-12323-000

   (актуальный код замены) Струбцина - Clamp

под заказ290 руб.
4359252-94J00-000

Заглушка, Стартер Ручка - Plug, Starter Knob (DF9.9R/15R # ) (Заглушка ручки)

под заказ0 руб.


Время выполнения запроса 8.4570069313049 сек.

 
 

данный сайт носит информационный характер и не является публичной офертой

склад запчастей для водомоторной техники