| |
|
|
 |
Вернуться к выбору узлов мотора
ДЕТАЛИРОВКА ДЛЯ МОДЕЛИ: SUZUKI DF9.9RS K8
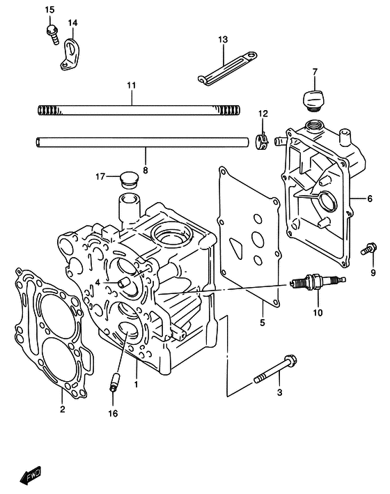
Головка блока цилиндра
Код модели двигателя: DF9.9S/L; DF9.9RS/L
Год выпуска двигателя: 2008
Регион: General Export No.1 ,Код региона: P01
Цвет: Shadow Black Metallic
Номер на рисунке | Артикул | Наименование | QTY | Кол-во на складе | Цена |
| 1 | 11110-93E11-0EP | Головка цилиндра (чёрный) - Head, Cylinder (black) (Голова цилиндр) | | под заказ | 0 руб. |
| 2 | 11141-93E20-000 | Прокладка головки блока цилиндра - Gasket, Cylinder Head (Прокладка головки цилиндров) | | 4 шт | 3100 руб. |
| 3 | 09116-08110-000 | Болт (8x65) - Bolt (8x65) (Bolt # ) (Bolt (8x65)) | | под заказ | 600 руб. |
| 4 | 04211-11129-000 | Штифт - Pin (Pin) | | 14 шт | 150 руб. |
| 5 | 11162-93E01-000 | Прокладка крышки головки блока цилиндра - Gasket, Cylinder Head Cover (Прокладка крышки) | | 6 шт | 1610 руб. |
| 5 | SMO-11162-93E00-000 | (не оригинальный аналог) Прокладка SMO-11162-93E00-000 крышки головки блока цилиндра (давно лежит) - оригинал Suzuki | | под заказ | 1080 руб. |
| 6 | 11170-93E00-0EP | Крышка головки цилиндра (чёрный) - Cover, Cylinder Head (black) (Крышка) | | под заказ | 0 руб. |
| 7 | 09200-20810-000 | Заглушка Set - Plug Set (Cap, oil filler # ) (Крышка) | | под заказ | 510 руб. |
| 7 | 09200-20811-000 | (актуальный код замены) Заглушка Set - Plug Set | | под заказ | 510 руб. |
| 8 | 11196-94J00-320 | Шланг сапуна (l: 320) - Hose, Breather (l:320) (Hose, breather # ) (Шланг водный) | | под заказ | 350 руб. |
| 9 | 09103-06186-000 | Болт - Bolt | | под заказ | 180 руб. |
| 9 | 01550-06167-000 | (актуальный код замены) Болт - Bolt | | 9 шт | 210 руб. |
| 9 | 01550-06167-000 | Болт - Bolt (Bolt) | | 9 шт | 210 руб. |
| 10 | 09482-00446-000 | Свеча зажигания (ngk Dcpr6e) - Plug, Spark (ngk Dcpr6e) (<-59482-94J00 # ) (Свеча зажигания) | | 101 шт | 1480 руб. |
| 11 | 16919-94J20-280 | Защита трубки сапуна (l: 280) - Protector, Breather Hose (l:280) (Protector, breather hose # ) (Protector) | | под заказ | 280 руб. |
| 12 | 09401-12405-000 | Зажим - Clip (Clip) | | под заказ | 170 руб. |
| 13 | 09404-08207-000 | Струбцина (l: 80) - Clamp (l:80) (Clamp) | | под заказ | 170 руб. |
| 13 | 09404-08212-000 | (актуальный код замены) Струбцина - Clamp | | под заказ | 170 руб. |
| 14 | 11291-91B50-000 | Крюк двигателя - Hook, Engine (OPT # ) (Крюк двигателя) | | под заказ | 900 руб. |
| 15 | 01550-08207-000 | Болт - Bolt (OPT # ) (Bolt) | | 10 шт | 240 руб. |
| 16 | 11115-93E00-001 | Направляющая клапана (os: 0.3) - Guide, Valve (os:03) (OPT # ) (Направляющая клапана) | | 1 шт | 2520 руб. |
| 17 | 09250-10006-000 | Заглушка (od: 16) - Plug (od:16) (Plug, oil level gauge hole # ) (Cap) | | под заказ | 150 руб. |
Время выполнения запроса 2.0358779430389 сек. |
|