Подобрать оригинальные запчасти на подвесной мотор Suzuki DF9.9S/L; DF9.9RS/L - Clamp bracket
вконтакте

Контактный телефон: +7 (981) 121-46-93, +7 (800) 200-90-76 , Email: parts-katalog@yandex.ru, где купить

 
 

  Логин:

Пароль:

Регистрация

www.partskatalog.ru Все каталоги Запчасти Mercury Запчасти Suzuki Запчасти Tohatsu Запчасти Honda Контакты



УВАЖАЕМЫЕ КЛИЕНТЫ!
C 19 ДЕКАБРЯ 2025 ПО 02 МАРТА 2026 ГОДА ОТДЕЛ ЗАПЧАСТЕЙ И СЕРВИС РАБОТАТЬ НЕ БУДУТ
ПРОДАЖА ЛОДОЧНЫХ МОТОРОВ В ШТАТНОМ РЕЖИМЕ
ОБ ИЗМЕНЕНИЯХ В ГРАФИКЕ РАБОТЫ ЧИТАЙТЕ НА САЙТА



назад Раздел:   вперёд

Вернуться к выбору узлов мотора


ДЕТАЛИРОВКА ДЛЯ МОДЕЛИ: SUZUKI DF9.9RS K8

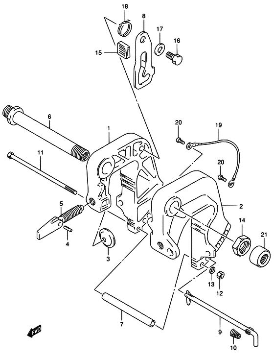
Кронштейн транца


Код модели двигателя: DF9.9S/L; DF9.9RS/L

Год выпуска двигателя: 2008

Регион: General Export No.1 ,Код региона: P01

Цвет: Shadow Black Metallic

Номер на
рисунке
АртикулНаименованиеQTYКол-во
на складе
Цена
141111-93E01-0EP

Кронштейн правого зажима (чёрный) - Bracket, Clamp Stbd (black)

под заказ21270 руб.
141111-93E02-0EP

   (актуальный код замены) Кронштейн правого зажима (чёрный) - Bracket, Clamp Stbd (black)

под заказ21270 руб.
141111-93E02-0EP

Кронштейн правого зажима (чёрный) - Bracket, Clamp Stbd (black) (Bracket, clamp stbd (black))

под заказ21270 руб.
241121-89E52-0EP

Кронштейн левого зажима - Bracket, Clamp Port

под заказ18480 руб.
241121-89E53-0EP

   (актуальный код замены) Кронштейн левого зажима - Bracket, Clamp Port

под заказ18480 руб.
241121-89E53-0EP

Кронштейн левого зажима - Bracket, Clamp Port (Кронштейн (чёрный))

под заказ18480 руб.
341213-98100-000

Пластина струбцины - Plate, Clamp (Plate, clamp # ) (Плата струбцины)

под заказ390 руб.
341213-94J01-000

   (актуальный код замены) Пластина струбцины - Plate, Clamp

под заказ420 руб.
409205-06007-000

Стопор пружины (6x25) - Pin, Spring (6x25) (Pin (6x27) # ) (Pin)

13 шт170 руб.
541210-89E00-000

Винт струбцины, в сборе - Screw Assy, Clamp (OPT # )

под заказ2910 руб.
541210-89E11-000

   (актуальный код замены) Винт струбцины, в сборе - Screw Assy, Clamp

2 шт3140 руб.
541210-89E11-000

Винт струбцины, в сборе - Screw Assy, Clamp (Screw assy, clamp)

2 шт3140 руб.
641130-93E00-000

Труба кронштейна транца - Shaft, Clamp Bracket (DF15R # )

под заказ6820 руб.
641130-93E03-000

   (актуальный код замены) Труба кронштейна транца - Shaft, Clamp Bracket

под заказ6820 руб.
641130-93E03-000

Труба кронштейна транца - Shaft, Clamp Bracket (Shaft, clamp bracket)

под заказ6820 руб.
641130-94J00-000

Труба кронштейна транца - Shaft, Clamp Bracket

под заказ11040 руб.
641130-90L00-000

   (актуальный код замены) Труба кронштейна транца - Shaft, Clamp Bracket

под заказ11040 руб.
641130-90L00-000

Труба кронштейна транца - Shaft, Clamp Bracket (Shaft, clamp bracket)

под заказ11040 руб.
709180-06163-000

Проставка (6.5x10.5x104) - Spacer (65x105x104) (Кольцо/шайба)

под заказ540 руб.
841222-93E10-000

Рычаг блокировки наклона - Arm, Tilt Lock

под заказ3290 руб.
841222-93E1V-000

   (актуальный код замены) Рычаг блокировки наклона - Arm, Tilt Lock

под заказ3290 руб.
841222-93E1V-000

Рычаг блокировки наклона - Arm, Tilt Lock (Рычаг блокировки наклона)

под заказ3290 руб.
945420-93E01-000

Штифт блокировки наклона - Pin, Tilt Lock

под заказ4370 руб.
945420-93E02-000

   (актуальный код замены) Штифт блокировки наклона - Pin, Tilt Lock

5 шт4370 руб.
945420-93E02-000

Штифт блокировки наклона - Pin, Tilt Lock (Pin comp, tilt lock)

5 шт4370 руб.
1009441-17001-000

Пружина - Spring (Пружина)

11 шт220 руб.
1109100-06125-000

Болт (6x140) - Bolt (6x140)

под заказ470 руб.
1109100-06177-000

   (актуальный код замены) Болт (6x140) - Bolt (6x140)

9 шт470 руб.
1109100-06177-000

Болт (6x140) - Bolt (6x140) (Bolt, clamp bracket lower (l140))

9 шт470 руб.
1223118-94J00-000

Гайка - Nut

под заказ170 руб.
1229141-93J00-000

   (актуальный код замены) Гайка - Nut

18 шт480 руб.
1229141-93J00-000

Гайка - Nut (Гайка)

18 шт480 руб.
1309162-06006-000

Шайба с блокировкой - Washer, Lock (Lock washer # ) (Шайба)

под заказ160 руб.
1409159-22006-000

Гайка - Nut (Гайка)

8 шт1950 руб.
1541225-94400-000

Резинка блокировки наклона Рычаг - Rubber, Tilt Lock Arm (Rubber, tilt lock lever # ) (Ручка резиновая)

под заказ340 руб.
1609111-10032-000

Болт (10x20.5) - Bolt (10x205)

под заказ400 руб.
1609111-10067-000

   (актуальный код замены) Болт (10x20.5) - Bolt (10x20.5)

2 шт430 руб.
1609111-10067-000

Болт (10x20.5) - Bolt (10x205) (Bolt, 10x20.4)

2 шт430 руб.
1709160-10082-000

Шайба (10.5x19x2) - Washer (105x19x2) (Washer # ) (Gasket (10.5x19x2))

19 шт120 руб.
1841224-94J00-000

Пружина фиксатора наклона Рычаг - Spring, Tilt Lock Arm (Пружина)

под заказ240 руб.
1936894-95201-000

Lead (l: 165) - Lead (l:165) (Lead # ) (Провод)

под заказ1170 руб.
2009125-05050-000

Винт (5x8) - Screw (5x8) (Screw # ) (Винт 5X8)

под заказ150 руб.
2141161-94400-000

Сальник рулевого кабеля - Seal, Steering Cable (Seal, steering cable # DF15R # ) (Уплотение кабеля)

16 шт1530 руб.


Время выполнения запроса 1.4466857910156 сек.

 
 

данный сайт носит информационный характер и не является публичной офертой

склад запчастей для водомоторной техники