| |
 |
|
 |
Вернуться к выбору узлов мотора
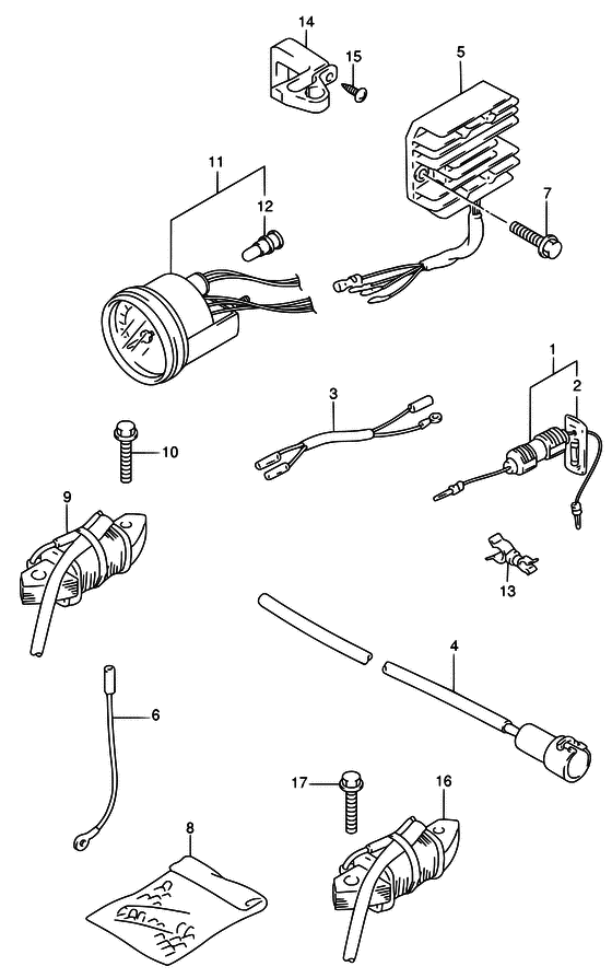
ДЕТАЛИРОВКА ДЛЯ МОДЕЛИ: SUZUKI DF9.9RS K8
Опции: электрика
Код модели двигателя: DF9.9S/L; DF9.9RS/L
Год выпуска двигателя: 2008
Регион: General Export No.1 ,Код региона: P01
Цвет: Shadow Black Metallic
Номер на рисунке | Артикул | Наименование | QTY | Кол-во на складе | Цена |
| 1 | 36740-95253-000 | Корпус предохранителя - Case Assy, Fuse (Case assy, fuse # ) (Корпус предохранителя) | | 1 шт | 1720 руб. |
| 2 | 09481-20001-000 | Предохранитель (20a) - Fuse (20a) (Fuse, 20a # ) (Предохранитель) | | 30 шт | 180 руб. |
| 3 | 36895-95D00-000 | Lead, Выпрямитель Удлинитель - Lead, Rectifier Extension (Проводка) | | под заказ | 0 руб. |
| 4 | 39602-93900-000 | Разьем провода нагрузки - Plug Assy, Lamp Cord (Plug, lighting # ) (Заглушка лампы) | | под заказ | 5000 руб. |
| 5 | 32800-94620-000 | Выпрямитель & Регулятор в сборе - Rectifier & Regulator Assy (Rect & regulator assy # ) (Выпрямитель и регулятор) | | 4 шт | 15840 руб. |
| 6 | 37801-98300-000 | Провод выключателя двигателя - Lead, Stop Switch (Lead, rect & reg gnd # ) (Проводка) | | под заказ | 320 руб. |
| 6 | 37801-98301-000 | (актуальный код замены) Провод выключателя двигателя - Lead, Stop Switch | | под заказ | 320 руб. |
| 7 | 01550-06207-000 | Болт - Bolt (Bolt # ) (Bolt (chrome)) | | 17 шт | 220 руб. |
| 8 | 36990-87D00-000 | Клемма / Гильза Set - Terminal / Sleeve Set (Terminal & sleeve set # ) (Стержень и гильза) | | 1 шт | 1720 руб. |
| 9 | 32120-93E30-000 | Катушка заряда аккумулятора - Coil, Battery Charging (Генератор) | | под заказ | 0 руб. |
| 10 | 01547-06303-000 | Болт - Bolt | | под заказ | 210 руб. |
| 10 | 01547-0630B-000 | (актуальный код замены) Болт - Bolt | | под заказ | 210 руб. |
| 10 | 01547-0630B-000 | Болт - Bolt (Bolt # ) (Болт) | | под заказ | 210 руб. |
| 11 | 34200-92E02-000 | Тахометр в сборе - Tachometer Assy (Tachometer assy) | | под заказ | 30240 руб. |
| 12 | 09471-12179-000 | Лампочка (12v3.4w, T10) - Bulb (12v34w, T10) (Bulb) | | под заказ | 570 руб. |
| 13 | 09408-00168-000 | Струбцина - Clamp | | под заказ | 360 руб. |
| 13 | 09408-00213-000 | (актуальный код замены) Струбцина - Clamp | | под заказ | 360 руб. |
| 13 | 09408-00213-000 | Струбцина - Clamp (Clamp) | | под заказ | 360 руб. |
| 14 | 33816-96300-000 | Зажим кабеля - Clamp, Cable (Clamp, cable # ) (Clamp) | | под заказ | 520 руб. |
| 15 | 03242-06253-000 | Винт - Screw | | под заказ | 150 руб. |
| 15 | 03241-0625A-000 | (актуальный код замены) Винт - Screw | | под заказ | 150 руб. |
| 15 | 03241-0625A-000 | Винт - Screw (Screw # ) (Винт) | | под заказ | 150 руб. |
| 16 | 32120-93E20-000 | Катушка заряда аккумулятора - Coil, Battery Charging (Coil, battery charging # ) (Катушка) | | под заказ | 11240 руб. |
| 17 | 01547-06303-000 | Болт - Bolt | | под заказ | 210 руб. |
| 17 | 01547-0630B-000 | (актуальный код замены) Болт - Bolt | | под заказ | 210 руб. |
| 17 | 01547-0630B-000 | Болт - Bolt (Bolt # ) (Болт) | | под заказ | 210 руб. |
Время выполнения запроса 3.012501001358 сек. |
|