| |
 |
|
 |
Вернуться к выбору узлов мотора
ДЕТАЛИРОВКА ДЛЯ МОДЕЛИ: SUZUKI DF9.9S K8
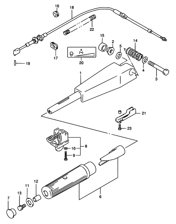
Румпель
Код модели двигателя: DF9.9S/L; DF9.9RS/L
Год выпуска двигателя: 2008
Регион: General Export No.1 ,Код региона: P01
Цвет: Shadow Black Metallic
Номер на рисунке | Артикул | Наименование | QTY | Кол-во на складе | Цена |
| 1 | 63111-93E10-0EP | Ручка румпеля (чёрный) - Handle, Tiller (black) (Рукоятка управления (чёрная)) | | под заказ | 19990 руб. |
| 2 | 09159-10050-000 | Гайка - Nut (Гайка) | | 8 шт | 250 руб. |
| 3 | 09100-10208-000 | Болт (10x70) - Bolt (10x70) (Bolt) | | под заказ | 1380 руб. |
| 4 | 09160-10097-000 | Шайба (10.5x22x2.5) - Washer (105x22x25) (Washer # ) (Шайба 10.5X22X) | | под заказ | 240 руб. |
| 5 | 09161-10012-000 | Шайба (10.5x32x1.5) - Washer (105x32x15) (Washer (10.5x32x1.5) # ) (Шайба) | | под заказ | 0 руб. |
| 6 | 63200-93E00-000 | Рукоятка в сборе, Handle - Grip Assy, Handle (Рукоятка) | | под заказ | 5280 руб. |
| 7 | 63213-94400-000 | Колпачок, Stop Переключатель - Cap, Stop Switch (Cap, stop switch # ) (Крышка переключателя) | | под заказ | 910 руб. |
| 8 | 63240-93E00-000 | Регулировка ручки румпеля - Adjuster, Handle Grip (Регулятор руля) | | под заказ | 5040 руб. |
| 9 | 63247-93E00-000 | Винт, Handle Рукоятка Регулятор - Screw, Handle Grip Adjuster (Болт) | | под заказ | 0 руб. |
| 10 | 63248-93E10-000 | Шайба, Handle Рукоятка Регулятор - Washer, Handle Grip Adjuster (Шайба) | | под заказ | 0 руб. |
| 11 | 09160-08081-000 | Шайба (8.5x23x1.5) - Washer (85x23x15) (Washer, clutch lever # ) (Шайба) | | 4 шт | 210 руб. |
| 12 | 09180-08173-000 | Проставка (8.6x16x20) - Spacer (86x16x20) (Spacer, handle grip end # ) (Прокладка ручки) | | под заказ | 690 руб. |
| 13 | 09117-08071-000 | Болт (8x35) - Bolt (8x35) (Bolt (8x35) # ) (Болт, 8X35) | | под заказ | 570 руб. |
| 14 | 09440-22008-000 | Пружина - Spring (Spring, tiller handle brkt # ) (Пружина) | | под заказ | 1460 руб. |
| 15 | 09251-09002-000 | Колпачок (od: 13.6) - Cap (od:136) (Cap) | | под заказ | 260 руб. |
| 15 | 09251-09008-000 | (актуальный код замены) Колпачок (od: 13.6) - Cap (od:13.6) | | под заказ | 260 руб. |
| 16 | 09308-08013-000 | Пыльник - Grommet (Grommet, throttle cable # ) (Grommet) | | 10 шт | 260 руб. |
| 16 | 09308-08017-000 | (актуальный код замены) Пыльник - Grommet | | 9 шт | 220 руб. |
| 17 | 63625-94300-000 | Крышка тросика дросселя - Cap, Throttle Cable (Plug, switch leads # DF15R # ) (Заглушка переключателя) | | под заказ | 340 руб. |
| 17 | 63625-94301-000 | (актуальный код замены) Крышка тросика дросселя - Cap, Throttle Cable | | под заказ | 340 руб. |
| 18 | 63610-93E20-000 | Тросик дросселя - Cable, Throttle (Cable, throttle # ) (Кабель дросселя) | | 3 шт | 8930 руб. |
| 19 | 63216-93E00-000 | Штифт кабеля дросселя - Pin, Throttle Cable (Штифт кабеля) | | под заказ | 480 руб. |
| 20 | 69714-93E11-000 | Маркировка - запуск двигателя - Mark, Engine Start (Маркировка стартера) | | под заказ | 440 руб. |
| 21 | 63125-93E01-000 | Стопор, Румпель - Stopper, Tiller Handle (Stopper, tiller handle # ) (Ручка стопорная) | | под заказ | 1410 руб. |
| 22 | 63615-93E00-000 | Трубка тросика дросселя - Tube, Throttle Cable (Трубка кабеля) | | под заказ | 360 руб. |
| 23 | 09100-06131-000 | Болт (6x12) - Bolt (6x12) (Bolt # ) (Болт 6X12) | | под заказ | 160 руб. |
Время выполнения запроса 0.72034597396851 сек. |
|