Купить комплектующие на подвесной двигатель Suzuki DF9.9S/L; DF9.9RS/L модель 2009 года - Remote control / Дистанционное управление
вконтакте

Контактный телефон: +7 (981) 121-46-93, +7 (800) 200-90-76 , Email: parts-katalog@yandex.ru, где купить

 
 

  Логин:

Пароль:

Регистрация

www.partskatalog.ru Все каталоги Запчасти Mercury Запчасти Suzuki Запчасти Tohatsu Запчасти Honda Контакты



УВАЖАЕМЫЕ КЛИЕНТЫ!
C 19 ДЕКАБРЯ 2025 ПО 02 МАРТА 2026 ГОДА ОТДЕЛ ЗАПЧАСТЕЙ И СЕРВИС РАБОТАТЬ НЕ БУДУТ
ПРОДАЖА ЛОДОЧНЫХ МОТОРОВ В ШТАТНОМ РЕЖИМЕ
ОБ ИЗМЕНЕНИЯХ В ГРАФИКЕ РАБОТЫ ЧИТАЙТЕ НА САЙТА



назад Раздел:   вперёд

Вернуться к выбору узлов мотора


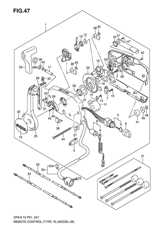
ДЕТАЛИРОВКА ДЛЯ МОДЕЛИ: SUZUKI DF9.9RSK9(P1) K9

Дистанционное управление


Код модели двигателя: DF9.9S/L; DF9.9RS/L

Год выпуска двигателя: 2009

Регион: General Export No.1 ,Код региона: P01

Цвет: Shadow Black Metallic

Номер на
рисунке
АртикулНаименованиеQTYКол-во
на складе
Цена
167200-94J12-000

Дистанционное управление в сборе - Remote Control Assy

под заказ66240 руб.
167200-94J33-000

   (актуальный код замены) Дистанционное управление в сборе - Remote Control Assy

под заказ66240 руб.
167200-94J15-000

Дистанционное управление в сборе - Remote Control Assy

под заказ66240 руб.
167200-94J33-000

   (актуальный код замены) Дистанционное управление в сборе - Remote Control Assy

под заказ66240 руб.
209100-08232-000

Болт (8x30) - Bolt (8x30) (Bolt)

6 шт350 руб.
336628-92E00-000

Пыльник на жгут проводов - Grommet, Wiring Harness (Grommet, wire harness; # ) (Grommet)

под заказ490 руб.
437110-94J00-000

Выключатель зажигания - Switch Assy, Ignition

под заказ11430 руб.
437110-94J02-000

   (актуальный код замены) Выключатель зажигания - Switch Assy, Ignition

1 шт11430 руб.
437110-94J02-000

Выключатель зажигания - Switch Assy, Ignition (Switch assy, ignition)

1 шт11430 руб.
537141-99E00-000

Ключ (931) - Key (931) (Key (931); # ) (Ключ (931))

под заказ1660 руб.
537141-99E10-000

Ключ (932) - Key (932) (Key (932); # ) (Ключ (932))

1 шт1380 руб.
537141-99E20-000

Ключ (933) - Key (933) (Key (933); # ) (Ключ (933))

под заказ1380 руб.
537141-99E30-000

Ключ (934) - Key (934) (Key (934); # ) (Ключ (934))

1 шт1380 руб.
537141-99E40-000

Ключ (935) - Key (935) (Key (935); # ) (Ключ (935))

под заказ1380 руб.
537141-99E50-000

Ключ (936) - Key (936) (Key (936); # ) (Ключ (936))

под заказ1380 руб.
537141-99E60-000

Ключ (937) - Key (937) (Key (937); # ) (Ключ (937))

1 шт1380 руб.
537141-99E70-000

Ключ (938) - Key (938) (Key (938); # ) (Ключ (938))

под заказ1380 руб.
537141-99E80-000

Ключ (939) - Key (939) (Key (939); # ) (Ключ (939))

1 шт1480 руб.
537141-99E90-000

Ключ (940) - Key (940) (Key (940); # ) (Ключ (940))

1 шт1510 руб.
537141-99EA0-000

Ключ (941) - Key (941) (Key (941); # ) (Ключ (941))

1 шт1510 руб.
537141-99EB0-000

Ключ (942) - Key (942) (Key (942); # ) (Ключ (942))

под заказ1380 руб.
637143-99E00-000

Колпачок ключа - Cap, Key (Колпачок ключа)

под заказ600 руб.
637143-99E01-000

   (актуальный код замены) Колпачок ключа - Cap, Key

2 шт640 руб.
737721-93J90-000

Выключатель нейтрали, в сборе - Switch Assy, Neutral

под заказ4180 руб.
737721-93J91-000

   (актуальный код замены) Выключатель нейтрали, в сборе - Switch Assy, Neutral

5 шт7710 руб.
737721-93J91-000

Выключатель нейтрали, в сборе - Switch Assy, Neutral (Switch assy, neutral)

5 шт7710 руб.
837820-93J03-000

Аварийный выключатель, в сборе - Switch Assy, Emergency

под заказ5000 руб.
837820-93J05-000

   (актуальный код замены) Аварийный выключатель, в сборе - Switch Assy, Emergency

10 шт6310 руб.
837820-93J04-000

Аварийный выключатель, в сборе - Switch Assy, Emergency (SWITCH ASSY, EMERGENCY)

под заказ5000 руб.
837820-93J05-000

   (актуальный код замены) Аварийный выключатель, в сборе - Switch Assy, Emergency

10 шт6310 руб.
937823-92E01-000

Пластина блокировки аварийного выключателя - Plate Assy, Emergency Sw Lock (Plate; # ) (Plate)

под заказ2570 руб.
937823-92E02-000

   (актуальный код замены) Пластина блокировки аварийного выключателя - Plate Assy, Emergency Sw Lock

3 шт2770 руб.
1068165-16B00-13L

Эмблема, Suzuki - Emblem, Suzuki (Emblem, suzuki (silver) # Emblem, suzuki; # ) (Emblem)

под заказ600 руб.
1068165-16B01-13L

   (актуальный код замены) Эмблема, Suzuk - Emblem, Suzuk

1 шт600 руб.
1138500-93J00-000

Предупреждающий зуммер, в сборе - Buzzer Assy, Warning (Buzzer assy, warning # ) (Звуковой бузер)

под заказ3890 руб.
1138500-93J90-000

   (актуальный код замены) Предупреждающий зуммер - Buzzer, Warning

под заказ3890 руб.
1267212-95600-000

Шайба - Washer (Шайба)

под заказ300 руб.
1367213-92E00-000

Кронштейн зуммера - Bracket, Buzzer (Bracket, buzzer brkt # ) (Кронштейн сигнала)

под заказ730 руб.
1409125-05042-000

Винт (5x10) - Screw (5x10) (Screw # Screw, buzzer brkt; # ) (Винт L)

под заказ150 руб.
1567296-92E10-000

Винт выключателя нейтрали - Screw, Neutral Switch (Screw, neutral sw; # )

под заказ300 руб.
1567296-92E11-000

   (актуальный код замены) Винт выключателя нейтрали - Screw, Neutral Switch

под заказ300 руб.
1567296-92E11-000

Винт выключателя нейтрали - Screw, Neutral Switch (Screw, neutral switch)

под заказ300 руб.
1667220-95630-000

Пластина в сборе - Plate Assy (Plate assy # ) (Плата 15C)

под заказ8400 руб.
1767223-99E10-000

Ручка регулировки тормоза - Knob, Brake Adjust (Рукоятка тормоза)

под заказ760 руб.
1867229-95600-000

Ролик - Roller (Roller)

под заказ520 руб.
1967232-95600-000

Втулка - Bush (Втулка)

под заказ570 руб.
2067238-87D00-000

Зубчатый привод - Gear, Drive (Gear, drive; # ) (Ведущая шестерня)

1 шт4080 руб.
2167241-99E10-000

Рычаг освобождения дросселя - Lever, Free Throttle (Рукоятка)

под заказ2280 руб.
2267243-95600-000

Втулка, Remo-con - Bush, Remo-con (Втулка)

2 шт390 руб.
2367244-95600-000

Волнистая шайба - Wave Washer (Шайба)

под заказ330 руб.
2467245-95600-000

Барабан освобождения дросселя - Drum, Free Throttle (Drum assy, free throttle # Drum, free throttle; # ) (Цилиндр дросселя)

под заказ2480 руб.
2567251-99E10-000

Рычаг блокировки - Lever, Handle (Рукоятка)

под заказ7200 руб.
2667252-95600-000

Втулка - Bush (Втулка)

2 шт480 руб.
2767253-95600-000

Шайба - Washer (Шайба)

под заказ460 руб.
2867255-99E00-000

Рычаг блокировки - Arm, Lock (Рычаг блокировки)

под заказ1680 руб.
2967256-95600-000

Держатель блокировки нейтрали - Holder, Neutral Lock (Holder, neut lock # ) (Holder)

2 шт1140 руб.
3067257-99E00-000

Крышка рычага - Cap, Lever (Насадка рукоятки)

под заказ860 руб.
3167258-99E00-000

Кронштейн - Bracket (Bracket, lock arm; # ) (Bracket)

под заказ490 руб.
3267259-87D00-000

Пружина рычага нетрали - Spring, Neutral Arm (Spring, neutral arm # Spring, neutral arm; # ) (Пружина переключателя)

6 шт550 руб.
3367261-99E00-000

Рукоятка - Grip (Grip)

под заказ4130 руб.
3467296-94310-000

Винт - Screw (Screw # ) (Винт)

под заказ180 руб.
3567264-95600-000

Шайба - Washer (Шайба)

под заказ270 руб.
3667267-95610-000

Крышка проводов - Cover, Wire (Cover, wire (black) # ) (Крышка проводки)

под заказ580 руб.
3767273-95600-000

Проставка - Spacer (Кольцо/шайба)

под заказ460 руб.
3767273-95601-000

   (актуальный код замены) Проставка - Spacer

3 шт630 руб.
3867275-95600-000

Наконечник кабеля - End, Cable (Наконечник кабеля)

36 шт810 руб.
3967288-92E00-000

Шайба - Washer (Washer, brake adj knob; # ) (Шайба)

под заказ300 руб.
4067292-94300-000

Уплотнительное кольцо дистанционного управления - E Ring, Remo-con (E ring)

25 шт120 руб.
4167294-95600-000

Проставка - Spacer (Кольцо/шайба)

под заказ460 руб.
4267296-90J00-000

Винт задней крышки - Screw, Rr Cover (Винт крышки)

под заказ300 руб.
4267296-90J10-000

   (актуальный код замены) Винт задней крышки - Screw, Rr Cover

под заказ300 руб.
4367296-94300-000

Винт (4x10) - Screw (4x10) (Screw # ) (Винт)

под заказ120 руб.
4467296-95600-000

Винт - Screw (Болт)

под заказ570 руб.
4567296-95610-000

Винт - Screw (Болт)

2 шт280 руб.
4667297-95600-000

Шайба - Washer (Шайба)

под заказ280 руб.
4709126-05003-000

Винт (5x12) - Screw (5x12) (Болт)

под заказ160 руб.
4809140-06020-000

Гайка - Nut (Гайка)

9 шт150 руб.
4909160-06104-000

Шайба (6.5x24x2) - Washer (65x24x2) (Шайба)

под заказ220 руб.
4937859-90J00-000

Проставка - Spacer (Кольцо/шайба)

под заказ350 руб.
5036620-94J01-000

Провода дистанционного управления, в сборе - Wire Assy, Remote Control (Wire assy, remote control)

под заказ25920 руб.
5036620-94J02-000

   (актуальный код замены) Провода дистанционного управления, в сборе - Wire Assy, Remote Control

под заказ25920 руб.
5009481-10501-000

Предохранитель (10a) - Fuse (10a) (Fuse (10a); # ) (Fuse (10a))

5 шт250 руб.
5167140-95600-000

Двойной комплект навесного оборудования Remocon - Attachment Kit, Twin Remocon (Attachment, twin remocon kit # Attachment, twin remocon kit; Opt # ) (Фиксация)

под заказ4300 руб.
5167140-95601-000

   (актуальный код замены) Двойной комплект навесного оборудования Remocon - Attachment Kit, Twin Remocon

под заказ4300 руб.
5267320-93J00-000

Тросик дистанционного управления (8f: 2.4m) - Cable Assy, Remocon (8f:24m) (Cable, remocon 8f (2.4m); Opt not for u.s.market # ) (Кабель дистанционный 8F (2.4M))

под заказ5760 руб.
5267320-93J10-000

Тросик дистанционного управления (10f: 3.1m) - Cable Assy, Remocon (10f:31m) (Cable, remocon 10f (3.1m); Opt not for u.s.market # ) (Кабель дистанционный 10F (3.1M))

под заказ6340 руб.
5267320-93J20-000

Тросик дистанционного управления (12f: 3.7m) - Cable Assy, Remocon (12f:37m) (Cable, remocon 12f (3.7m); Opt not for u.s.market # ) (Кабель дистанционный 12F (3.7M))

под заказ6920 руб.
5267320-93J30-000

Тросик дистанционного управления (14f: 4.2m) - Cable Assy, Remocon (14f:42m) (Cable, remocon 14f (4.2m); Opt not for u.s.market # ) (Кабель дистанционный 14F (4.3M))

3 шт7490 руб.
5267320-93J40-000

Тросик дистанционного управления (16f: 4.8m) - Cable Assy, Remocon (16f:48m) (Cable, remocon 16f (4.8m); Opt not for u.s.market # ) (Кабель дистанционный 16F (4.9M))

под заказ8020 руб.
5267320-93J50-000

Тросик дистанционного управления (18f: 5.4m) - Cable Assy, Remocon (18f:54m) (Cable, remocon 18f (5.4m); Opt not for u.s.market # ) (Кабель дистанционный 18F (5.5M))

под заказ8600 руб.
5267320-93J60-000

Тросик дистанционного управления (20f: 6.1m) - Cable Assy, Remocon (20f:61m) (Cable, remocon 20f (6.0m); Opt not for u.s.market # ) (Кабель дистанционный 20F (6.1M))

под заказ9170 руб.
5267320-93J70-000

Тросик дистанционного управления (22f: 6.7m) - Cable Assy, Remocon (22f:67m) (Cable, remocon 22f (6.7m); Opt not for u.s.market # ) (Кабель дистанционный 22F (6.7M))

под заказ9750 руб.
5267320-93J80-000

Тросик дистанционного управления (24f: 7.3m) - Cable Assy, Remocon (24f:73m) (Cable, remocon 24f (7.3m); Opt not for u.s.market # ) (Кабель дистанционный 24F (7.3M))

под заказ10320 руб.


Время выполнения запроса 1.5787642002106 сек.

 
 

данный сайт носит информационный характер и не является публичной офертой

склад запчастей для водомоторной техники