| |
 |
|
 |
Вернуться к выбору узлов мотора
ДЕТАЛИРОВКА ДЛЯ МОДЕЛИ: SUZUKI DF9.9RS K9
Электрика
Код модели двигателя: DF9.9S/L; DF9.9RS/L
Год выпуска двигателя: 2009
Регион: General Export No.1 ,Код региона: P01
Цвет: Shadow Black Metallic
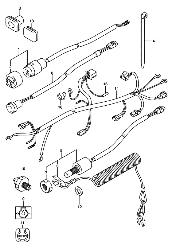
Номер на рисунке | Артикул | Наименование | QTY | Кол-во на складе | Цена |
| 1 | 39601-95D00-000 | Внешняя розетка - Receptacle (Receptacle assy, lighting # MANUAL STARTER OPT # ) (Receptacle) | | под заказ | 4660 руб. |
| 1 | 39601-95D01-000 | (актуальный код замены) Внешняя розетка - Receptacle | | под заказ | 4660 руб. |
| 2 | 36634-93910-000 | Колпачок - Cap (MANUAL STARTER OPT # ) (Cap) | | под заказ | 340 руб. |
| 3 | 39603-94400-000 | Пыльник розеткиe - Grommet, Receptaclee (Grommet, receptacle cable # MANUAL STARTER OPT # ) (Втулка кабеля) | | под заказ | 840 руб. |
| 3 | 39603-94401-000 | (актуальный код замены) Пыльник розеткиe - Grommet, Receptaclee | | под заказ | 840 руб. |
| 4 | 09407-14407-000 | Струбцина (l: 145) - Clamp (l:145) (Band # MANUAL STARTER OPT # ) (Clamp (l:145)) | | 9 шт | 230 руб. |
| 4 | 09407-25402-000 | Струбцина (l: 250) - Clamp (l:250) (Clamp, tilt sw # MANUAL STARTER OPT # ) (Clamp) | | под заказ | 350 руб. |
| 5 | 37830-94J02-000 | Выключатель аварийной остановки двигателя - Switch Assy, Emergency & Stop | | под заказ | 7920 руб. |
| 5 | 37830-94J04-000 | (актуальный код замены) Выключатель аварийной остановки двигателя - Switch Assy, Emergency & Stop | | 1 шт | 7920 руб. |
| 6 | 37823-92E01-000 | Пластина блокировки аварийного выключателя - Plate Assy, Emergency Sw Lock (Plate) | | под заказ | 2570 руб. |
| 6 | 37823-92E02-000 | (актуальный код замены) Пластина блокировки аварийного выключателя - Plate Assy, Emergency Sw Lock | | 3 шт | 2770 руб. |
| 7 | 37826-92E00-000 | Гайка - Nut (Гайка) | | под заказ | 740 руб. |
| 8 | 36360-94J00-000 | Индикатор давления масла - Indicator, Oil Pressure (Indicator, oil level) | | под заказ | 1260 руб. |
| 9 | 36367-93E00-019 | Наклейка - масло Pressure - Label, Oil Pressure (Label, oil level (black) # <-36367-94J00 # ) (Наклейка уровня масла (чёрная)) | | под заказ | 340 руб. |
| 10 | 37820-93E10-000 | Выключатель при низком давлении масла - Switch, Oil Pressure (Переключатель прессуры) | | под заказ | 2570 руб. |
| 10 | 37820-93E11-000 | (актуальный код замены) Выключатель по давлению масла, в сборе - Switch Assy, Oil Pressure | | под заказ | 2570 руб. |
| 11 | 37835-95D00-000 | Наклейка СТОП - Label, Stop (Label, stop # ) (Наклейка) | | под заказ | 130 руб. |
| 11 | 37835-91J00-YAY | (актуальный код замены) Наклейка СТОП - Label, Stop | | под заказ | 130 руб. |
| 12 | 09160-12067-000 | Шайба (12.5x23x1) - Washer (125x23x1) (Washer, emergency sw # ) (Шайба) | | 8 шт | 230 руб. |
| 13 | 39669-94400-000 | Заглушка, Lwr Крышка - Plug, Lwr Cover (Plug # MANUAL STARTER <-39669-94J00 # ) (Заглушка крышки) | | под заказ | 410 руб. |
| 14 | 36610-94J00-000 | Жгут проводов, в сборе - Harness Assy, Wiring (MANUAL STARTER # ) (Кабель электрический) | | под заказ | 9220 руб. |
| 14 | 36610-94J10-000 | Жгут проводов, в сборе - Harness Assy, Wiring (ELECTRIC STARTER # ) (Кабель электрический) | | под заказ | 16370 руб. |
| 14 | 36610-94J20-000 | Жгут проводов, в сборе - Harness Assy, Wiring (DF9.9R/15R # ) (Кабель электрический) | | 1 шт | 20600 руб. |
| 15 | 36615-96300-000 | Клемма - Terminal (Контакт) | | под заказ | 120 руб. |
| 16 | 36618-43410-000 | Колпачок выключателя по давлению масла - Cap, Oil Pressure Switch (Крышка переключателя) | | под заказ | 250 руб. |
Время выполнения запроса 1.4115319252014 сек. |
|