Купить запчасти на подвесной мотор Suzuki DF9.9S/L; DF9.9RS/L модель 2009 года - Rectifier
вконтакте

Контактный телефон: +7 (981) 121-46-93, +7 (800) 200-90-76 , Email: parts-katalog@yandex.ru, где купить

 
 

  Логин:

Пароль:

Регистрация

www.partskatalog.ru Все каталоги Запчасти Mercury Запчасти Suzuki Запчасти Tohatsu Запчасти Honda Контакты



УВАЖАЕМЫЕ КЛИЕНТЫ!
C 31 ОКТЯБРЯ 2025 ПО 10 НОЯБРЯ 2025 ГОДА РАБОТАТЬ НЕ БУДЕМ



назад Раздел:   вперёд

Вернуться к выбору узлов мотора


ДЕТАЛИРОВКА ДЛЯ МОДЕЛИ: SUZUKI DF9.9S K9

Выпрямитель


Код модели двигателя: DF9.9S/L; DF9.9RS/L

Год выпуска двигателя: 2009

Регион: General Export No.1 ,Код региона: P01

Цвет: Shadow Black Metallic

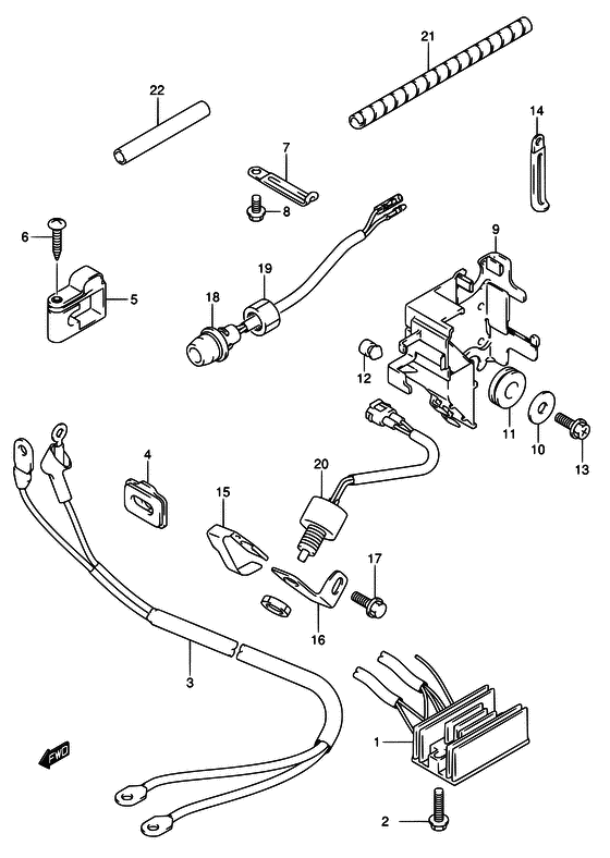
Номер на
рисунке
АртикулНаименованиеQTYКол-во
на складе
Цена
132800-94J01-000

Выпрямитель & Регулятор в сборе - Rectifier & Regulator Assy (DF9.9R/15R # ) (Выпрямитель и регулятор)

2 шт24720 руб.
132800-94J11-000

Выпрямитель & Регулятор в сборе - Rectifier & Regulator Assy (ELECTRIC STARTER # ) (Выпрямитель и регулятор)

2 шт18150 руб.
201550-06257-000

Болт - Bolt (Bolt)

под заказ180 руб.
333810-94J00-000

Кабель стартера - Cable, Starter (ELECTRIC STARTER # )

под заказ10080 руб.
333810-94J01-000

   (актуальный код замены) Кабель стартера - Cable, Starter

под заказ10080 руб.
333810-94J01-000

Кабель стартера - Cable, Starter (Cable, starter)

под заказ10080 руб.
433811-94J10-000

Пыльник кабеля стартера - Grommet, Starter Cable (Grommet, starter cable # ELECTRIC STARTER # ) (Grommet)

под заказ280 руб.
533816-94J01-000

Зажим кабеля - Clamp, Cable (ELECTRIC STARTER # ) (Струбцина кабеля)

под заказ520 руб.
603241-0625A-000

Винт - Screw (Screw # ELECTRIC STARTER # ) (Винт)

под заказ150 руб.
729404-93J10-000

Струбцина - Clamp (Clamp # <-09404-06432 # ) (Струбцина переключателя)

под заказ190 руб.
729404-93J11-000

   (актуальный код замены) Струбцина - Clamp

под заказ190 руб.
729404-93J20-000

Струбцина - Clamp (Clamp, fuel hose guard # DF9.9R/15R # ) (Струбцина топливного шланга)

под заказ190 руб.
801550-06127-000

Болт - Bolt (Bolt, rect # ) (Bolt)

10 шт180 руб.
932890-94J00-000

Держатель электрических частей - Holder, Electric Parts (Корпус)

под заказ1010 руб.
1009160-06054-000

Шайба (6.5x22x1.6) - Washer (65x22x16) (Washer (6.5x22x1.6) # ) (Шайба)

под заказ120 руб.
1109320-12011-000

Подушка - Cushion (Cushion # ) (Валик)

под заказ150 руб.
1109320-12090-000

   (актуальный код замены) Подушка (11.8x25x7.5) - Cushion (11.8x25x7.5)

под заказ150 руб.
1209321-06013-000

Подушка - Cushion (Cushion, engine cover # ) (Валик капота)

под заказ150 руб.
1209321-06036-000

   (актуальный код замены) Подушка, License Пластина - Cushion, License Plate

под заказ150 руб.
1302162-06167-000

Болт - Bolt

под заказ180 руб.
1301550-06167-000

   (актуальный код замены) Болт - Bolt

9 шт210 руб.
1301550-06167-000

Болт - Bolt (Bolt)

9 шт210 руб.
1409407-11401-000

Струбцина (l: 95) - Clamp (l:95) (Clamp, stator lead # MANUAL STARTER # ) (Хомут)

под заказ170 руб.
1537725-94302-000

Пускатель переключателя нейтрали - Actuator, Neutral Switch (Actuator, neutral sw # ) (Переключатель силового привода)

1 шт520 руб.
1637726-94J00-000

Кронштейн переключателя нейтрали - Bracket, Neutral Switch (DF9.9:681261~ DF15:682163~ # ) (Кронштейн нейтрального переключателя)

под заказ470 руб.
1637726-95D02-000

Кронштейн переключателя нейтрали - Bracket, Neutral Switch (Bracket, neutral sw # ) (Кронштейн нейтральный)

под заказ770 руб.
1701550-06167-000

Болт - Bolt (Bolt)

9 шт210 руб.
1837161-94J00-000

Выключатель двигателя электростартера - Switch Assy, Starter Motor (Switch, starting motor # ELECTRIC STARTER # ) (Переключатель старта)

1 шт4660 руб.
1909159-14014-000

Гайка - Nut (Nut # ELECTRIC STARTER # ) (Гайка 10MM)

16 шт320 руб.
2037721-94J01-000

Выключатель нейтрали, в сборе - Switch Assy, Neutral (Switch assy, neutral)

под заказ5430 руб.
2037721-94J02-000

   (актуальный код замены) Выключатель нейтрали, в сборе - Switch Assy, Neutral

под заказ5430 руб.
2133833-91J00-000

Трубка провода переключателя (l: 250) - Tube, Switch Lead (l:250) (Tube # L:250->50 # ) (Труба)

под заказ610 руб.
2233833-94JL0-000

Трубка провода переключателя (16x17x120) - Tube, Switch Lead (16x17x120) (ELECTRIC STARTER # ) (Tube, sw lead)

под заказ130 руб.


Время выполнения запроса 0.78288388252258 сек.

 
 

данный сайт носит информационный характер и не является публичной офертой

склад запчастей для водомоторной техники