Подобрать оригинальные запчасти на подвесной двигатель Suzuki DF9.9S/L; DF9.9RS/L - Swivel bracket - Поворотный кронштейн
вконтакте

Контактный телефон: +7 (981) 121-46-93, +7 (800) 200-90-76 , Email: parts-katalog@yandex.ru, где купить

 
 

  Логин:

Пароль:

Регистрация

www.partskatalog.ru Все каталоги Запчасти Mercury Запчасти Suzuki Запчасти Tohatsu Запчасти Honda Контакты

назад Раздел:   вперёд

Вернуться к выбору узлов мотора


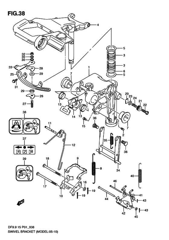
ДЕТАЛИРОВКА ДЛЯ МОДЕЛИ: SUZUKI DF9.9S K9

Поворотный кронштейн


Код модели двигателя: DF9.9S/L; DF9.9RS/L

Год выпуска двигателя: 2009

Регион: General Export No.1 ,Код региона: P01

Цвет: Shadow Black Metallic

Номер на
рисунке
АртикулНаименованиеQTYКол-во
на складе
Цена
143111-94J00-0EP

Поворотный кронштейн (чёрный) - Bracket, Swivel (black)

под заказ24480 руб.
143111-94J21-0EP

   (актуальный код замены) Поворотный кронштейн - Bracket, Swivel

1 шт28560 руб.
143111-94J20-0EP

Поворотный кронштейн (чёрный) - Bracket, Swivel (black) (Bracket, swivel (black))

под заказ24480 руб.
143111-94J21-0EP

   (актуальный код замены) Поворотный кронштейн - Bracket, Swivel

1 шт28560 руб.
143111-94J30-0EP

Поворотный кронштейн - Bracket, Swivel (MODEL:10~ # )

под заказ31440 руб.
143111-94J31-0EP

   (актуальный код замены) Поворотный кронштейн - Bracket, Swivel

под заказ31440 руб.
143111-94J31-0EP

Поворотный кронштейн - Bracket, Swivel (Bracket, swivel)

под заказ31440 руб.
222511-99011-000

Ниппель смазки - Nipple, Grease (Ниппель)

2 шт400 руб.
343711-93901-000

Втулка рулевой системы - Bush, Steering

под заказ350 руб.
343711-99J00-000

   (актуальный код замены) Втулка рулевой системы - Bush, Steering

29 шт370 руб.
343711-99J00-000

Втулка рулевой системы - Bush, Steering (Втулка)

29 шт370 руб.
343711-99J00-000

Втулка рулевой системы - Bush, Steering (DF15:110001~ # ) (Втулка)

29 шт370 руб.
443750-94J01-0EP

Кронштейн рулевого управления (чёрный) - Bracket, Steering (black)

под заказ24480 руб.
443750-94J20-0EP

   (актуальный код замены) Кронштейн рулевого управления (чёрный) - Bracket, Steering (black)

под заказ24480 руб.
443750-94J20-0EP

Кронштейн рулевого управления (чёрный) - Bracket, Steering (black) (Bracket, steering (black))

под заказ24480 руб.
443750-94J20-0EP

Кронштейн рулевого управления (чёрный) - Bracket, Steering (black) (MODEL:10~ # ) (Bracket, steering (black))

под заказ24480 руб.
509160-27009-000

Шайба (27.5x47x2) - Washer (275x47x2)

под заказ320 руб.
509160-27013-000

   (актуальный код замены) Шайба (27.5x47x2) - Washer (27.5x47x2)

9 шт350 руб.
509160-27013-000

Шайба (27.5x47x2) - Washer (275x47x2) (Washer, 27.5x47x2)

9 шт350 руб.
609280-27004-000

Уплотнительное кольцо (d: 3.1, Id: 26.2) - O Ring (d:31, Id:262) (O ring # ) (O ring (d:3.1, id:26.2))

25 шт150 руб.
609280-27L01-000

Уплотнительное кольцо (d: 3.1, Id: 26.2) - O Ring (d:31, Id:262) (DF15:110001~ # )

под заказ130 руб.
609280-27004-000

   (актуальный код замены) Уплотнительное кольцо (d: 3.1, Id: 26.2) - O Ring (d:3.1, Id:26.2)

25 шт150 руб.
609280-27004-000

Уплотнительное кольцо (d: 3.1, Id: 26.2) - O Ring (d:31, Id:262) (O ring # ) (O ring (d:3.1, id:26.2))

25 шт150 руб.
743211-87JL0-000

Втулка поворотного кронштейна - Bush, Swivel Bracket (DF15:110001~ # ) (Bush, swivel bracket)

8 шт1770 руб.
7SK43211-87JL0

   (не оригинальный аналог) Втулка поворотного механизма Skipper для Suzuki DT9,9-15/ DF9,9-DF30a

0 шт148 руб.
743211-94401-000

Втулка поворотного кронштейна - Bush, Swivel Bracket

под заказ1450 руб.
743211-87JL0-000

   (актуальный код замены) Втулка поворотного кронштейна - Bush, Swivel Bracket

8 шт1770 руб.
743211-87JL0-000

Втулка поворотного кронштейна - Bush, Swivel Bracket (Bush, swivel bracket)

8 шт1770 руб.
7SK43211-87JL0

   (не оригинальный аналог) Втулка поворотного механизма Skipper для Suzuki DT9,9-15/ DF9,9-DF30a

0 шт148 руб.
845212-94J00-000

Пружина рычага блокировки задней передачи - Spring, Reverse Lock Arm (MODEL:05~09 # )

под заказ560 руб.
845212-94J01-000

   (актуальный код замены) Пружина рычага блокировки задней передачи - Spring, Reverse Lock Arm

под заказ560 руб.
845212-94J01-000

Пружина рычага блокировки задней передачи - Spring, Reverse Lock Arm (Spring, rev lock arm)

под заказ560 руб.
945231-94J00-000

Рычаг блокировки реверса - Arm, Reverse Lock (MODEL:05~09 # ) (Рычаг блокировки заднего хода)

под заказ2480 руб.
1045241-94J00-000

Тяга рычага блокировки реверса - Link, Reverse Lock Arm (MODEL:05~09 # ) (Сустав ручки заднего хода)

под заказ2160 руб.
1141225-94502-000

Стопор пружины блокировки наклона - Pin, Tilt Lock Spring (Pin, tilt lock spring)

под заказ570 руб.
1245250-94J00-000

Освобождающая тяга - Link, Release (Тяга)

под заказ1320 руб.
1309306-22006-000

Втулка (22.6x27x8) - Bush (226x27x8) (Bush # ) (Втулка выключателя)

4 шт300 руб.
1359315-94J00-000

   (актуальный код замены) Втулка рычага блокировки - Bush, Release Lever

4 шт300 руб.
1445261-94J00-000

Освобождающий рычаг - Lever, Release (Рукоятка заднего хода)

под заказ1530 руб.
1529125-93J10-000

Винт - Screw (Screw (5x8) # <-09125-05050 # ) (Болт)

под заказ150 руб.
1509125-05050-000

   (актуальный код замены) Винт (5x8) - Screw (5x8)

под заказ150 руб.
1609160-06082-000

Шайба (6.5x13x1.0) - Washer (65x13x10) (Washer # MODEL:05~09 # ) (Шайба)

6 шт150 руб.
1709200-05014-000

Штифт - Pin (MODEL:05~09 # ) (Pin)

7 шт370 руб.
1809200-06061-000

Штифт - Pin (Pin # MODEL:05~09 # ) (Pin (sus))

9 шт780 руб.
1909204-01002-000

Штифт - Pin (Cotter pin # MODEL:05~09 <-45247-94J00 # ) (Стопор)

24 шт140 руб.
2043411-93900-000

Пластина рулевого управления Регулятор - Plate, Steering Adjuster

под заказ170 руб.
2043411-939L0-000

   (актуальный код замены) Пластина рулевого управления Регулятор - Plate, Steering Adjuster

5 шт200 руб.
2043411-939L0-000

Пластина рулевого управления Регулятор - Plate, Steering Adjuster (Plate, steering adjuster)

5 шт200 руб.
2043411-939L0-000

Пластина рулевого управления Регулятор - Plate, Steering Adjuster (DF15:110001~ # ) (Plate, steering adjuster)

5 шт200 руб.
2143412-93900-000

Крышка регулировки рулевой системыer - Cover, Steering Adjuster (Cover, steering adjust # <-43412-94J00 # ) (Крышка регулятора)

под заказ340 руб.
2143412-93901-000

   (актуальный код замены) Крышка регулировки рулевой системыer - Cover, Steering Adjuster

под заказ340 руб.
2209100-08232-000

Болт (8x30) - Bolt (8x30) (Bolt)

6 шт350 руб.
2309160-08082-000

Шайба (8.5x16x1.2) - Washer (85x16x12) (Шайба)

13 шт120 руб.
2443419-94J00-000

Пружина регулятора рулевой системы - Spring, Steering Adjuster

под заказ190 руб.
2429440-93J00-000

   (актуальный код замены) Пружина регулятора рулевой системы - Spring, Steering Adjuster

под заказ190 руб.
2429440-93J00-000

Пружина регулятора рулевой системы - Spring, Steering Adjuster (Пружина регулятора)

под заказ190 руб.
2543415-94J00-000

Пластина рулевого управления Регулятор - Plate, Steering Adjuster (EXCEPT DF9.9R/15R # ) (Плата регулятора)

под заказ1400 руб.
2643420-94J10-000

Гайка, Рулевая система Регулятор - Nut, Steering Adjuster (EXCEPT DF9.9R/15R # ) (Гайка)

под заказ1200 руб.
2643420-94J20-000

Пластина фрикциона регулировки рулевого управления - Plate, Strg Adjuster Friction (EXCEPT DF9.9R/15R MODEL:10 # ) (Plate comp, strg adj friction)

под заказ400 руб.
2743512-94J00-000

Резьбовой вал регулировки рулевого управления - Shaft, Strg Adjuster Thread (EXCEPT DF9.9R/15R # )

под заказ1120 руб.
2743512-94JL0-000

   (актуальный код замены) Резьбовой вал регулировки рулевого управления - Shaft, Strg Adjuster Thread

1 шт1120 руб.
2743512-94JL0-000

Резьбовой вал регулировки рулевого управления - Shaft, Strg Adjuster Thread (Shaft, strg adjuster thread)

1 шт1120 руб.
2843514-94J00-000

Пластина фрикциона регулировки рулевого управления - Plate, Strg Adjuster Friction (EXCEPT DF9.9R/15R # ) (Плата)

1 шт180 руб.
2943514-95J00-000

Шайба фрикциона регулировки рулевой системы Пластина - Washer, Strg Adj Friction Plate (EXCEPT DF9.9R/15R # ) (Шайба)

под заказ430 руб.
3043516-89J00-000

Шайба регулятора рулевой системы - Washer, Steering Adjuster (EXCEPT DF9.9R/15R # ) (Шайба регулятора)

под заказ1330 руб.
3129116-93J00-000

Болт - Bolt (EXCEPT DF9.9R/15R <-09116-06106 # ) (Bolt (6x20))

10 шт250 руб.
3209159-08059-000

Гайка - Nut (Nut, clutch lever # EXCEPT DF9.9R/15R # ) (Гайка)

13 шт390 руб.
3343411-94J00-000

Регулировка рулевой системы - Adjuster, Steering (EXCEPT DF9.9R/15R # ) (Регулятор управления)

3 шт1770 руб.
3445710-94J01-000

Ручка движения по мелководью - Arm, Shallow Drive

под заказ3940 руб.
3445710-99JL1-000

   (актуальный код замены) Рычаг привода движения по мелководью - Arm Comp, Shallow Drive

4 шт4300 руб.
3445710-99JL0-000

Ручка движения по мелководью - Arm, Shallow Drive (Arm, shallow drive)

под заказ3940 руб.
3445710-99JL1-000

   (актуальный код замены) Рычаг привода движения по мелководью - Arm Comp, Shallow Drive

4 шт4300 руб.
3545722-94J00-000

Пружина, Shallow Water Рычаг привода - Spring, Shallow Water Drive Arm

под заказ1740 руб.
3545722-94J11-000

   (актуальный код замены) Пружина, Shallow Water Рычаг привода - Spring, Shallow Water Drive Arm

4 шт1900 руб.
3545722-94J11-000

Пружина, Shallow Water Рычаг привода - Spring, Shallow Water Drive Arm (Spring, shallow water drive arm)

4 шт1900 руб.
3545722-94J11-000

Пружина, Shallow Water Рычаг привода - Spring, Shallow Water Drive Arm (MODEL:10~ # ) (Spring, shallow water drive arm)

4 шт1900 руб.
3609111-10032-000

Болт (10x20.5) - Bolt (10x205)

под заказ400 руб.
3609111-10067-000

   (актуальный код замены) Болт (10x20.5) - Bolt (10x20.5)

2 шт430 руб.
3609111-10067-000

Болт (10x20.5) - Bolt (10x205) (Bolt, 10x20.4)

2 шт430 руб.
3721131-94J00-000

Маркировка переключателя сцепления - Mark, Clutch Shift (Mark, clutch shift # EXCEPT DF9.9R/15R # ) (Mark, clutch)

под заказ150 руб.
3721131-94J00-YAY

   (актуальный код замены) Маркировка переключателя сцепления - Mark, Clutch Shift

под заказ150 руб.
3845269-94J00-000

Маркировка - блокировка задней передачи - Mark, Reverse Lock (EXCEPT DF9.9R/15R # ) (Маркировка ручки)

под заказ250 руб.
3945269-94J20-000

Маркировка - блокировка задней передачи - Mark, Reverse Lock (DF9.9R/15R # ) (Маркировка ручки)

под заказ180 руб.
4045212-99J10-000

Пружина рычага блокировки задней передачи - Spring, Reverse Lock Arm (MODEL:10~ # )

1 шт820 руб.
4045212-99JL0-000

   (актуальный код замены) Пружина рычага блокировки задней передачи - Spring, Reverse Lock Arm

6 шт820 руб.
4045212-99JL0-000

Пружина рычага блокировки задней передачи - Spring, Reverse Lock Arm (Spring, reverse lock arm)

6 шт820 руб.
4145231-99J10-000

Рычаг блокировки реверса - Arm, Reverse Lock (MODEL:10~ # )

под заказ4230 руб.
4145231-99JL0-000

   (актуальный код замены) Рычаг блокировки реверса - Arm, Reverse Lock

под заказ4230 руб.
4145231-99JL0-000

Рычаг блокировки реверса - Arm, Reverse Lock (Arm, reverse lock)

под заказ4230 руб.
4245241-99J10-000

Тяга рычага блокировки реверса - Link, Reverse Lock Arm (MODEL:10 # )

под заказ3510 руб.
4245241-99JL1-000

   (актуальный код замены) Тяга рычага блокировки реверса - Link, Reverse Lock Arm

под заказ3510 руб.
4245241-99JL1-000

Тяга рычага блокировки реверса - Link, Reverse Lock Arm (Link, reverse lock arm)

под заказ3510 руб.
4245241-99JL0-000

Тяга рычага блокировки реверса - Link, Reverse Lock Arm (DF15:110001~ # )

под заказ3510 руб.
4245241-99JL1-000

   (актуальный код замены) Тяга рычага блокировки реверса - Link, Reverse Lock Arm

под заказ3510 руб.
4245241-99JL1-000

Тяга рычага блокировки реверса - Link, Reverse Lock Arm (Link, reverse lock arm)

под заказ3510 руб.
4309204-01002-000

Штифт - Pin (Cotter pin # DF15:012105~ # ) (Стопор)

24 шт140 руб.
4345247-99J00-000

Стопор блокировки поворотного механизма - Pin, Rev Lock Arm Cotter (DF15:012105~ # ) (Pin, rev lock arm cotter)

2 шт130 руб.
4409200-06061-000

Штифт - Pin (Pin # MODEL:10~ # ) (Pin (sus))

9 шт780 руб.
4509160-06082-000

Шайба (6.5x13x1.0) - Washer (65x13x10) (Washer # MODEL:10~ # ) (Шайба)

6 шт150 руб.
4609200-05014-000

Штифт - Pin (MODEL:10~ # ) (Pin)

7 шт370 руб.


Время выполнения запроса 1.8237040042877 сек.

 
 

данный сайт носит информационный характер и не является публичной офертой

склад запчастей для водомоторной техники