Подобрать оригинальные запчасти на подвесной мотор Suzuki модель 2010 года - Clamp bracket
вконтакте

Контактный телефон: +7 (981) 121-46-93, +7 (800) 200-90-76 , Email: parts-katalog@yandex.ru, где купить

 
 

  Логин:

Пароль:

Регистрация

www.partskatalog.ru Все каталоги Запчасти Mercury Запчасти Suzuki Запчасти Tohatsu Запчасти Honda Контакты



УВАЖАЕМЫЕ КЛИЕНТЫ!
C 19 ДЕКАБРЯ 2025 ПО 02 МАРТА 2026 ГОДА ОТДЕЛ ЗАПЧАСТЕЙ И СЕРВИС РАБОТАТЬ НЕ БУДУТ
ПРОДАЖА ЛОДОЧНЫХ МОТОРОВ В ШТАТНОМ РЕЖИМЕ
ОБ ИЗМЕНЕНИЯХ В ГРАФИКЕ РАБОТЫ ЧИТАЙТЕ НА САЙТА



назад Раздел:   вперёд

Вернуться к выбору узлов мотора


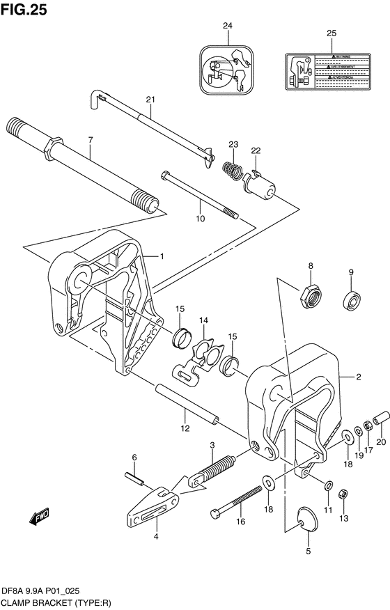
ДЕТАЛИРОВКА ДЛЯ МОДЕЛИ: SUZUKI DF9.9ARLK10(P1) K10

Кронштейн транца


Год выпуска двигателя: 2010

Номер на
рисунке
АртикулНаименованиеQTYКол-во
на складе
Цена
141111-94J20-0EP

Кронштейн правого зажима - Bracket, Clamp Stbd (Bracket, clamp stbd)

под заказ20160 руб.
241121-94J20-0EP

Кронштейн левого зажима - Bracket, Clamp Port (Bracket, clamp port)

под заказ14600 руб.
341211-99J00-000

Винт зажима - Screw, Clamp

под заказ1480 руб.
341211-99JL0-000

   (актуальный код замены) Винт зажима - Screw, Clamp

под заказ1480 руб.
341211-99JL0-000

Винт зажима - Screw, Clamp (Screw, clamp)

под заказ1480 руб.
341211-99JL0-000

Винт зажима - Screw, Clamp (Df8a:110001~, df9.9a:110001~ # ) (Screw, clamp)

под заказ1480 руб.
441212-91J00-000

Струбцина румпеля - Handle, Clamp (Рукоятка струбцины)

8 шт750 руб.
541213-98100-000

Пластина струбцины - Plate, Clamp (Plate, clamp # Plate, clamp; # ) (Плата струбцины)

под заказ390 руб.
541213-94J01-000

   (актуальный код замены) Пластина струбцины - Plate, Clamp

под заказ420 руб.
609205-06007-000

Стопор пружины (6x25) - Pin, Spring (6x25) (Pin (6x27) # Pin (6.2x25); # ) (Pin)

13 шт170 руб.
741130-93E02-000

Труба кронштейна транца - Shaft, Clamp Bracket

под заказ6820 руб.
741130-93E03-000

   (актуальный код замены) Труба кронштейна транца - Shaft, Clamp Bracket

под заказ6820 руб.
741130-93E03-000

Труба кронштейна транца - Shaft, Clamp Bracket (Shaft, clamp bracket)

под заказ6820 руб.
809159-22006-000

Гайка - Nut (Nut, clamp brkt shaft; # ) (Гайка)

8 шт1950 руб.
941161-94400-000

Сальник рулевого кабеля - Seal, Steering Cable (Seal, steering cable # ) (Уплотение кабеля)

16 шт1530 руб.
1009100-06125-000

Болт (6x140) - Bolt (6x140) (Bolt, clamp brkt lwr (6x140); # )

под заказ470 руб.
1009100-06177-000

   (актуальный код замены) Болт (6x140) - Bolt (6x140)

9 шт470 руб.
1009100-06177-000

Болт (6x140) - Bolt (6x140) (Bolt, clamp bracket lower (l140))

9 шт470 руб.
1109160-06082-000

Шайба (6.5x13x1.0) - Washer (65x13x10) (Washer # Washer, clamp brkt lwr lock (6.5x13x1); # ) (Шайба)

7 шт150 руб.
1209180-06357-000

Проставка (6.5x10.5x104) - Spacer (65x105x104) (Spacer, clamp brkt lwr (6.5x10.5x104); # ) (Spacer, 6.5x10.5x104)

под заказ1860 руб.
1323118-94J00-000

Гайка - Nut (Nut, clamp brkt lwr (m6); # )

под заказ170 руб.
1329141-93J00-000

   (актуальный код замены) Гайка - Nut

18 шт480 руб.
1329141-93J00-000

Гайка - Nut (Гайка)

18 шт480 руб.
1445261-94J00-000

Освобождающий рычаг - Lever, Release (Рукоятка заднего хода)

под заказ1530 руб.
1509306-22006-000

Втулка (22.6x27x8) - Bush (226x27x8) (Bush # Bush, release lever; # ) (Втулка выключателя)

4 шт300 руб.
1559315-94J00-000

   (актуальный код замены) Втулка рычага блокировки - Bush, Release Lever

4 шт300 руб.
1609100-08239-000

Болт (8x90) - Bolt (8x90) (Bolt, transom (8x90); # )

под заказ420 руб.
1609100-08311-000

   (актуальный код замены) Болт (8x90) - Bolt (8x90)

8 шт420 руб.
1609100-08311-000

Болт (8x90) - Bolt (8x90) (Bolt, 8x90)

8 шт420 руб.
1709140-08023-XC0

Гайка - Nut (Nut, transom bolt; # ) (Гайка)

14 шт190 руб.
1809160-08081-000

Шайба (8.5x23x1.5) - Washer (85x23x15) (Washer, clutch lever # Washer, transom bolt (8.5x23x1.5); # ) (Шайба)

4 шт210 руб.
1929162-93J10-000

Шайба (8.2x21.5x3) - Washer (82x215x3) (Lock washer (8.2x15.4x2.0) # Washer, transom bolt lock; # ) (Пластина замка)

4 шт130 руб.
2041153-96300-000

Колпачок транцевого болта - Cap, Transom Bolt (Cap, transom bolt; # ) (Наконечник болта)

под заказ370 руб.
2145420-99J00-000

Штифт блокировки наклона - Pin, Tilt Lock

под заказ3890 руб.
2145420-99JM1-000

   (актуальный код замены) Штифт Comp, Tilt Lock - Pin Comp, Tilt Lock

1 шт3890 руб.
2145420-99JM0-000

Штифт блокировки наклона - Pin, Tilt Lock (Pin comp, tilt lock)

10 шт3890 руб.
2145420-99JM1-000

   (актуальный код замены) Штифт Comp, Tilt Lock - Pin Comp, Tilt Lock

1 шт3890 руб.
2245425-94J00-000

Стопор штифта ограничителя наклона - Stopper, Tilt Lock Pin (Stopper, tilt lock pin; # )

под заказ160 руб.
2245425-94J01-000

   (актуальный код замены) Стопор штифта ограничителя наклона - Stopper, Tilt Lock Pin

17 шт190 руб.
2309441-17001-000

Пружина - Spring (Spring, tilt lock pin; # ) (Пружина)

11 шт220 руб.
2445269-94J20-000

Маркировка - блокировка задней передачи - Mark, Reverse Lock (Маркировка ручки)

под заказ180 руб.
2569911-91J00-000

Маркировка на кронштейне транца - Mark, Clamp Bracket (Маркировка)

под заказ320 руб.
2569911-91J40-000

Маркировка на кронштейне транца - Mark, Clamp Bracket (Df8a:010867~, df9.9a:011403~ # ) (Mark, clamp bracket)

1 шт320 руб.
2641210-99J00-000

Набор винтов, Струбцина - Screw Set, Clamp (Opt, not shown # ) (Screw set, clamp)

под заказ2910 руб.
2641210-99JL1-000

   (актуальный код замены) Винт струбцины, в сборе - Screw Assy, Clamp

1 шт2910 руб.
2641210-99JL0-000

Набор винтов, Струбцина - Screw Set, Clamp (Df8a:110001~, df9.9a:110001~ # ) (Screw set, clamp)

под заказ2910 руб.
2641210-99JL1-000

   (актуальный код замены) Винт струбцины, в сборе - Screw Assy, Clamp

1 шт2910 руб.


Время выполнения запроса 0.97408986091614 сек.

 
 

данный сайт носит информационный характер и не является публичной офертой

склад запчастей для водомоторной техники