| |
 |
|
 |
Вернуться к выбору узлов мотора
ДЕТАЛИРОВКА ДЛЯ МОДЕЛИ: SUZUKI DF15A/DF15AR FROM 01504F-310001~ (P01 013)
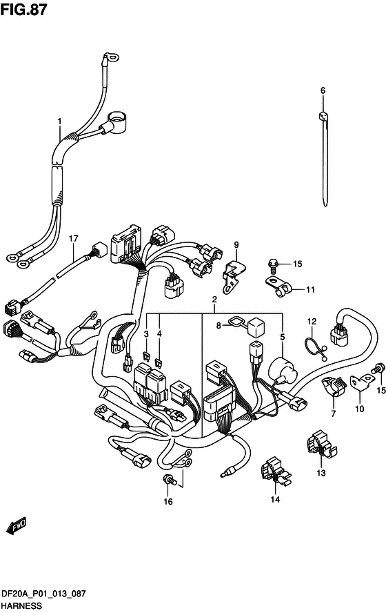
Жгут проводов
Код модели двигателя: DF15AS/L; DF15ARS/L
Год выпуска двигателя: 2013
Регион: General Export No.1/General South East Asia ,Код региона: P01/P013
Цвет: Shadow Black Metallic
Номер на рисунке | Артикул | Наименование | QTY | Кол-во на складе | Цена |
| 1 | 33810-89L00-000 | Кабель стартера - Cable, Starter (Cable, starter) | | под заказ | 6340 руб. |
| 1 | 33810-89L10-000 | (актуальный код замены) Кабель стартера - Cable, Starter | | 1 шт | 6340 руб. |
| 2 | 36610-89L20-000 | Жгут проводов, в сборе - Harness Assy, Wiring | | под заказ | 45600 руб. |
| 2 | 36610-89L80-000 | (актуальный код замены) Жгут проводов, в сборе (r) - Harness Assy, Wiring (r) | | под заказ | 45600 руб. |
| 2 | 36610-89L21-000 | Жгут проводов, в сборе - Harness Assy, Wiring (Harness assy, wiring) | | 2 шт | 45600 руб. |
| 2 | 36610-89L80-000 | (актуальный код замены) Жгут проводов, в сборе (r) - Harness Assy, Wiring (r) | | под заказ | 45600 руб. |
| 3 | 09481-10501-000 | Предохранитель (10a) - Fuse (10a) (Fuse (10a)) | | 5 шт | 250 руб. |
| 4 | 09481-30501-000 | Предохранитель (30a) - Fuse (30a) (Fuse (30a)) | | 8 шт | 270 руб. |
| 5 | 36618-43410-000 | Колпачок выключателя по давлению масла - Cap, Oil Pressure Switch (Крышка переключателя) | | под заказ | 250 руб. |
| 6 | 09407-14407-000 | Струбцина (l: 145) - Clamp (l:145) (Band # ) (Clamp (l:145)) | | 9 шт | 230 руб. |
| 7 | 09408-00184-000 | Струбцина - Clamp (Струбцина проводки) | | под заказ | 220 руб. |
| 8 | 33634-96J00-000 | Колпачок сервисного разъёма - Cap, Service Connector (Крышка соединителя) | | под заказ | 610 руб. |
| 9 | 36617-89L01-000 | Кронштейн, Harn - Bracket, Harn (Bracket, harness) | | под заказ | 450 руб. |
| 10 | 36617-91J00-000 | Кронштейн, Переключатель Lead - Bracket, Switch Lead (Bracket, switch lead) | | под заказ | 200 руб. |
| 11 | 09403-08404-000 | Струбцина - Clamp (Clamp) | | под заказ | 250 руб. |
| 11 | 09403-08417-000 | (актуальный код замены) Струбцина, Rsvr Шланг - Clamp, Rsvr Hose | | под заказ | 250 руб. |
| 12 | 09408-00008-000 | Зажим (id: 20) - Clip (id:20) (Clamp, vacuum hose # ) (Clamp) | | под заказ | 150 руб. |
| 13 | 09408-00252-000 | Струбцина - Clamp (UP TO VIN.313256 # ) (Clamp) | | под заказ | 240 руб. |
| 13 | 09408-00296-000 | Струбцина - Clamp (FROM VIN.313257 # ) (Clamp) | | под заказ | 240 руб. |
| 14 | 09408-00297-000 | Струбцина - Clamp (Clamp) | | под заказ | 240 руб. |
| 15 | 01550-06127-000 | Болт - Bolt (Bolt, rect # ) (Bolt) | | 10 шт | 180 руб. |
| 16 | 01550-06127-000 | Болт - Bolt (Bolt, rect # ) (Bolt) | | 10 шт | 180 руб. |
| 17 | 36620-93J10-000 | Удлинитель провода дистанционного управления (l: 2000) - Wire Assy, Remocon Ext (l:2000) (Wire assy, remocon extension # OPT L:2000 # ) (Проводка дистанционного упраления) | | под заказ | 12390 руб. |
| 17 | 36620-93J12-000 | (актуальный код замены) Удлинитель провода дистанционного управления (l: 2000) - Wire Assy, Remocon Ext (l:2000) | | под заказ | 13480 руб. |
| 17 | 36620-93J40-000 | Удлинитель провода дистанционного управления (l: 3000) - Wire Assy, Remocon Ext (l:3000) (Wire assy, remocon extension # OPT L:3000 # ) (Проводка дистанционного упраления) | | под заказ | 15030 руб. |
| 17 | 36620-93J42-000 | (актуальный код замены) Удлинитель провода дистанционного управления - Wire Assy, Remote Control Ext | | под заказ | 15030 руб. |
Время выполнения запроса 0.89761114120483 сек. |
|