| |
 |
|
 |
Вернуться к выбору узлов мотора
ДЕТАЛИРОВКА ДЛЯ МОДЕЛИ: SUZUKI DF15A/DF15AR FROM 01504F-310001~ (P03 013)
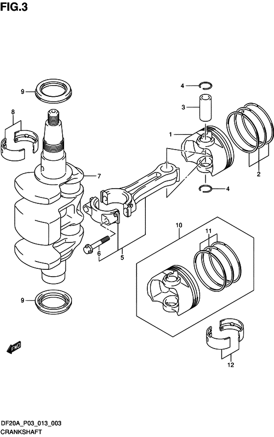
Коленвал
Код модели двигателя: DF15AS/L; DF15ARS/L
Год выпуска двигателя: 2013
Регион: USA/General South East Asia ,Код региона: P03/P013
Цвет: Shadow Black Metallic
Номер на рисунке | Артикул | Наименование | QTY | Кол-во на складе | Цена |
| 1 | 12111-89L00-0B0 | Поршень - Piston (Piston) | | под заказ | 5620 руб. |
| 1 | 12111-89L10-0B0 | (актуальный код замены) Поршень - Piston | | 13 шт | 5620 руб. |
| 2 | 12140-89L00-000 | Поршневые кольца - Ring Set, Piston (Ring set, piston) | | 1 шт | 6500 руб. |
| 3 | 12151-89L00-000 | Поршневой палец - Pin, Piston (Pin, piston) | | 7 шт | 950 руб. |
| 4 | 09381-16001-000 | Пружинное кольцо - Ring, Snap (Circlip # ) (Snap ring) | | 10 шт | 140 руб. |
| 5 | 12160-89L00-000 | Шатун в сборе - Connrod Assy (Шатун) | | под заказ | 3920 руб. |
| 5 | 12160-89L11-000 | (актуальный код замены) Шатун в сборе - Connrod Assy | | 15 шт | 7000 руб. |
| 6 | 12163-89L00-000 | Болт шатуна - Bolt, Connecting Rod (Bolt, connrod) | | под заказ | 220 руб. |
| 6 | 12163-89L02-000 | (актуальный код замены) Болт шатуна - Bolt, Connrod | | под заказ | 220 руб. |
| 7 | 12220-89L00-000 | Коленвал - Crankshaft (Crankshaft comp) | | 1 шт | 67440 руб. |
| 8 | 12229-33C00-0A0 | Подшипник коленвала (зелёный) - Bearing, Crankshaft (green) (Подшипник коленвала) | | 4 шт | 1150 руб. |
| 9 | 09283-32039-000 | Сальник (32x44x6.5) - Seal, Oil (32x44x65) (Уплотнение коленвала) | | 61 шт | 1600 руб. |
| 9 | 09283-32048-000 | (актуальный код замены) Сальник (32x44x6.5) - Seal, Oil (32x44x6.5) | | 16 шт | 1450 руб. |
| 10 | 12100-89L00-050 | Комплект поршня (os: 0.5) - Piston Set (os:05) (OPT # ) (Piston set, os (0.50)) | | под заказ | 10320 руб. |
| 10 | 12100-89L20-050 | (актуальный код замены) Комплект поршня, Os (0.50) - Piston Set, Os (0.50) | | под заказ | 6000 руб. |
| 11 | 12140-89L00-050 | Поршневые кольца (os: 0.50) - Ring Set, Piston (os:050) (OPT # ) (Ring set, piston os 0.5) | | под заказ | 5240 руб. |
| 12 | 12229-33C00-0D0 | Подшипник коленвала (жёлтый) - Bearing, Crankshaft (yellow) (Bearing, crankshaft # OPT # ) (Подшипник коленвала) | | 16 шт | 1160 руб. |
Время выполнения запроса 5.816330909729 сек. |
|