| |
 |
|
 |
Вернуться к выбору узлов мотора
ДЕТАЛИРОВКА ДЛЯ МОДЕЛИ: SUZUKI DF15 FROM 11503F-210001~
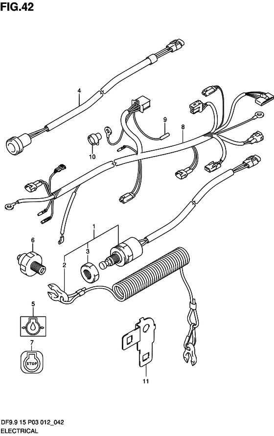
Электрика
Код модели двигателя: DF15S/L; DF15RS/L
Год выпуска двигателя: 2012
Цвет: Shadow Black Metallic
Номер на рисунке | Артикул | Наименование | QTY | Кол-во на складе | Цена |
| 1 | 37830-94J10-000 | Выключатель аварийной остановки двигателя - Switch Assy, Emergency & Stop (Switch assy, emergency & stop) | | 1 шт | 5960 руб. |
| 1 | 37830-94J11-000 | (актуальный код замены) Выключатель аварийной остановки двигателя - Switch Assy, Emergency & Stop | | 2 шт | 5960 руб. |
| 2 | 37823-97J00-000 | Плата блокировки - Plate, Lock (Plate, lock) | | 2 шт | 2230 руб. |
| 3 | 37826-97J00-000 | Гайка - Nut (Гайка) | | под заказ | 200 руб. |
| 3 | 37826-97J01-000 | (актуальный код замены) Гайка аварийного выключателя - Nut, Emergency Switch | | под заказ | 200 руб. |
| 4 | 36360-94J00-000 | Индикатор давления масла - Indicator, Oil Pressure (Indicator, oil level) | | под заказ | 1260 руб. |
| 5 | 36367-93E00-019 | Наклейка - масло Pressure - Label, Oil Pressure (Label, oil level (black) # ) (Наклейка уровня масла (чёрная)) | | под заказ | 340 руб. |
| 6 | 37820-93E10-000 | Выключатель при низком давлении масла - Switch, Oil Pressure (Переключатель прессуры) | | под заказ | 2570 руб. |
| 6 | 37820-93E11-000 | (актуальный код замены) Выключатель по давлению масла, в сборе - Switch Assy, Oil Pressure | | под заказ | 2570 руб. |
| 7 | 37835-95D00-000 | Наклейка СТОП - Label, Stop (Label, stop # ) (Наклейка) | | под заказ | 130 руб. |
| 7 | 37835-91J00-YAY | (актуальный код замены) Наклейка СТОП - Label, Stop | | под заказ | 130 руб. |
| 8 | 36610-94JB0-000 | Жгут проводов, в сборе - Harness Assy, Wiring (Harness assy, wiring) | | под заказ | 0 руб. |
| 9 | 36615-96300-000 | Клемма - Terminal (Контакт) | | под заказ | 120 руб. |
| 10 | 36618-43410-000 | Колпачок выключателя по давлению масла - Cap, Oil Pressure Switch (Крышка переключателя) | | под заказ | 250 руб. |
| 11 | 36617-94JA0-000 | Кронштейн, Соединитель Коннектор - Bracket, Joint Connector (Bracket, joint connector) | | под заказ | 0 руб. |
| 12 | 09408-00184-000 | Струбцина - Clamp (FROM VIN.210242 NOT ILLUSTRATED # ) (Струбцина проводки) | | под заказ | 220 руб. |
Время выполнения запроса 1.4140810966492 сек. |
|