| |
 |
|
 |
Вернуться к выбору узлов мотора
ДЕТАЛИРОВКА ДЛЯ МОДЕЛИ: SUZUKI DF15 FROM 11503F-210001~
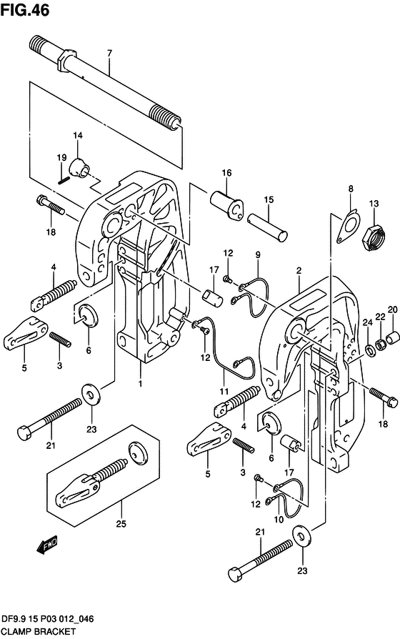
Кронштейн транца
Код модели двигателя: DF15S/L; DF15RS/L
Год выпуска двигателя: 2012
Цвет: Shadow Black Metallic
Номер на рисунке | Артикул | Наименование | QTY | Кол-во на складе | Цена |
| 1 | 41111-94JC0-0EP | Кронштейн правого зажима - Bracket, Clamp Stbd (Bracket, clamp stbd) | | под заказ | 0 руб. |
| 2 | 41121-94JC0-0EP | Кронштейн левого зажима - Bracket, Clamp Port (Bracket, clamp port) | | под заказ | 0 руб. |
| 3 | 09205-06007-000 | Стопор пружины (6x25) - Pin, Spring (6x25) (Pin (6x27) # ) (Pin) | | 13 шт | 170 руб. |
| 4 | 41211-95J00-000 | Винт зажима - Screw, Clamp (Шпилька) | | под заказ | 2180 руб. |
| 5 | 41212-91J00-000 | Струбцина румпеля - Handle, Clamp (Рукоятка струбцины) | | 8 шт | 750 руб. |
| 6 | 41213-98100-000 | Пластина струбцины - Plate, Clamp (Plate, clamp # ) (Плата струбцины) | | под заказ | 390 руб. |
| 6 | 41213-94J01-000 | (актуальный код замены) Пластина струбцины - Plate, Clamp | | под заказ | 420 руб. |
| 7 | 41130-94JA1-000 | Труба кронштейна транца - Shaft, Clamp Bracket (Shaft, clamp bracket) | | под заказ | 15460 руб. |
| 8 | 41135-93J11-000 | Шайба кронштейна вала транца - Washer, Clamp Bracket Shaft (Washer, clamp bracket shaft) | | под заказ | 610 руб. |
| 9 | 36894-87D00-000 | Lead (l: 165) - Lead (l:165) (Lead # ) (Провод) | | 2 шт | 1350 руб. |
| 10 | 36894-87D00-000 | Lead (l: 165) - Lead (l:165) (Lead # ) (Провод) | | 2 шт | 1350 руб. |
| 11 | 36895-87D01-000 | Lead (l: 210) - Lead (l:210) (Lead # ) (Провод) | | 1 шт | 1420 руб. |
| 12 | 09125-06063-000 | Винт (6x10) - Screw (6x10) (Screw (6x10) # ) (Винт 6X10 (SUS)) | | 6 шт | 190 руб. |
| 13 | 09159-22006-000 | Гайка - Nut (Гайка) | | 8 шт | 1950 руб. |
| 14 | 41221-94JA0-000 | Ручка, Стопор наклона - Knob, Tilt Stopper (Knob, tilt stopper) | | под заказ | 2100 руб. |
| 15 | 41222-94JA0-000 | Штифт, Стопор наклона - Pin, Tilt Stopper (Pin, tilt stopper) | | под заказ | 2640 руб. |
| 16 | 41226-94JA0-000 | Втулка, Стопор наклона - Bush, Tilt Stopper (Bush, tilt stopper) | | под заказ | 3440 руб. |
| 17 | 45421-94JA0-000 | Штифт блокировки наклона - Pin, Tilt Lock (Штифт замка) | | 2 шт | 3240 руб. |
| 18 | 09116-08128-000 | Болт (8x40) - Bolt (8x40) (Bolt (8x40)) | | под заказ | 390 руб. |
| 19 | 09205-03004-000 | Стопор пружины (3x20) - Pin, Spring (3x20) (Pin, handle rod drum (l:20) # ) (Pin) | | под заказ | 120 руб. |
| 20 | 41153-95J00-000 | Колпачок транцевого болта - Cap, Transom Bolt (Наконечник болта) | | под заказ | 850 руб. |
| 21 | 09100-10309-000 | Болт (10x110) - Bolt (10x110) (Болт торцевой) | | под заказ | 1040 руб. |
| 22 | 09159-10050-000 | Гайка - Nut (Гайка) | | 8 шт | 250 руб. |
| 23 | 09160-10139-000 | Шайба (10.5x35x3) - Washer (105x35x3) (Шайба (10.5X35X3)) | | под заказ | 350 руб. |
| 24 | 09160-10140-000 | Шайба (10.5x18x3) - Washer (105x18x3) (Washer, upper mount bolt (10.5x18x3) # ) (Шайба, верхней опоры болта (10.5) | | под заказ | 190 руб. |
| 25 | 41210-89E11-000 | Винт струбцины, в сборе - Screw Assy, Clamp (OPT # ) (Screw assy, clamp) | | 2 шт | 3140 руб. |
Время выполнения запроса 1.4032649993896 сек. |
|