| |
 |
|
 |
Вернуться к выбору узлов мотора
ДЕТАЛИРОВКА ДЛЯ МОДЕЛИ: SUZUKI DF15 FROM 11503F-210001~
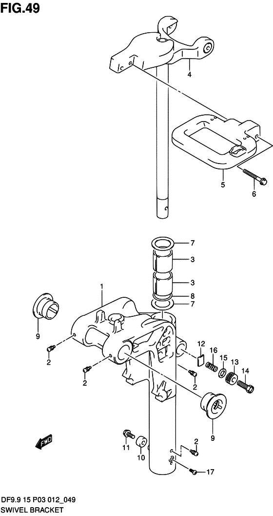
Поворотный кронштейн
Код модели двигателя: DF15S/L; DF15RS/L
Год выпуска двигателя: 2012
Цвет: Shadow Black Metallic
Номер на рисунке | Артикул | Наименование | QTY | Кол-во на складе | Цена |
| 1 | 43111-94JF0-0EP | Поворотный кронштейн (r / con) - Bracket, Swivel (r/con) (Bracket, swivel (r/con)) | | под заказ | 0 руб. |
| 2 | 22511-99011-000 | Ниппель смазки - Nipple, Grease (Ниппель) | | 9 шт | 400 руб. |
| 3 | 43711-94JA0-000 | Втулка рулевой системы - Bush, Steering (Втулка) | | под заказ | 2570 руб. |
| 4 | 43750-94JF0-0EP | Кронштейн рулевого управления (чёрный) - Bracket, Steering (black) (Bracket comp, steering) | | под заказ | 0 руб. |
| 5 | 43757-94JC0-0EP | Кронштейн рулевого управления №2 - Bracket, Steering No2 (Bracket, steering no.2) | | под заказ | 0 руб. |
| 6 | 09116-08156-000 | Болт (8x50) - Bolt (8x50) (Bolt, gear case (l50)) | | под заказ | 420 руб. |
| 7 | 09160-27013-000 | Шайба (27.5x47x2) - Washer (275x47x2) (Washer, 27.5x47x2) | | 9 шт | 350 руб. |
| 8 | 09280-27004-000 | Уплотнительное кольцо (d: 3.1, Id: 26.2) - O Ring (d:31, Id:262) (O ring # ) (O ring (d:3.1, id:26.2)) | | 25 шт | 150 руб. |
| 9 | 43211-94JA0-000 | Втулка поворотного кронштейна - Bush, Swivel Bracket (Bush, swivel bracket) | | под заказ | 0 руб. |
| 10 | 55321-87J00-000 | Защитный анод - Anode, Protection (Протекторная защита) | | 1 шт | 750 руб. |
| 10 | 55321-87J01-000 | (актуальный код замены) Защитный анод - Anode, Protection | | под заказ | 850 руб. |
| 10 | SMO-55321-87J01-000 | (не оригинальный аналог) Защитный анод SMO-55321-87J01-000 (оригинал) | | под заказ | 590 руб. |
| 10 | SMO-55321-87J01-000 | (аналог) Защитный анод SMO-55321-87J01-000 (оригинал) - код 55321-87J01-000 | | под заказ шт | 585 руб. |
| 11 | 09103-06281-000 | Болт (6x14) - Bolt (6x14) (Bolt, protection anode # ) (Bolt) | | 6 шт | 270 руб. |
| 12 | 43411-939L0-000 | Пластина рулевого управления Регулятор - Plate, Steering Adjuster (Plate, steering adjuster) | | 6 шт | 200 руб. |
| 13 | 43412-93900-000 | Крышка регулировки рулевой системыer - Cover, Steering Adjuster (Cover, steering adjust # ) (Крышка регулятора) | | под заказ | 340 руб. |
| 13 | 43412-93901-000 | (актуальный код замены) Крышка регулировки рулевой системыer - Cover, Steering Adjuster | | под заказ | 340 руб. |
| 14 | 09100-08232-000 | Болт (8x30) - Bolt (8x30) (Bolt) | | 6 шт | 350 руб. |
| 15 | 09160-08082-000 | Шайба (8.5x16x1.2) - Washer (85x16x12) (Шайба) | | 13 шт | 120 руб. |
| 16 | 29440-93J00-000 | Пружина регулятора рулевой системы - Spring, Steering Adjuster (Пружина регулятора) | | под заказ | 190 руб. |
| 17 | 09125-06063-000 | Винт (6x10) - Screw (6x10) (Screw (6x10) # ) (Винт 6X10 (SUS)) | | 6 шт | 190 руб. |
Время выполнения запроса 1.6053590774536 сек. |
|