| |
 |
|
 |
Вернуться к выбору узлов мотора
ДЕТАЛИРОВКА ДЛЯ МОДЕЛИ: SUZUKI DF15 FROM 11503F-210001~
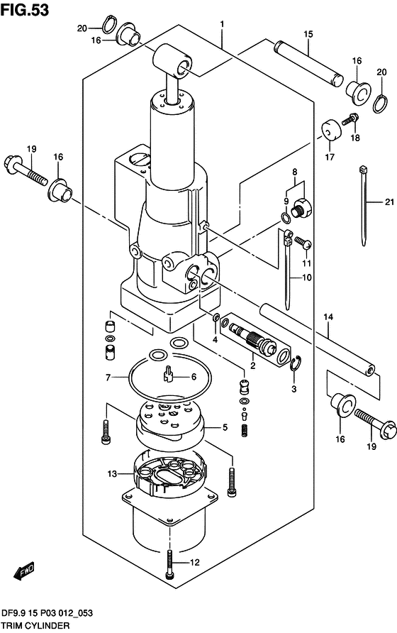
Цилиндр трима
Код модели двигателя: DF15S/L; DF15RS/L
Год выпуска двигателя: 2012
Цвет: Shadow Black Metallic
Номер на рисунке | Артикул | Наименование | QTY | Кол-во на складе | Цена |
| 1 | 48000-94JB2-000 | Управление наклоном в сборе - Power Tilt Assy (Подъёмник) | | под заказ | 0 руб. |
| 2 | 48864-94J00-000 | ручной, Клапан - Manual, Valve (Manual valve) | | под заказ | 0 руб. |
| 3 | 48681-87J11-000 | Стопорное кольцо - Circlip (Circlip) | | под заказ | 860 руб. |
| 4 | 48553-97E00-000 | Сальник, Шайба - Seal, Washer (Уплотнение) | | 1 шт | 790 руб. |
| 5 | 48510-94600-000 | Насос шестерни - Pump Assy, Gear (Насос) | | под заказ | 11480 руб. |
| 6 | 48583-95E00-000 | Соединение привода - Joint, Drive (Joint # ) (Соединение) | | под заказ | 1080 руб. |
| 7 | 31123-89J10-000 | Уплотнительное кольцо - O Ring (O ring) | | под заказ | 1260 руб. |
| 8 | 48572-94J00-000 | Колпачок - Cap (Cap) | | под заказ | 1900 руб. |
| 9 | 48664-87D00-000 | Уплотнительное кольцо - O Ring (O ring) | | под заказ | 490 руб. |
| 10 | 31193-94J00-000 | Ремешок - Band (Band) | | под заказ | 350 руб. |
| 11 | 31192-94J01-000 | Винт - Screw (Болт) | | под заказ | 480 руб. |
| 12 | 31281-94J01-000 | Болт - Bolt (Bolt) | | под заказ | 1050 руб. |
| 13 | 48582-97E00-000 | Фильтр, Помпа в сборе - Filter, Pump Assy (Filter, pump # ) (Фильтр насоса) | | под заказ | 2020 руб. |
| 14 | 48121-94JA0-000 | Вал наклона Цилиндр Lwr - Shaft, Tilt Cylinder Lwr (Shaft, tilt cyl lower) | | под заказ | 10660 руб. |
| 15 | 48321-97E01-000 | Вал наклона Цилиндр вышеr - Shaft, Tilt Cylinder Upr (Shaft, tilt cylinder upper # ) (Вал гидроподъемника) | | 1 шт | 1640 руб. |
| 16 | 48325-97E00-000 | Втулка, Цилиндр наклона вышеr - Bush, Tilt Cylinder Upr (Bush # ) (Втулка цилиндра) | | под заказ | 360 руб. |
| 17 | 55321-87J00-000 | Защитный анод - Anode, Protection (Протекторная защита) | | 1 шт | 750 руб. |
| 17 | 55321-87J01-000 | (актуальный код замены) Защитный анод - Anode, Protection | | под заказ | 850 руб. |
| 17 | SMO-55321-87J01-000 | (не оригинальный аналог) Защитный анод SMO-55321-87J01-000 (оригинал) | | под заказ | 590 руб. |
| 17 | SMO-55321-87J01-000 | (аналог) Защитный анод SMO-55321-87J01-000 (оригинал) - код 55321-87J01-000 | | под заказ шт | 585 руб. |
| 18 | 09103-06281-000 | Болт (6x14) - Bolt (6x14) (Bolt, protection anode # ) (Bolt) | | 6 шт | 270 руб. |
| 19 | 09116-08122-000 | Болт (8x30) - Bolt (8x30) (Bolt (8x30)) | | 8 шт | 350 руб. |
| 20 | 09380-12002-000 | Пружинное кольцо - Ring, Snap (Circlip # ) (Snap ring) | | 12 шт | 150 руб. |
| 21 | 09407-14407-000 | Струбцина (l: 145) - Clamp (l:145) (Band # ) (Clamp (l:145)) | | 9 шт | 230 руб. |
Время выполнения запроса 3.9996240139008 сек. |
|