Найти запчасти Сузуки DF15S/L; DF15RS/L - Gear case / Картер коробки передач
вконтакте

Контактный телефон: +7 (981) 121-46-93, +7 (800) 200-90-76 , Email: parts-katalog@yandex.ru, где купить

 
 

  Логин:

Пароль:

Регистрация

www.partskatalog.ru Все каталоги Запчасти Mercury Запчасти Suzuki Запчасти Tohatsu Запчасти Honda Контакты



УВАЖАЕМЫЕ КЛИЕНТЫ!
C 19 ДЕКАБРЯ 2025 ПО 02 МАРТА 2026 ГОДА ОТДЕЛ ЗАПЧАСТЕЙ И СЕРВИС РАБОТАТЬ НЕ БУДУТ
ПРОДАЖА ЛОДОЧНЫХ МОТОРОВ В ШТАТНОМ РЕЖИМЕ
ОБ ИЗМЕНЕНИЯХ В ГРАФИКЕ РАБОТЫ ЧИТАЙТЕ НА САЙТА



назад Раздел:   вперёд

Вернуться к выбору узлов мотора


ДЕТАЛИРОВКА ДЛЯ МОДЕЛИ: SUZUKI DF15 FROM 11503F-210001~

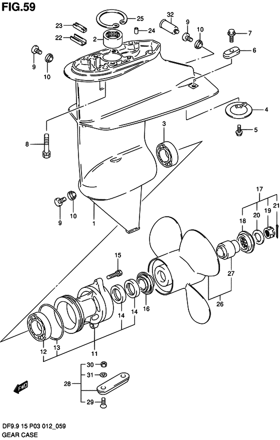
Картер коробки передач


Код модели двигателя: DF15S/L; DF15RS/L

Год выпуска двигателя: 2012

Цвет: Shadow Black Metallic

Номер на
рисунке
АртикулНаименованиеQTYКол-во
на складе
Цена
155100-94J20-0EP

Корпус редутора - Case Assy, Gear (Корпус редуктора)

3 шт58560 руб.
209263-15019-000

Подшипник (15x21x12) - Bearing (15x21x12) (Bearing (15x21x12) # ) (Подшипник)

3 шт1300 руб.
309262-25003-000

Подшипник (25x52x15) - Bearing (25x52x15) (Bearing (25x52x15) # ) (Подшипник B1 25X52X15)

16 шт2510 руб.
36205NNTN

   (подбор по маркировке) Подшипник NTN 6205N(25*52*15 мм)

под заказ0
455321-93900-000

Zinc, Protection - Zinc, Protection (Zinc, protection # ) (Протектор цинковый)

под заказ540 руб.
455321-939L0-000

   (актуальный код замены) Zinc, Protection

2 шт540 руб.
509116-06094-000

Болт (6x15) - Bolt (6x15) (Bolt (6x15) # ) (Болт 6X15)

20 шт270 руб.
641811-98500-000

Zinc, Protection - Zinc, Protection

3 шт540 руб.
655321-90L00-000

   (актуальный код замены) Zinc, Protection

под заказ540 руб.
655321-90L00-000

Zinc, Protection - Zinc, Protection (Zinc, protection)

под заказ540 руб.
709116-06094-000

Болт (6x15) - Bolt (6x15) (Bolt (6x15) # ) (Болт 6X15)

20 шт270 руб.
809117-08047-000

Болт (8x30) - Bolt (8x30) (Bolt # ) (Болт 8X30)

10 шт520 руб.
909248-10008-000

Заглушка (10x7.5) - Plug (10x75) (Заглушка дренажная 10X7)

120 шт500 руб.
1009168-10022-000

Прокладка (10x17x1.5) - Gasket (10x17x15) (Прокладка)

2205 шт150 руб.
1156120-90L01-0EP

Корпус подшипника вала гребного винта - Housing, Propeller Sft Brg (Housing, prop shaft brg (black))

5 шт26160 руб.
1156120-90L02-0EP

   (актуальный код замены) Корпус подшипника вала гребного винта - Housing, Propeller Sft Brg

2 шт26160 руб.
1208110-60050-000

Подшипник - Bearing (Bearing # ) (Подшипник B1 25X47X12)

6 шт1960 руб.
12SC-BR011

   (не оригинальный аналог) Подшипник шестерни заднего хода Yamaha SC-BR011

под заказ1160 руб.
1309280-57002-000

Уплотнительное кольцо (d: 3.5, Id: 65.2) - O Ring (d:35, Id:652) (O ring (d:3.5 id:56.5) # ) (Кольцо (D:3.5 ID:56.5))

42 шт220 руб.
13SK09280-57002

   (не оригинальный аналог) Кольцо уплотнительное обоймы гребного вала Skipper для Suzuki Модели техники: DT9.9-15HP, DF9.9-15HP, DF8A-20A

0 шт88 руб.
13SC-RB010

   (не оригинальный аналог) Кольцо резиновое Suzuki SSC-RB010

под заказ250 руб.
1409289-17L02-000

Сальник (17x30x6) - Seal, Oil (17x30x6) (Seal, oil, 17x30x6)

158 шт370 руб.
14SC-OL002

   (не оригинальный аналог) Сальник редуктора Yamaha SC-OL002

под заказ230 руб.
14SC-OL003

   (не оригинальный аналог) Сальник редуктора Yamaha SC-OL003

под заказ230 руб.
1529116-93J00-000

Болт - Bolt (Bolt (6x20))

10 шт250 руб.
1657632-94J00-000

Стопор втулки гребного винта - Stopper, Propeller Bush (Stopper, propeller bush)

2 шт4040 руб.
16SMO-57632-94J00-000

   (не оригинальный аналог) Стопор SMO-57632-94J00-000 втулки гребного винта (оригинал)

под заказ2700 руб.
1757630-93900-000

Гайка гребного винта, комплект - Kit, Propeller Nut (Nut kit, propeller # OPT # ) (Гайка пропеллера)

1 шт4010 руб.
1757630-93901-000

   (актуальный код замены) Гайка гребного винта, комплект - Kit, Propeller Nut

3 шт4150 руб.
1857633-93901-000

Проставка гайки гребного винта - Spacer, Propeller Nut (Прокладка гайки)

1 шт3030 руб.
1909141-12005-000

Гайка - Nut (Гайка)

26 шт880 руб.
19RTT-09141-12005

   (не оригинальный аналог) Гайка RTT-09141-12005 гребного винта

2 шт350 руб.
19SK09141-12005

   (не оригинальный аналог) Гайка крепления гребного винта Skipper для Suzuki DT9.9-15/DF8A-20A

0 шт158 руб.
2009160-12066-000

Шайба (12.5x22x2.5) - Washer (125x22x25) (Washer (12.5x22x2.5) # ) (Шайба)

19 шт150 руб.
2109204-02004-000

Штифт - Pin (Pin, cotter # ) (Pin)

4 шт140 руб.
21SK09204-02004

   (не оригинальный аналог) Шплинт гайки гребного винта Skipper для Suzuki DT9.9-15/DF8-20

0 шт84 руб.
2255331-93901-000

Основание выхлопного сальника - Core, Exhaust Seal (Core, exhaust seal # ) (Стержень выхода)

под заказ220 руб.
2355332-92D00-000

Резинка выхлопного сальника - Rubber, Exhaust Seal (Rubber, exhaust seal # ) (Уплотнение)

под заказ430 руб.
2355332-92D01-000

   (актуальный код замены) Резинка выхлопного сальника - Rubber, Exhaust Seal

2 шт570 руб.
2409202-06023-000

Штифт (6x10) - Pin (6x10) (Pin)

6 шт290 руб.
2508331-41329-000

Стопорное кольцо - Circlip (Circlip)

под заказ170 руб.
2658100-94JA0-019

Гребной винт (4x10x5) - Propeller (4x10x5) (Винт)

под заказ44640 руб.
2658100-94JA2-019

   (актуальный код замены) Гребной винт Comp (4x10x5) - Propeller Comp (4x10x5)

1 шт44640 руб.
2758120-94JA0-000

Втулка гребного винта - Bush, Propeller (Bush comp, propeller)

под заказ7880 руб.
2758120-94JA1-000

   (актуальный код замены) Втулка гребного винта - Bush, Propeller

под заказ7880 руб.
2855300-95500-000

Цинковая защита, в сборе - Zinc Assy, Protection (Zinc, protection # OPT # ) (Протектор цинковый)

2 шт1940 руб.
2909126-06006-000

Винт (6x20) - Screw (6x20) (OPT # ) (Болт)

под заказ150 руб.
3029141-93J00-000

Гайка - Nut (OPT # ) (Гайка)

18 шт480 руб.
3129162-93J00-000

Шайба - Washer (Washer # OPT # ) (Пластина замка)

9 шт130 руб.
3255181-95200-000

Соединение шланга для промывки - Attachment, Flush Hose (Attachment, flush hose # OPT # ) (Переходник)

2 шт810 руб.


Время выполнения запроса 1.3401730060577 сек.

 
 

данный сайт носит информационный характер и не является публичной офертой

склад запчастей для водомоторной техники