Купить комплектующие на подвесной лодочный двигатель Suzuki DF15S/L; DF15RS/L - Опции: электростартер
вконтакте

Контактный телефон: +7 (981) 121-46-93, +7 (800) 200-90-76 , Email: parts-katalog@yandex.ru, где купить

 
 

  Логин:

Пароль:

Регистрация

www.partskatalog.ru Все каталоги Запчасти Mercury Запчасти Suzuki Запчасти Tohatsu Запчасти Honda Контакты



УВАЖАЕМЫЕ КЛИЕНТЫ!
C 31 ОКТЯБРЯ 2025 ПО 10 НОЯБРЯ 2025 ГОДА РАБОТАТЬ НЕ БУДЕМ



назад Раздел:   вперёд

Вернуться к выбору узлов мотора


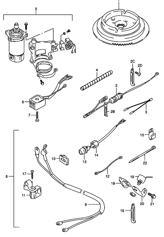
ДЕТАЛИРОВКА ДЛЯ МОДЕЛИ: SUZUKI DF15(A,AR)S W

Опции: электростартер


Код модели двигателя: DF15S/L; DF15RS/L

Год выпуска двигателя: 1998

Цвет: Shadow Black Metallic

Номер на
рисунке
АртикулНаименованиеQTYКол-во
на складе
Цена
132102-93E00-000

Запчасть снята с производства - The Spare Part Is Laid Off (DF9.9 # )

под заказ0 руб.
132102-93E20-000

Маховик в сборе, Магнето - Flywheel Assy, Magneto (Flywheel # DF9.9A (AR), 15 (A, AR) # ) (Маховик, зажигание)

под заказ0 руб.
132102-93E40-000

Маховик в сборе, Магнето - Flywheel Assy, Magneto (Flywheel # DF9.9, 15 MODEL:02, 03 # ) (Маховик, зажигание)

под заказ49920 руб.
236740-94771-000

Корпус предохранителя - Case Assy, Fuse (Case assy, fuse # ) (Корпус предохранителя)

под заказ4230 руб.
209481-25001-000

Предохранитель (25a) - Fuse (25a) (Fuse, 25a # ) (Fuse)

под заказ220 руб.
209404-06432-000

Струбцина (l: 65) - Clamp (l:65) (Clamp (l:80) # ) (Clamp (l:80))

8 шт170 руб.
209404-06039-000

   (актуальный код замены) Струбцина (l: 65) - Clamp (l:65)

под заказ170 руб.
202142-05127-000

Винт - Screw (Болт)

под заказ150 руб.
336810-93E20-000

Lead, Neutral Limit Me - Lead, Neutral Limit Me (Проводка нейтрального ограничителя)

под заказ980 руб.
438423-95510-000

Трубка провода переключателя (l: 250) - Tube, Switch Lead (l:250)

под заказ610 руб.
433833-91J00-000

   (актуальный код замены) Трубка провода переключателя (l: 250) - Tube, Switch Lead (l:250)

под заказ610 руб.
433833-91J00-000

Трубка провода переключателя (l: 250) - Tube, Switch Lead (l:250) (Tube # ) (Труба)

под заказ610 руб.
531101-95D20-0EP

Motor Set, Starting - Motor Set, Starting (Комплект мотора)

под заказ105120 руб.
531101-95D20-Z11

Motor Set, Starting - Motor Set, Starting (Комплект мотора)

под заказ0 руб.
632800-95D01-000

Выпрямитель в сборе - Rectifier Assy (Rectifier assy)

под заказ10760 руб.
632800-95D02-000

   (актуальный код замены) Выпрямитель в сборе - Rectifier Assy

1 шт10760 руб.
702142-05307-000

Винт - Screw (Screw # ) (Винт)

под заказ170 руб.
833800-93E00-000

Запчасть снята с производства - The Spare Part Is Laid Off

под заказ0 руб.
833800-93E10-000

Кабели & Переключатель Set, Starting - Cable & Switch Set, Starting (DF9.9 652501~MODEL:03 DF15 652501~MODEL:03 # ) (Кабель и набор переключателей)

под заказ0 руб.
933810-93E02-000

Провод стартера - Cable Assy, Starter (Cable assy, starter # ) (Кабель стартера)

под заказ12240 руб.
1033811-96300-000

Пыльник кабеля стартера - Grommet, Starter Cable (Grommet, starter cable # ) (Втулка стартовая)

под заказ290 руб.
1033811-94J00-000

   (актуальный код замены) Пыльник кабеля стартера - Grommet, Starter Cable

под заказ290 руб.
1133816-96300-000

Зажим кабеля - Clamp, Cable (Clamp, cable # ) (Clamp)

под заказ520 руб.
1233820-93E01-000

Провод стартера Sub - Cable Assy, Starter Sub (Cable, starter sub # <-3820-93E00 # ) (Кабель стартера)

под заказ0 руб.
1337161-89E13-000

Выключатель - запуск двигателяt - Switch, Start (Switch, starting motor # ) (Переключатель старта)

6 шт3510 руб.
1409159-14014-000

Гайка - Nut (Nut # ) (Гайка 10MM)

16 шт320 руб.
1509403-09316-000

Струбцина - Clamp (Clamp, tilt limit lead # FOR 33800-93E00 # ) (Clamp)

под заказ160 руб.
1509403-09330-000

   (актуальный код замены) Струбцина, Tilt Limit Lead - Clamp, Tilt Limit Lead

под заказ160 руб.
1609404-06432-000

Струбцина (l: 65) - Clamp (l:65) (Clamp (l:80) # FOR 33800-93E10 # ) (Clamp (l:80))

8 шт170 руб.
1609404-06039-000

   (актуальный код замены) Струбцина (l: 65) - Clamp (l:65)

под заказ170 руб.
1609404-08205-000

Струбцина (l: 45 T: 0.6) - Clamp (l:45 T:06) (Clamp (l:62) # ) (Clamp (l:62))

под заказ170 руб.
1609404-08211-000

   (актуальный код замены) Струбцина (l: 45 T: 0.6) - Clamp (l:45 T:0.6)

под заказ170 руб.
1703242-06253-000

Винт - Screw (FOR 33800-93E00 # )

под заказ150 руб.
1703241-0625A-000

   (актуальный код замены) Винт - Screw

под заказ150 руб.
1703241-0625A-000

Винт - Screw (Screw # ) (Винт)

под заказ150 руб.
1837725-95300-000

Пускатель переключателя нейтрали - Actuator, Neutral Switch (Actuator, neutral sw # FOR 33800-93E00 # ) (Силовой привод нейтральный)

под заказ710 руб.
1937721-94403-000

Выключатель нейтрали, в сборе - Switch Assy, Neutral (FOR 33800-93E00 # )

под заказ3700 руб.
1937721-94406-000

   (актуальный код замены) Выключатель нейтрали, в сборе - Switch Assy, Neutral

2 шт3700 руб.
1937721-94404-000

Выключатель нейтрали, в сборе - Switch Assy, Neutral (Switch assy, neutral)

под заказ3700 руб.
1937721-94406-000

   (актуальный код замены) Выключатель нейтрали, в сборе - Switch Assy, Neutral

2 шт3700 руб.
2037726-95D02-000

Кронштейн переключателя нейтрали - Bracket, Neutral Switch (Bracket, neutral sw # FOR 33800-93E00 # ) (Кронштейн нейтральный)

под заказ770 руб.
2101550-06167-000

Болт - Bolt (FOR 33800-93E00 # ) (Bolt)

9 шт210 руб.
2209407-14403-000

Струбцина (l: 125) - Clamp (l:125) (Clamp, spark plug cap # FOR 33800-93E10 # ) (Clamp)

под заказ170 руб.
2209407-14407-000

Струбцина (l: 145) - Clamp (l:145) (Band # FOR 33800-93E10 # ) (Clamp (l:145))

9 шт230 руб.


Время выполнения запроса 2.2231478691101 сек.

 
 

данный сайт носит информационный характер и не является публичной офертой

склад запчастей для водомоторной техники