Найти запчасти на подвесной двигатель Сузуки DF15S/L; DF15RS/L модель 1999 года - Дистанционное управление
вконтакте

Контактный телефон: +7 (981) 121-46-93, +7 (800) 200-90-76 , Email: parts-katalog@yandex.ru, где купить

 
 

  Логин:

Пароль:

Регистрация

www.partskatalog.ru Все каталоги Запчасти Mercury Запчасти Suzuki Запчасти Tohatsu Запчасти Honda Контакты

назад Раздел:   вперёд

Вернуться к выбору узлов мотора


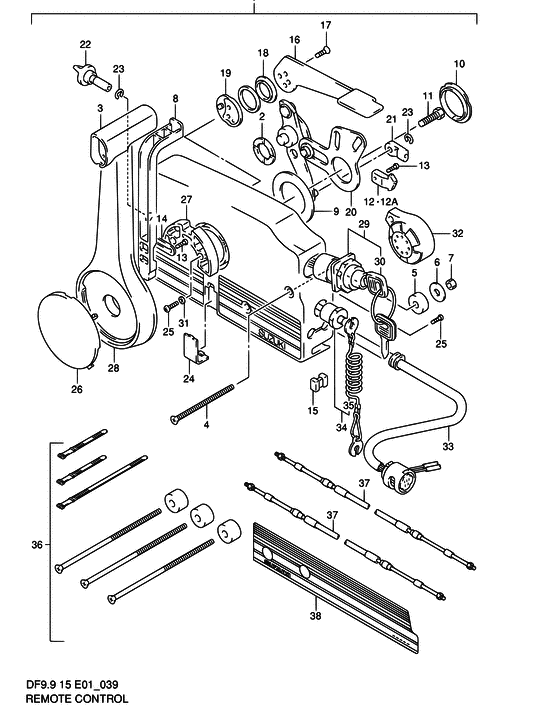
ДЕТАЛИРОВКА ДЛЯ МОДЕЛИ: SUZUKI DF15(A,R,AR)S X

Дистанционное управление


Код модели двигателя: DF15S/L; DF15RS/L

Год выпуска двигателя: 1999

Цвет: Shadow Black Metallic

Номер на
рисунке
АртикулНаименованиеQTYКол-во
на складе
Цена
167200-89E12-0EP

Дистанционное управление в сборе - Remote Control Assy (<-7200-89E11-0ED # )

под заказ0 руб.
167200-89E40-000

   (актуальный код замены) Запчасть снята с производства - The Spare Part Is Laid Off

под заказ0 руб.
167200-89E34-000

Дистанционное управление в сборе - Remote Control Assy (Remote control assy)

под заказ0 руб.
167200-89E40-000

   (актуальный код замены) Запчасть снята с производства - The Spare Part Is Laid Off

под заказ0 руб.
167200-89E20-0EP

Дистанционное управление в сборе - Remote Control Assy (MODEL:03 # )

под заказ0 руб.
167200-89E40-000

   (актуальный код замены) Запчасть снята с производства - The Spare Part Is Laid Off

под заказ0 руб.
267232-95600-000

Втулка - Bush (Втулка)

под заказ570 руб.
367261-95610-000

Рукоятка - Grip (Grip)

под заказ1870 руб.
467296-95600-000

Винт - Screw (Болт)

под заказ570 руб.
567294-95600-000

Проставка - Spacer (Кольцо/шайба)

под заказ460 руб.
609160-06104-000

Шайба (6.5x24x2) - Washer (65x24x2) (Шайба)

под заказ220 руб.
709140-06020-000

Гайка - Nut (Гайка)

9 шт150 руб.
867255-95600-000

Рукоятка блокировки нейтрали - Arm, Neutral Lock (Arm, neutral lock # ) (Рычаг блокоровки)

под заказ1870 руб.
967253-95600-000

Шайба - Washer (Шайба)

под заказ460 руб.
1067252-95600-000

Втулка - Bush (Втулка)

2 шт480 руб.
1109100-08232-000

Болт (8x30) - Bolt (8x30) (Bolt)

6 шт350 руб.
1267214-95600-000

Зубчатый привод - Gear, Drive

под заказ4080 руб.
1267238-87D00-000

   (актуальный код замены) Зубчатый привод - Gear, Drive

1 шт4080 руб.
1267238-87D00-000

Зубчатый привод - Gear, Drive (Ведущая шестерня)

1 шт4080 руб.
1267238-87D00-000

Зубчатый привод - Gear, Drive (Ведущая шестерня)

1 шт4080 руб.
1367296-94300-000

Винт (4x10) - Screw (4x10) (Screw # ) (Винт)

под заказ120 руб.
1467258-87D00-000

Кронштейн, Neutral Рычаг - Bracket, Neutral Arm (Bracket, neutral arm # ) (Кронштейн нейтральный)

под заказ630 руб.
1567273-95600-000

Проставка - Spacer (Кольцо/шайба)

под заказ460 руб.
1567273-95601-000

   (актуальный код замены) Проставка - Spacer

3 шт630 руб.
1667241-99E00-000

Рычаг освобождения дросселя (чёрный) - Lever, Free Throttle (black) (Lever, free throttle # ) (Рукоятка дросселя)

под заказ0 руб.
1709126-05003-000

Винт (5x12) - Screw (5x12) (Болт)

под заказ160 руб.
1867243-95600-000

Втулка, Remo-con - Bush, Remo-con (Втулка)

2 шт390 руб.
1967245-95600-000

Барабан освобождения дросселя - Drum, Free Throttle (Drum assy, free throttle # ) (Цилиндр дросселя)

под заказ2480 руб.
2067220-95630-000

Пластина в сборе - Plate Assy (Plate assy # <-7220-95610 # ) (Плата 15C)

под заказ8400 руб.
2167275-95600-000

Наконечник кабеля - End, Cable (Наконечник кабеля)

36 шт810 руб.
2267223-95600-000

Ручка регулировки тормоза - Knob, Brake Adjust (Knob, brake adj # ~MODEL:02 # ) (Рукоятка тормоза)

под заказ1670 руб.
2267223-99E00-000

Ручка регулировки тормоза - Knob, Brake Adjust (MODEL:03 # ) (Рукоятка тормоза)

под заказ5480 руб.
2209308-08001-000

Пыльник - Grommet (Grommet # MODEL:03 # ) (Втулка)

под заказ200 руб.
2367292-94300-000

Уплотнительное кольцо дистанционного управления - E Ring, Remo-con (E ring)

25 шт120 руб.
2467267-95610-000

Крышка проводов - Cover, Wire (Cover, wire (black) # ) (Крышка проводки)

под заказ580 руб.
2567296-95610-000

Винт - Screw (Болт)

2 шт280 руб.
2667257-95610-000

Крышка рычага - Cap, Lever (Cap, lever # ) (Крышка рукоятки)

под заказ680 руб.
2767256-95600-000

Держатель блокировки нейтрали - Holder, Neutral Lock (Holder, neut lock # ) (Holder)

1 шт1140 руб.
2867251-99E00-000

Рычаг блокировки - Lever, Handle (Lever, handle # ) (Рукоятка)

под заказ9510 руб.
2937110-92E02-000

Выключатель зажигания - Switch Assy, Ignition (<-7110-92E00 # )

под заказ8980 руб.
2937110-99E02-000

   (актуальный код замены) Выключатель зажигания - Switch Assy, Ignition

4 шт8980 руб.
29MP51010

   (не оригинальный аналог) Замок зажигания Suzuki MP51010

под заказ9530 руб.
29SC-SN008

   (не оригинальный аналог) Замок зажигания Suzuki SC-SN008

под заказ4260 руб.
2937110-99E01-000

Выключатель зажигания - Switch Assy, Ignition (Switch assy, ignition)

1 шт8980 руб.
2937110-99E02-000

   (актуальный код замены) Выключатель зажигания - Switch Assy, Ignition

4 шт8980 руб.
29MP51010

   (не оригинальный аналог) Замок зажигания Suzuki MP51010

под заказ9530 руб.
3037141-92E00-000

Ключ (11) - Key (11) (Ключ (11))

под заказ1820 руб.
3037141-92E10-000

Ключ (12) - Key (12) (Ключ (12))

1 шт1820 руб.
3037141-92E20-000

Ключ (13) - Key (13) (Ключ (13))

под заказ1820 руб.
3037141-92E30-000

Ключ (14) - Key (14) (Ключ (14))

под заказ1820 руб.
3037141-92E40-000

Ключ (15) - Key (15) (Ключ (15))

под заказ1820 руб.
3037141-92E50-000

Ключ (16) - Key (16) (Ключ (16))

под заказ1820 руб.
3037141-92E60-000

Ключ (17) - Key (17) (Ключ (17))

под заказ1820 руб.
3037141-92E70-000

Ключ (18) - Key (18) (Ключ (18))

под заказ1820 руб.
3037141-92E80-000

Ключ (19) - Key (19) (Ключ (19))

под заказ1820 руб.
3037141-92E90-000

Ключ (20) - Key (20) (Ключ (20))

под заказ1820 руб.
3167297-95600-000

Шайба - Washer (Шайба)

под заказ280 руб.
3238500-92X50-000

Предупреждающий зуммер - Buzzer Set, Warning (Buzzer # ) (Сигнал предупреждающий)

под заказ10280 руб.
3238500-92X52-000

   (актуальный код замены) Предупреждающий зуммер - Buzzer Set, Warning

под заказ10280 руб.
3336620-95D00-000

Жгут проводов, WiКольцо Ext - Harness, Wiring Ext (Wiring harness 9 wires # ) (Проводка, 9 проводов)

под заказ23620 руб.
3437820-92E00-000

Аварийный выключатель, в сборе - Switch Assy, Emergency

под заказ4710 руб.
3437820-92E05-000

   (актуальный код замены) Аварийный выключатель, в сборе - Switch Assy, Emergency

1 шт4710 руб.
3437820-92E04-000

Аварийный выключатель, в сборе - Switch Assy, Emergency (SWITCH ASSY, EMERGENCY)

под заказ4710 руб.
3437820-92E05-000

   (актуальный код замены) Аварийный выключатель, в сборе - Switch Assy, Emergency

1 шт4710 руб.
3537823-92E00-000

Пластина блокировки аварийного выключателя - Plate Assy, Emergency Sw Lock

под заказ2570 руб.
3537823-92E02-000

   (актуальный код замены) Пластина блокировки аварийного выключателя - Plate Assy, Emergency Sw Lock

3 шт2770 руб.
3537823-92E01-000

Пластина блокировки аварийного выключателя - Plate Assy, Emergency Sw Lock (Plate)

под заказ2570 руб.
3537823-92E02-000

   (актуальный код замены) Пластина блокировки аварийного выключателя - Plate Assy, Emergency Sw Lock

3 шт2770 руб.
3667140-95600-000

Двойной комплект навесного оборудования Remocon - Attachment Kit, Twin Remocon (Attachment, twin remocon kit # OPT # ) (Фиксация)

под заказ4300 руб.
3667140-95601-000

   (актуальный код замены) Двойной комплект навесного оборудования Remocon - Attachment Kit, Twin Remocon

под заказ4300 руб.
3767320-89J11-000

Тросик дистанционного управления (8f: 2.4m) - Cable Assy, Remocon (8f:24m) (OPT # )

под заказ5760 руб.
3767320-93J00-000

   (актуальный код замены) Тросик дистанционного управления (8f: 2.4m) - Cable Assy, Remocon (8f:2.4m)

под заказ5760 руб.
3767320-93J00-000

Тросик дистанционного управления (8f: 2.4m) - Cable Assy, Remocon (8f:24m) (Кабель дистанционный 8F (2.4M))

под заказ5760 руб.
3767320-89J21-000

Тросик дистанционного управления (10f: 3.1m) - Cable Assy, Remocon (10f:31m) (OPT # )

под заказ6340 руб.
3767320-93J10-000

   (актуальный код замены) Тросик дистанционного управления (10f: 3.1m) - Cable Assy, Remocon (10f:3.1m)

под заказ6340 руб.
3767320-93J10-000

Тросик дистанционного управления (10f: 3.1m) - Cable Assy, Remocon (10f:31m) (Кабель дистанционный 10F (3.1M))

под заказ6340 руб.
3767320-89J31-000

Тросик дистанционного управления (12f: 3.7m) - Cable Assy, Remocon (12f:37m) (OPT # )

под заказ6920 руб.
3767320-93J20-000

   (актуальный код замены) Тросик дистанционного управления (12f: 3.7m) - Cable Assy, Remocon (12f:3.7m)

под заказ6920 руб.
3767320-93J20-000

Тросик дистанционного управления (12f: 3.7m) - Cable Assy, Remocon (12f:37m) (Кабель дистанционный 12F (3.7M))

под заказ6920 руб.
3767320-89J41-000

Тросик дистанционного управления (14f: 4.2m) - Cable Assy, Remocon (14f:42m) (OPT # )

под заказ7490 руб.
3767320-93J30-000

   (актуальный код замены) Тросик дистанционного управления (14f: 4.2m) - Cable Assy, Remocon (14f:4.2m)

3 шт7490 руб.
3767320-93J30-000

Тросик дистанционного управления (14f: 4.2m) - Cable Assy, Remocon (14f:42m) (Кабель дистанционный 14F (4.3M))

3 шт7490 руб.
3767320-89J51-000

Тросик дистанционного управления (16f: 4.8m) - Cable Assy, Remocon (16f:48m) (OPT # )

под заказ8020 руб.
3767320-93J40-000

   (актуальный код замены) Тросик дистанционного управления (16f: 4.8m) - Cable Assy, Remocon (16f:4.8m)

под заказ8020 руб.
3767320-93J40-000

Тросик дистанционного управления (16f: 4.8m) - Cable Assy, Remocon (16f:48m) (Кабель дистанционный 16F (4.9M))

под заказ8020 руб.
3767320-89J61-000

Тросик дистанционного управления (18f: 5.4m) - Cable Assy, Remocon (18f:54m) (OPT # )

под заказ8600 руб.
3767320-93J50-000

   (актуальный код замены) Тросик дистанционного управления (18f: 5.4m) - Cable Assy, Remocon (18f:5.4m)

под заказ8600 руб.
3767320-93J50-000

Тросик дистанционного управления (18f: 5.4m) - Cable Assy, Remocon (18f:54m) (Кабель дистанционный 18F (5.5M))

под заказ8600 руб.
3767320-89J71-000

Тросик дистанционного управления (20f: 6.1m) - Cable Assy, Remocon (20f:61m) (OPT # )

под заказ9170 руб.
3767320-93J60-000

   (актуальный код замены) Тросик дистанционного управления (20f: 6.1m) - Cable Assy, Remocon (20f:6.1m)

под заказ9170 руб.
3767320-93J60-000

Тросик дистанционного управления (20f: 6.1m) - Cable Assy, Remocon (20f:61m) (Кабель дистанционный 20F (6.1M))

под заказ9170 руб.
3767320-89J81-000

Тросик дистанционного управления (22f: 6.7m) - Cable Assy, Remocon (22f:67m) (OPT # )

под заказ9750 руб.
3767320-93J70-000

   (актуальный код замены) Тросик дистанционного управления (22f: 6.7m) - Cable Assy, Remocon (22f:6.7m)

под заказ9750 руб.
3767320-93J70-000

Тросик дистанционного управления (22f: 6.7m) - Cable Assy, Remocon (22f:67m) (Кабель дистанционный 22F (6.7M))

под заказ9750 руб.
3767320-89J90-000

Тросик дистанционного управления (24f: 7.3m) - Cable Assy, Remocon (24f:73m) (OPT # )

под заказ10320 руб.
3767320-93J80-000

   (актуальный код замены) Тросик дистанционного управления (24f: 7.3m) - Cable Assy, Remocon (24f:7.3m)

под заказ10320 руб.
3767320-93J80-000

Тросик дистанционного управления (24f: 7.3m) - Cable Assy, Remocon (24f:73m) (Кабель дистанционный 24F (7.3M))

под заказ10320 руб.
3867282-95610-000

Запчасть снята с производства - The Spare Part Is Laid Off (OPT # )

под заказ0 руб.


Время выполнения запроса 1.6940648555756 сек.

 
 

данный сайт носит информационный характер и не является публичной офертой

склад запчастей для водомоторной техники