Подобрать запчасти на подвесной мотор Suzuki DF15S/L; DF15RS/L модель 2001 года - Двигатель электростартера - Starting motor
вконтакте

Контактный телефон: +7 (981) 121-46-93, +7 (800) 200-90-76 , Email: parts-katalog@yandex.ru, где купить

 
 

  Логин:

Пароль:

Регистрация

www.partskatalog.ru Все каталоги Запчасти Mercury Запчасти Suzuki Запчасти Tohatsu Запчасти Honda Контакты

назад Раздел:   вперёд

Вернуться к выбору узлов мотора


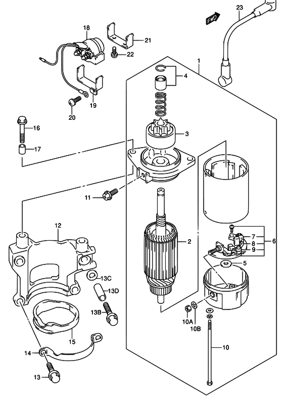
ДЕТАЛИРОВКА ДЛЯ МОДЕЛИ: SUZUKI DF15(A,R,AR)S K1

Двигатель электростартера


Код модели двигателя: DF15S/L; DF15RS/L

Год выпуска двигателя: 2001

Цвет: Shadow Black Metallic

Номер на
рисунке
АртикулНаименованиеQTYКол-во
на складе
Цена
131100-95D00-000

Двигатель электростартера в сборе - Motor Assy, Starting (Motor, starting # ) (Мотор стартера)

под заказ116160 руб.
231310-96300-000

Якорь - Armature (Armature, starter # ) (Отсутствующе)

2 шт45360 руб.
331320-94400-000

Комплект шестерёнок - Pinion Assy (Шестерня)

под заказ23620 руб.
431312-96300-000

Комплект стопора шестерни - Stopper Set, Pinion (Шайба стопорного комплекта)

2 шт1420 руб.
531360-96300-000

Установочная шайба - Washer Set (Washer kit # ) (Шайба)

под заказ1260 руб.
631173-89J00-000

Держатель щетки - Holder Assy, Brush (Держатель щётки)

1 шт7780 руб.
731131-96300-000

Щётка (+) - Brush (+) (Brush (+))

2 шт2080 руб.
831132-96300-000

Щётка (-) - Brush (-) (Щётка (-))

2 шт1110 руб.
931135-89J00-000

Пружина - Spring (Spring # ) (Пружина щетки)

под заказ550 руб.
1031281-93340-000

Сквозной болт - Bolt, Through (Bolt, starter housing # ) (Bolt)

под заказ410 руб.
1008310-00067-000

Гайка - Nut (Nut # ) (Гайка)

под заказ140 руб.
1008321-01067-000

Шайба с блокировкой - Washer, Lock (Washer # ) (Шайба, стопорная)

под заказ140 руб.
1102162-06167-000

Болт - Bolt

под заказ180 руб.
1101550-06167-000

   (актуальный код замены) Болт - Bolt

9 шт210 руб.
1101550-06167-000

Болт - Bolt (Bolt)

9 шт210 руб.
1231911-95D00-0EP

Кронштейн, Двигатель электростартера (чёрный) - Bracket, Starting Motor (black) (MODEL:99~03 # ) (Кронштейн стартера)

под заказ0 руб.
1231911-95D00-Z11

Кронштейн, Двигатель электростартера (белый) - Bracket, Starting Motor (white) (Кронштейн стартера)

под заказ0 руб.
1301550-08257-000

Болт - Bolt (Bolt)

под заказ300 руб.
1301550-08357-000

Болт - Bolt (MODEL:97~03 # ) (Bolt)

под заказ260 руб.
1308322-01087-000

Шайба - Washer (Lock washer # MODEL:97, 98 # ) (Шайба)

под заказ140 руб.
1309180-08210-000

Проставка (8.5x15x10) - Spacer (85x15x10) (MODEL:97~03 # ) (Кольцо/шайба)

под заказ340 руб.
1431912-95D00-000

Ремешок двигателя стартера - Band, Starting Motor (Band # OPT # ) (Лента стартера)

под заказ800 руб.
1531918-94401-000

Демпфер, Lwr - Damper, Lwr (Damper # OPT # ) (Демпфер нижний)

под заказ1040 руб.
1531918-94402-000

   (актуальный код замены) Нижний демпфер - Damper, Lower

под заказ1040 руб.
1601550-06357-000

Болт - Bolt (Bolt, throttle lever no.2 # ) (Bolt)

9 шт210 руб.
1704211-09189-000

Штифт - Pin (Pin)

под заказ120 руб.
1831800-94401-000

Реле в сборе, Двигатель электростартера - Relay Assy, Starting Motor (Relay, starter # ) (Реле стартера)

2 шт14140 руб.
1938412-94700-000

Кронштейн, Trim Реле - Bracket, Trim Relay (Bracket, trim relay # ) (Кронштейн)

под заказ0 руб.
2002112-36167-000

Винт - Screw (Болт)

под заказ170 руб.
2131805-95501-000

Кронштейн, Двигатель электростартера Реле - Bracket, Starting Motor Relay (Bracket, starter relay # OPT # ) (Кронштейн реле)

под заказ390 руб.
2202112-35127-000

Винт - Screw (Screw, counting # OPT # ) (Винт 5X12)

под заказ120 руб.
2333820-93E01-000

Провод стартера Sub - Cable Assy, Starter Sub (Cable, starter sub # ) (Кабель стартера)

под заказ0 руб.


Время выполнения запроса 0.91859102249146 сек.

 
 

данный сайт носит информационный характер и не является публичной офертой

склад запчастей для водомоторной техники