Купить комплектующие на подвесной двигатель SUZUKI DF15S/L; DF15RS/L модель 2003 года - Кронштейн транца
вконтакте

Контактный телефон: +7 (981) 121-46-93, +7 (800) 200-90-76 , Email: parts-katalog@yandex.ru, где купить

 
 

  Логин:

Пароль:

Регистрация

www.partskatalog.ru Все каталоги Запчасти Mercury Запчасти Suzuki Запчасти Tohatsu Запчасти Honda Контакты



УВАЖАЕМЫЕ КЛИЕНТЫ!
C 19 ДЕКАБРЯ 2025 ПО 02 МАРТА 2026 ГОДА ОТДЕЛ ЗАПЧАСТЕЙ И СЕРВИС РАБОТАТЬ НЕ БУДУТ
ПРОДАЖА ЛОДОЧНЫХ МОТОРОВ В ШТАТНОМ РЕЖИМЕ
ОБ ИЗМЕНЕНИЯХ В ГРАФИКЕ РАБОТЫ ЧИТАЙТЕ НА САЙТА



назад Раздел:   вперёд

Вернуться к выбору узлов мотора


ДЕТАЛИРОВКА ДЛЯ МОДЕЛИ: SUZUKI DF15(A,R,AR)S K3

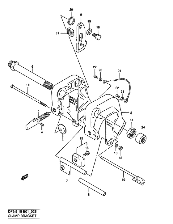
Кронштейн транца


Код модели двигателя: DF15S/L; DF15RS/L

Год выпуска двигателя: 2003

Цвет: Shadow Black Metallic

Номер на
рисунке
АртикулНаименованиеQTYКол-во
на складе
Цена
141111-89E50-0EP

(->1111-89E60-0EP USED WITH 09160-10082 (2) DF9.9 ~971311 DF1.5 ~971523 # )

под заказнет сведений
109160-10082-000

Шайба (10.5x19x2) - Washer (105x19x2) (Washer # ) (Gasket (10.5x19x2))

19 шт120 руб.
109441-17001-000

Пружина - Spring (Пружина)

11 шт220 руб.
141111-89E62-0EP

Кронштейн правого зажима - Bracket, Clamp Stbd (Кронштейн (чёрный))

под заказ18480 руб.
145420-93E02-000

Штифт блокировки наклона - Pin, Tilt Lock (Pin comp, tilt lock)

5 шт4370 руб.
141111-89E50-Z11

(->1111-89E60-Z11 USED WITH 09160-10082 (2) # )

под заказнет сведений
109160-10082-000

Шайба (10.5x19x2) - Washer (105x19x2) (Washer # ) (Gasket (10.5x19x2))

19 шт120 руб.
109441-17001-000

Пружина - Spring (Пружина)

11 шт220 руб.
145420-93E02-000

Штифт блокировки наклона - Pin, Tilt Lock (Pin comp, tilt lock)

5 шт4370 руб.
141111-93E00-0EP

(DF9.9 971312~MODEL:03 DF15 971524~MODEL:03 # )

под заказнет сведений
109441-17001-000

Пружина - Spring (Пружина)

11 шт220 руб.
141111-93E02-0EP

Кронштейн правого зажима (чёрный) - Bracket, Clamp Stbd (black) (Bracket, clamp stbd (black))

под заказ21270 руб.
145420-93E02-000

Штифт блокировки наклона - Pin, Tilt Lock (Pin comp, tilt lock)

5 шт4370 руб.
241121-89E50-0EP

(MODEL:99~03 # )

под заказнет сведений
209441-17001-000

Пружина - Spring (Пружина)

11 шт220 руб.
241121-89E53-0EP

Кронштейн левого зажима - Bracket, Clamp Port (Кронштейн (чёрный))

под заказ18480 руб.
245420-93E02-000

Штифт блокировки наклона - Pin, Tilt Lock (Pin comp, tilt lock)

5 шт4370 руб.
241121-89E50-Z11

под заказнет сведений
209441-17001-000

Пружина - Spring (Пружина)

11 шт220 руб.
241121-89E53-Z11

Кронштейн левого зажима - Bracket, Clamp Port (Bracket, clamp port (white))

под заказ0 руб.
245420-93E02-000

Штифт блокировки наклона - Pin, Tilt Lock (Pin comp, tilt lock)

5 шт4370 руб.
341213-98100-000

Пластина струбцины - Plate, Clamp (Plate, clamp # ) (Плата струбцины)

под заказ390 руб.
341213-94J01-000

   (актуальный код замены) Пластина струбцины - Plate, Clamp

под заказ420 руб.
409205-05009-000

Стопор пружины (5x20) - Pin, Spring (5x20) (Pin (5x20) # MODEL:97~99 # ) (Pin)

под заказ0 руб.
409205-05013-000

Стопор пружины (5x22) - Pin, Spring (5x22) (Pin, spring (5x22) # MODEL:96 # ) (Штифт ручки)

под заказ130 руб.
541210-89E00-000

Винт струбцины, в сборе - Screw Assy, Clamp (OPT <-1211-89E00 # )

под заказ2910 руб.
541210-89E11-000

   (актуальный код замены) Винт струбцины, в сборе - Screw Assy, Clamp

2 шт3140 руб.
541210-89E11-000

Винт струбцины, в сборе - Screw Assy, Clamp (Screw assy, clamp)

2 шт3140 руб.
641130-89E10-000

Труба кронштейна транца - Shaft, Clamp Bracket (DF9.9 (A), 15 (A) # )

под заказ11040 руб.
641130-90L00-000

   (актуальный код замены) Труба кронштейна транца - Shaft, Clamp Bracket

под заказ11040 руб.
641130-90L00-000

Труба кронштейна транца - Shaft, Clamp Bracket (Shaft, clamp bracket)

под заказ11040 руб.
641130-93E00-000

Труба кронштейна транца - Shaft, Clamp Bracket (DF9.9R (AR), DF15R (AR) # )

под заказ6820 руб.
641130-93E03-000

   (актуальный код замены) Труба кронштейна транца - Shaft, Clamp Bracket

под заказ6820 руб.
641130-93E03-000

Труба кронштейна транца - Shaft, Clamp Bracket (Shaft, clamp bracket)

под заказ6820 руб.
741310-93900-000

Тяга, Кронштейн транца Lwr - Rod, Clamp Bracket Lwr (~MODEL:00 # )

под заказ2060 руб.
741310-93901-000

   (актуальный код замены) Тяга, Кронштейн транца Lwr - Rod, Clamp Bracket Lwr

под заказ2060 руб.
741310-93901-000

Тяга, Кронштейн транца Lwr - Rod, Clamp Bracket Lwr (Rod, clamp bracket lower)

под заказ2060 руб.
809180-06163-000

Проставка (6.5x10.5x104) - Spacer (65x105x104) (DF9.9 032202~MODEL:03 DF15 032895~MODEL:03 # ) (Кольцо/шайба)

под заказ540 руб.
941222-93E00-000

Рычаг блокировки наклона - Arm, Tilt Lock

под заказ2380 руб.
941222-93E0V-000

   (актуальный код замены) Рычаг блокировки наклона - Arm, Tilt Lock

под заказ2380 руб.
941222-93E0V-000

Рычаг блокировки наклона - Arm, Tilt Lock (Рычаг блокировки наклона)

под заказ2380 руб.
941222-93E10-000

Рычаг блокировки наклона - Arm, Tilt Lock (DF9.9 971312~MODEL:03 DF15 971524~MODEL:03 # )

под заказ3290 руб.
941222-93E1V-000

   (актуальный код замены) Рычаг блокировки наклона - Arm, Tilt Lock

под заказ3290 руб.
941222-93E1V-000

Рычаг блокировки наклона - Arm, Tilt Lock (Рычаг блокировки наклона)

под заказ3290 руб.
1045420-92D02-000

Штифт блокировки наклона - Pin, Tilt Lock

под заказ2370 руб.
1045420-92DL0-000

   (актуальный код замены) Штифт блокировки наклона - Pin, Tilt Lock

25 шт2890 руб.
1045420-92DL0-000

Штифт блокировки наклона - Pin, Tilt Lock (Pin, tilt lock)

25 шт2890 руб.
1109100-06125-000

Болт (6x140) - Bolt (6x140)

под заказ470 руб.
1109100-06177-000

   (актуальный код замены) Болт (6x140) - Bolt (6x140)

9 шт470 руб.
1109100-06177-000

Болт (6x140) - Bolt (6x140) (Bolt, clamp bracket lower (l140))

9 шт470 руб.
1209140-06020-000

Гайка - Nut (Гайка)

9 шт150 руб.
1309162-06006-000

Шайба с блокировкой - Washer, Lock (Lock washer # ) (Шайба)

под заказ160 руб.
1409159-22006-000

Гайка - Nut (Гайка)

8 шт1950 руб.
1555320-95310-000

Защитный цинковый анод - Zinc Set, Protection (~MODEL:00 # )

под заказ1320 руб.
1555320-95311-000

   (актуальный код замены) Защитный цинковый анод - Zinc Set, Protection

16 шт1320 руб.
1555320-95311-000

Защитный цинковый анод - Zinc Set, Protection (Протектор цинковый)

16 шт1320 руб.
1609116-06094-000

Болт (6x15) - Bolt (6x15) (Bolt (6x15) # ~MODEL:00 # ) (Болт 6X15)

20 шт270 руб.
1741225-94400-000

Резинка блокировки наклона Рычаг - Rubber, Tilt Lock Arm (Rubber, tilt lock lever # ) (Ручка резиновая)

под заказ340 руб.
1809111-10032-000

Болт (10x20.5) - Bolt (10x205)

под заказ400 руб.
1809111-10067-000

   (актуальный код замены) Болт (10x20.5) - Bolt (10x20.5)

2 шт430 руб.
1809111-10067-000

Болт (10x20.5) - Bolt (10x205) (Bolt, 10x20.4)

2 шт430 руб.
1909160-10082-000

Шайба (10.5x19x2) - Washer (105x19x2) (Washer # DF9.9 971312~MODEL:03 DF15 971524~MODEL:03 # ) (Gasket (10.5x19x2))

19 шт120 руб.
2009448-29015-000

Пружина - Spring (Пружина)

9 шт390 руб.
2136894-95201-000

Lead (l: 165) - Lead (l:165) (Lead # ) (Провод)

под заказ1170 руб.
2209125-05050-000

Винт (5x8) - Screw (5x8) (Screw # ) (Винт 5X8)

под заказ150 руб.
2309161-05114-000

Шайба (5.2x11x1) - Washer (52x11x1) (Washer (5.2x11.0x1.0) # ~MODEL:01 # ) (Шайба)

под заказ290 руб.
2441161-94400-000

Сальник рулевого кабеля - Seal, Steering Cable (Seal, steering cable # DF9.9R (AR), 15R (AR) # ) (Уплотение кабеля)

16 шт1530 руб.


Время выполнения запроса 2.5733439922333 сек.

 
 

данный сайт носит информационный характер и не является публичной офертой

склад запчастей для водомоторной техники