Подобрать оригинальные запчасти на подвесной лодочный двигатель Suzuki DF15S/L; DF15RS/L - Cylinder head
вконтакте

Контактный телефон: +7 (981) 121-46-93, +7 (800) 200-90-76 , Email: parts-katalog@yandex.ru, где купить

 
 

  Логин:

Пароль:

Регистрация

www.partskatalog.ru Все каталоги Запчасти Mercury Запчасти Suzuki Запчасти Tohatsu Запчасти Honda Контакты



УВАЖАЕМЫЕ КЛИЕНТЫ!
C 19 ДЕКАБРЯ 2025 ПО 02 МАРТА 2026 ГОДА ОТДЕЛ ЗАПЧАСТЕЙ И СЕРВИС РАБОТАТЬ НЕ БУДУТ
ПРОДАЖА ЛОДОЧНЫХ МОТОРОВ В ШТАТНОМ РЕЖИМЕ
ОБ ИЗМЕНЕНИЯХ В ГРАФИКЕ РАБОТЫ ЧИТАЙТЕ НА САЙТА



назад Раздел:   вперёд

Вернуться к выбору узлов мотора


ДЕТАЛИРОВКА ДЛЯ МОДЕЛИ: SUZUKI DF15S K4

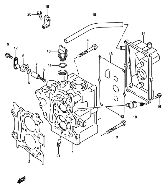
Головка блока цилиндра


Код модели двигателя: DF15S/L; DF15RS/L

Год выпуска двигателя: 2004

Цвет: Shadow Black Metallic

Номер на
рисунке
АртикулНаименованиеQTYКол-во
на складе
Цена
111110-94J01-000

Головка цилиндра - Head, Cylinder (Голова цилиндр)

1 шт140640 руб.
111110-94JM0-000

   (актуальный код замены) Головка цилиндра - Head, Cylinder

под заказ140640 руб.
111110-94J10-000

Головка цилиндра - Head, Cylinder (DF15:110001~ # ) (Head, cylinder)

под заказ0 руб.
111110-94JL0-000

   (актуальный код замены) Запчасть снята с производства - The Spare Part Is Laid Off

под заказ0 руб.
211141-94J00-000

Прокладка головки блока цилиндра - Gasket, Cylinder Head

под заказ6480 руб.
211141-94JL0-000

   (актуальный код замены) Прокладка головки блока цилиндра - Gasket, Cylinder Head

6 шт6950 руб.
211141-94JL0-000

Прокладка головки блока цилиндра - Gasket, Cylinder Head (Gasket, cylinder head)

6 шт6950 руб.
211141-94JL0-000

Прокладка головки блока цилиндра - Gasket, Cylinder Head (DF15:110001~ # ) (Gasket, cylinder head)

6 шт6950 руб.
309116-08110-000

Болт (8x65) - Bolt (8x65) (Bolt # ) (Bolt (8x65))

под заказ600 руб.
409116-08129-000

Болт (8x65) - Bolt (8x65) (Bolt (8x65))

под заказ430 руб.
511261-99E00-000

Крышка защитного анода - Cover, Protection Anode (Крышка протектора)

под заказ1990 руб.
609280-10013-000

Уплотнительное кольцо (d: 2.4, Id: 9.6) - O Ring (d:24, Id:96) (O ring, protection cover # ) (O ring (d:2.4, id:9.6))

под заказ280 руб.
755321-99E00-000

Защитный анод - Anode, Protection (Протекторная защита)

3 шт1190 руб.
809126-05010-000

Винт (5x27.2) - Screw (5x272) (Винт анода)

под заказ220 руб.
901550-06207-000

Болт - Bolt (Bolt # ) (Bolt (chrome))

17 шт220 руб.
1011382-93E00-000

Колпачок масляного фильтра - Cap, Oil Filler (Cap, oil filler)

9 шт430 руб.
1109280-17003-000

Уплотнительное кольцо (d: 3.1, Id: 16.8) - O Ring (d:31, Id:168) (O ring, oil filler cap # ) (O ring (d:3.1, id:16.8))

15 шт180 руб.
1204211-11129-000

Штифт - Pin (Pin)

14 шт150 руб.
1311162-94J10-000

Прокладка крышки головки блока цилиндра - Gasket, Cylinder Head Cover (Прокладка крышки)

5 шт1200 руб.
1411170-94J00-000

Крышка головки цилиндра - Cover, Cylinder Head (Крышка)

под заказ5620 руб.
1511196-94J00-320

Шланг сапуна (l: 320) - Hose, Breather (l:320) (Hose, breather # L:320->210 # ) (Шланг водный)

под заказ350 руб.
1601550-06207-000

Болт - Bolt (Bolt # MODEL:06~ # ) (Bolt (chrome))

17 шт220 руб.
1609103-06187-000

Болт - Bolt

под заказ180 руб.
1601550-06207-000

   (актуальный код замены) Болт - Bolt

17 шт220 руб.
1601550-06207-000

Болт - Bolt (Bolt # ) (Bolt (chrome))

17 шт220 руб.
1709403-14204-000

Струбцина - Clamp (Clamp # ) (Протектор)

под заказ230 руб.
1709403-14415-000

   (актуальный код замены) Струбцина - Clamp

под заказ230 руб.
1809482-00L04-000

Свеча зажигания (cpr6ea-9) - Plug, Spark (cpr6ea-9) (DF15:110001~ # ) (Spark plug ( cpr6ea-9 ))

80 шт1470 руб.
1809482-00427-000

Свеча зажигания (ngk Bkr6e) - Plug, Spark (ngk Bkr6e) (<-59482-94J10 # ) (Spark plug (ngk, bkr6e))

128 шт920 руб.
1911291-91B50-000

Крюк двигателя - Hook, Engine (OPT # ) (Крюк двигателя)

под заказ900 руб.
2001550-08207-000

Болт - Bolt (OPT # ) (Bolt)

10 шт240 руб.
2111115-93E00-001

Направляющая клапана (os: 0.3) - Guide, Valve (os:03) (OPT # ) (Направляющая клапана)

1 шт2520 руб.


Время выполнения запроса 7.9064009189606 сек.

 
 

данный сайт носит информационный характер и не является публичной офертой

склад запчастей для водомоторной техники