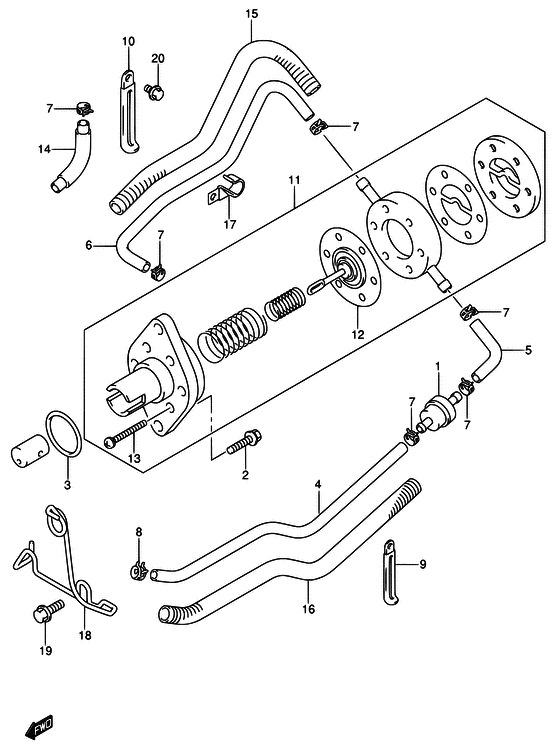
Комплектующие на лодочный мотор Suzuki DF15S/L; DF15RS/L - Топливный насос - Fuel pump
вконтакте

Контактный телефон: +7 (981) 121-46-93, +7 (800) 200-90-76 , Email: parts-katalog@yandex.ru, где купить

 
 

  Логин:

Пароль:

Регистрация

www.partskatalog.ru Все каталоги Запчасти Mercury Запчасти Suzuki Запчасти Tohatsu Запчасти Honda Контакты



УВАЖАЕМЫЕ КЛИЕНТЫ!
C 19 ДЕКАБРЯ 2025 ПО 02 МАРТА 2026 ГОДА ОТДЕЛ ЗАПЧАСТЕЙ И СЕРВИС РАБОТАТЬ НЕ БУДУТ
ПРОДАЖА ЛОДОЧНЫХ МОТОРОВ В ШТАТНОМ РЕЖИМЕ
ОБ ИЗМЕНЕНИЯХ В ГРАФИКЕ РАБОТЫ ЧИТАЙТЕ НА САЙТА



назад Раздел:   вперёд

Вернуться к выбору узлов мотора


ДЕТАЛИРОВКА ДЛЯ МОДЕЛИ: SUZUKI DF15S K4

Топливный насос


Код модели двигателя: DF15S/L; DF15RS/L

Год выпуска двигателя: 2004

Цвет: Shadow Black Metallic

Номер на
рисунке
АртикулНаименованиеQTYКол-во
на складе
Цена
115410-98500-000

Топливный фильтр - Filter, Fuel (Filter assy, fuel # ) (Фильтр топливный)

40 шт1600 руб.
115410-98500

   (не оригинальный аналог) Топливный фильтр Suzuki 15410-98500

под заказ590 руб.
201550-06257-000

Болт - Bolt (Bolt)

под заказ180 руб.
309280-26005-000

Уплотнительное кольцо (d: 2.4, Id: 26.2) - O Ring (d:24, Id:262) (O ring (d:2.4, id:26.2) # ) (O ring (dd:2.4, id:26.2))

11 шт200 руб.
309280-26L01-000

Уплотнительное кольцо (d: 2.4, Id: 26.2) - O Ring (d:24, Id:262) (DF15:110001~ # ) (O ring, d:2.4, id:26.2)

под заказ180 руб.
309280-26005-000

   (актуальный код замены) Уплотнительное кольцо (d: 2.4, Id: 26.2) - O Ring (d:2.4, Id:26.2)

11 шт200 руб.
415191-94J00-000

Топливный шланг (Коннектор To Фильтр) - Hose, Fuel (connector To Filter)

под заказ2520 руб.
415191-94J01-000

   (актуальный код замены) Топливный шланг (Коннектор To Фильтр) - Hose, Fuel (connector To Filter)

под заказ2520 руб.
415191-94J01-000

Топливный шланг (Коннектор To Фильтр) - Hose, Fuel (connector To Filter) (Hose, fuel (conn to filter))

под заказ2520 руб.
415191-94J01-000

Топливный шланг (Коннектор To Фильтр) - Hose, Fuel (connector To Filter) (DF15:110001~ # ) (Hose, fuel (conn to filter))

под заказ2520 руб.
509343-50001-600

Шланг (5x10x600) - Hose (5x10x600) (DF15:110001~ # ) (Hose, 5x10x600)

под заказ3940 руб.
509355-50109-600

Шланг (5x10x600) - Hose (5x10x600) (L:600->60 # ) (Шланг 5X10X600)

под заказ3720 руб.
609343-50001-600

Шланг (5x10x600) - Hose (5x10x600) (DF15:110001~ # ) (Hose, 5x10x600)

под заказ3940 руб.
609355-50109-600

Шланг (5x10x600) - Hose (5x10x600) (L:600->460 # ) (Шланг 5X10X600)

под заказ3720 руб.
709401-09404-000

Зажим - Clip (Clip)

под заказ190 руб.
809401-11422-000

Зажим - Clip (Clip)

под заказ190 руб.
929404-93J10-000

Струбцина - Clamp (Clamp # <-09404-06432 # ) (Струбцина переключателя)

под заказ190 руб.
929404-93J11-000

   (актуальный код замены) Струбцина - Clamp

под заказ190 руб.
1009404-08207-000

Струбцина (l: 80) - Clamp (l:80) (Clamp)

под заказ170 руб.
1009404-08212-000

   (актуальный код замены) Струбцина - Clamp

под заказ170 руб.
1115100-94J0V-000

Топливный насос, в сборе - Pump Assy, Fuel

под заказ14400 руб.
1115100-94J03-000

   (актуальный код замены) Топливный насос, в сборе - Pump Assy, Fuel

2 шт14400 руб.
1115100-94J02-000

Топливный насос, в сборе - Pump Assy, Fuel (Pump assy, fuel)

под заказ14400 руб.
1115100-94J03-000

   (актуальный код замены) Топливный насос, в сборе - Pump Assy, Fuel

2 шт14400 руб.
1115100-94JL0-000

Топливный насос, в сборе - Pump Assy, Fuel (DF15:110001~ # )

под заказ14400 руб.
1115100-94J03-000

   (актуальный код замены) Топливный насос, в сборе - Pump Assy, Fuel

2 шт14400 руб.
1215170-94J0V-000

Топливный насос, в сборе - Pump Assy, Fuel

под заказ14400 руб.
1215100-94J03-000

   (актуальный код замены) Топливный насос, в сборе - Pump Assy, Fuel

2 шт14400 руб.
1215100-94J02-000

Топливный насос, в сборе - Pump Assy, Fuel (Pump assy, fuel)

под заказ14400 руб.
1215100-94J03-000

   (актуальный код замены) Топливный насос, в сборе - Pump Assy, Fuel

2 шт14400 руб.
1315251-93E00-000

Винт - Screw

под заказ230 руб.
1315251-93E01-000

   (актуальный код замены) Винт - Screw

под заказ230 руб.
1418498-94J10-000

Защита топливного шланга (l: 320) - Protector, Fuel Hose (l:320)

под заказ670 руб.
1418498-94J21-000

   (актуальный код замены) Защита топливного шланга (l: 320) - Protector, Fuel Hose (l:320)

под заказ670 руб.
1418498-94J20-000

Защита топливного шланга (l: 320) - Protector, Fuel Hose (l:320) (Protector (l:320))

под заказ670 руб.
1418498-94J21-000

   (актуальный код замены) Защита топливного шланга (l: 320) - Protector, Fuel Hose (l:320)

под заказ670 руб.
1518498-94J20-000

Защита топливного шланга (l: 320) - Protector, Fuel Hose (l:320) (Protector (l:320))

под заказ670 руб.
1518498-94J21-000

   (актуальный код замены) Защита топливного шланга (l: 320) - Protector, Fuel Hose (l:320)

под заказ670 руб.
1618498-94J30-000

Защита топливного шланга (l: 390) - Protector, Fuel Hose (l:390)

под заказ680 руб.
1618498-94J32-000

   (актуальный код замены) Защита топливного шланга (l: 390) - Protector, Fuel Hose (l:390)

под заказ680 руб.
1618498-94J31-000

Защита топливного шланга (l: 390) - Protector, Fuel Hose (l:390) (Protector (l:390))

под заказ680 руб.
1618498-94J32-000

   (актуальный код замены) Защита топливного шланга (l: 390) - Protector, Fuel Hose (l:390)

под заказ680 руб.
1709403-12318-000

Струбцина - Clamp (Clamp)

под заказ290 руб.
1709403-12323-000

   (актуальный код замены) Струбцина - Clamp

под заказ290 руб.
1865793-94J00-000

Держатель топливного шланга - Holder, Fuel Hose (Держатель шланга)

под заказ1760 руб.
1865793-94J01-000

Держатель топливного шланга - Holder, Fuel Hose (MODEL:07~ # ) (Держатель шланга)

под заказ1760 руб.
1909116-08137-000

Болт (8x22) - Bolt (8x22) (Bolt (8x22) # ) (Болт (8X22))

10 шт690 руб.
2001550-06127-000

Болт - Bolt (Bolt, rect # DF9.9R/15R # ) (Bolt)

10 шт180 руб.


Время выполнения запроса 1.7239780426025 сек.

 
 

данный сайт носит информационный характер и не является публичной офертой

склад запчастей для водомоторной техники