Найти запчасти на подвесной лодочный двигатель Suzuki DF15S/L; DF15RS/L - Electrical
вконтакте

Контактный телефон: +7 (981) 121-46-93, +7 (800) 200-90-76 , Email: parts-katalog@yandex.ru, где купить

 
 

  Логин:

Пароль:

Регистрация

www.partskatalog.ru Все каталоги Запчасти Mercury Запчасти Suzuki Запчасти Tohatsu Запчасти Honda Контакты



УВАЖАЕМЫЕ КЛИЕНТЫ!
C 19 ДЕКАБРЯ 2025 ПО 02 МАРТА 2026 ГОДА ОТДЕЛ ЗАПЧАСТЕЙ И СЕРВИС РАБОТАТЬ НЕ БУДУТ
ПРОДАЖА ЛОДОЧНЫХ МОТОРОВ В ШТАТНОМ РЕЖИМЕ
ОБ ИЗМЕНЕНИЯХ В ГРАФИКЕ РАБОТЫ ЧИТАЙТЕ НА САЙТА



назад Раздел:   вперёд

Вернуться к выбору узлов мотора


ДЕТАЛИРОВКА ДЛЯ МОДЕЛИ: SUZUKI DF15RS K8

Электрика


Код модели двигателя: DF15S/L; DF15RS/L

Год выпуска двигателя: 2008

Цвет: Shadow Black Metallic

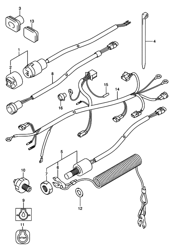
Номер на
рисунке
АртикулНаименованиеQTYКол-во
на складе
Цена
139601-95D00-000

Внешняя розетка - Receptacle (Receptacle assy, lighting # MANUAL STARTER OPT # ) (Receptacle)

под заказ4660 руб.
139601-95D01-000

   (актуальный код замены) Внешняя розетка - Receptacle

под заказ4660 руб.
236634-93910-000

Колпачок - Cap (MANUAL STARTER OPT # ) (Cap)

под заказ340 руб.
339603-94400-000

Пыльник розеткиe - Grommet, Receptaclee (Grommet, receptacle cable # MANUAL STARTER OPT # ) (Втулка кабеля)

под заказ840 руб.
339603-94401-000

   (актуальный код замены) Пыльник розеткиe - Grommet, Receptaclee

под заказ840 руб.
409407-14407-000

Струбцина (l: 145) - Clamp (l:145) (Band # MANUAL STARTER OPT # ) (Clamp (l:145))

9 шт230 руб.
409407-25402-000

Струбцина (l: 250) - Clamp (l:250) (Clamp, tilt sw # MANUAL STARTER OPT # ) (Clamp)

под заказ350 руб.
537830-94J02-000

Выключатель аварийной остановки двигателя - Switch Assy, Emergency & Stop

под заказ7920 руб.
537830-94J04-000

   (актуальный код замены) Выключатель аварийной остановки двигателя - Switch Assy, Emergency & Stop

1 шт7920 руб.
637823-92E01-000

Пластина блокировки аварийного выключателя - Plate Assy, Emergency Sw Lock (Plate)

под заказ2570 руб.
637823-92E02-000

   (актуальный код замены) Пластина блокировки аварийного выключателя - Plate Assy, Emergency Sw Lock

3 шт2770 руб.
737826-92E00-000

Гайка - Nut (Гайка)

под заказ740 руб.
836360-94J00-000

Индикатор давления масла - Indicator, Oil Pressure (Indicator, oil level)

под заказ1260 руб.
936367-93E00-019

Наклейка - масло Pressure - Label, Oil Pressure (Label, oil level (black) # <-36367-94J00 # ) (Наклейка уровня масла (чёрная))

под заказ340 руб.
1037820-93E10-000

Выключатель при низком давлении масла - Switch, Oil Pressure (Переключатель прессуры)

под заказ2570 руб.
1037820-93E11-000

   (актуальный код замены) Выключатель по давлению масла, в сборе - Switch Assy, Oil Pressure

под заказ2570 руб.
1137835-95D00-000

Наклейка СТОП - Label, Stop (Label, stop # ) (Наклейка)

под заказ130 руб.
1137835-91J00-YAY

   (актуальный код замены) Наклейка СТОП - Label, Stop

под заказ130 руб.
1209160-12067-000

Шайба (12.5x23x1) - Washer (125x23x1) (Washer, emergency sw # ) (Шайба)

8 шт230 руб.
1339669-94400-000

Заглушка, Lwr Крышка - Plug, Lwr Cover (Plug # MANUAL STARTER <-39669-94J00 # ) (Заглушка крышки)

под заказ410 руб.
1436610-94J00-000

Жгут проводов, в сборе - Harness Assy, Wiring (MANUAL STARTER # ) (Кабель электрический)

под заказ9220 руб.
1436610-94J10-000

Жгут проводов, в сборе - Harness Assy, Wiring (ELECTRIC STARTER # ) (Кабель электрический)

под заказ16370 руб.
1436610-94J20-000

Жгут проводов, в сборе - Harness Assy, Wiring (DF9.9R/15R # ) (Кабель электрический)

1 шт20600 руб.
1536615-96300-000

Клемма - Terminal (Контакт)

под заказ120 руб.
1636618-43410-000

Колпачок выключателя по давлению масла - Cap, Oil Pressure Switch (Крышка переключателя)

под заказ250 руб.


Время выполнения запроса 2.2577688694 сек.

 
 

данный сайт носит информационный характер и не является публичной офертой

склад запчастей для водомоторной техники